文档详情

2011-1 制图规范

wt****50
实名认证
店铺
DOC
355KB
约10页
文档ID:35697257
2011-1 制图规范_第1页
1/10

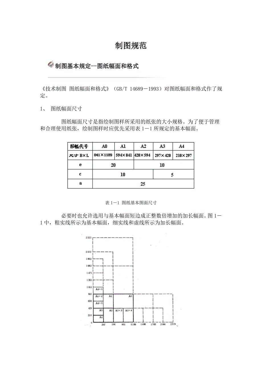
制图规范制图规范制图基本规定制图基本规定----图纸幅面和格式图纸幅面和格式《技术制图 图纸幅面和格式》(GB/T 14689-1993)对图纸幅面和格式作了 规定1、 图纸幅面尺寸图纸幅面尺寸是指绘制图样所采用的纸张的大小规格为了便于管理和合 理使用纸张,绘制图样时应优先采用表 1-1 所规定的基本幅面表 1-1 图纸基本图面尺寸必要时也允许选用与基本幅面短边成正整数倍增加的加长幅面图 1-1 中,粗实线所示为基本幅面,细实线和虚线所示为加长幅面图 1-1 图纸幅面2、 图框格式 格式分留装订边(图 1-2a)和不留装订边(图 1-2b)两种,但同一产 品的图样只能采用同一种格式,并均应画出图框线及标题栏a)留有装订边的图纸格式(b)不留装订边的图纸格式图 1-2 图纸格式图框线用粗实线绘制,一般情况标题栏位于图纸右下角,也允许位于图纸 右上角标题栏中文字书写方向即为看图方向标题栏的基本要求、内容、尺寸和格式在国家标准 GB/T 10609.1- 1989《技术制图 标题栏》中有详细规定,各设计单位根据各自需求格式亦有 变化,这里不作介绍在学习本课程时可暂用图 1-3 所示格式。

(a)零件图用(b)装配图用图 1-3 学习用标题栏格式制图基本规定制图基本规定----比例比例《技术制图 比例》GB/T 14690-1993 对比例的选用作了规定1、比例的概念 比例为图样中机件要素的线性尺寸与实际机件相应要素的线性尺寸之比 2、比例的选用 绘制图样时应优先选取表 1-2 中所规定的比例表 1-2 比例系列表 1-3 必要时允许采用的规定比例3、比例的标注绘制同一物体的各视图时,应采用相同比例,并将采用的比例统一填写在 标题栏的“比例“项内当某视图须采用不同比例绘制时,可在视图名称的下方进行标注,如: 制图基本规定制图基本规定----字体字体《技术制图字体》GB/T 14691-1993 规定了图样中汉字、数字、字母的书写格 式1、 基本要求图样中书写字体必须做到:字体端正、笔划清楚、间隔均匀、排列整齐2、 字体高度字体的高度(h,单位:mm)系列为 2.5、3.5、5、7、10、14、20字高 以“字号”称之,如 5 号字即字高为 5 mm若要书写更大的字,字高应按的比 例递增3、 汉字汉字为长仿宋体,并采用国家正式公布的简化字,字宽约为字高的 2/3 字高不应小于 3.5 号,以避免字迹不清。

书写要点是“横平竖直、注意起落结构均匀、填满方格”书写示例:图 1-4 长仿宋字体4、 字母和数字常用字母为拉丁字母和希腊字母,数字为阿拉伯数字和罗马数字字体分 A 型(机器书写)、B 型(手工书写)A 型字体的笔画宽度(d) 为字高的 1/14;B 型字体的笔画宽度(d)为字高的 1/10在同一图样中只允 许选用同一种字体字体分直体和斜体,斜体字字头向右倾斜,与水平线约成 75°角用作指数、分数、极限偏差、注脚等的数字及字母,一般采用小一号的字 体示例:图 1-5 拉丁字母(大写)图 1-6 拉丁字母(小写)图 1-7 希腊字母(小写)图 1-8 阿拉伯数字图 1-9 罗马数字(a) 用作指数、分数、极限偏差、注脚等得数字及字母,一般采用小一号得字体(b) 图样中得数学符号、物理量符号、计量单位符合以及其他符号、代号,应分别符合国家的有关法令和标准的规定(c) 其他应用示例图 1-10 综合应用示例制图基本规定制图基本规定----图线图线图样中为了表示不同内容,并能分清主次,必须使用不同线型、线宽的图 线《技术制图 图线(GB/T 17450-1998)》对图线作了规定1、基本线型及应用常用的基本线型有粗实线、细实线、虚线、点画线、波浪线和双点画线, 其应用见表 1-4(d 优先选用 0.7mm)。

表 1-4 图线的应用2、图线宽度机械工程图样中的图线宽度有粗、细两种,其线宽比为 2:1线宽推荐系列为: 0.13、0.18、0.25、0.35、0.5、0.7、1、1.4、2(mm) 3、线素长度手工绘图时,线素长度应符合表 1-5 的规定表 1-5 线素长度4、图线画法 绘制图线时应注意以下问题:图 1-11、图 1-12 为图线画法示例 图 1-11 图线相交的画法(1) 同一图样中同类图线的线宽应一致 (2) 虚线、点画线、双点画线的线段、短画长度和间隔应各自大致相等3)绘制圆的中心线时,圆心应为点画线线段的交点点画线的首末两端应为线段而 不是短画,且超出圆弧 2~3mm,不可任意画长图 1-12 图线应用示例。

下载提示
相似文档
正为您匹配相似的精品文档