文档详情

大六角高强度螺栓及扭剪型高强螺栓连接分项工程质量管理

壹****1
实名认证
店铺
DOCX
64.55KB
约12页
文档ID:464914001
大六角高强度螺栓及扭剪型高强螺栓连接分项工程质量管理_第1页
1/12

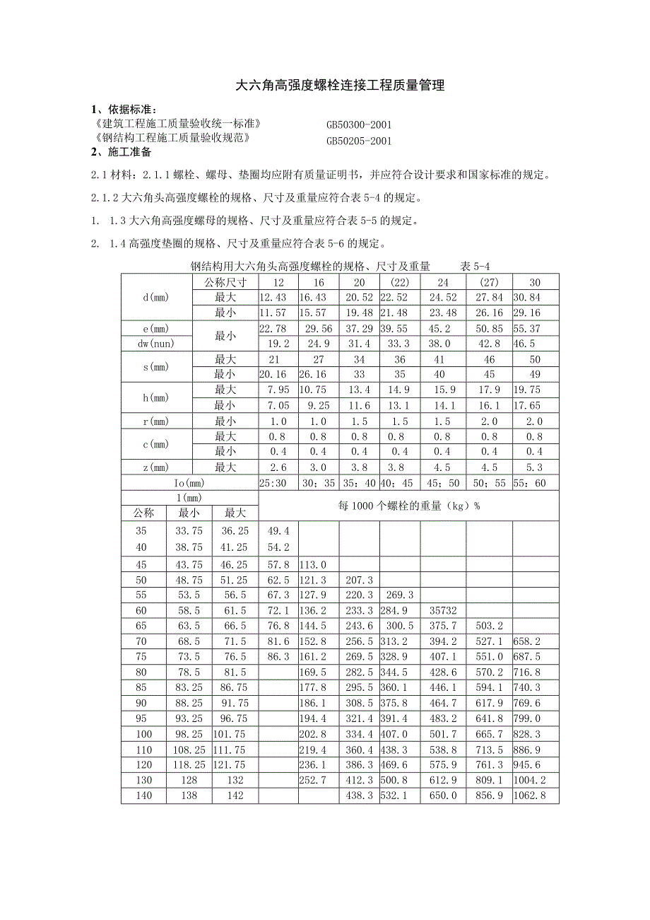
大六角高强度螺栓连接工程质量管理1、依据标准:GB50300-2001GB50205-2001《建筑工程施工质量验收统一标准》《钢结构工程施工质量验收规范》2、施工准备2.1材料:2.1.1螺栓、螺母、垫圈均应附有质量证明书,并应符合设计要求和国家标准的规定2.1.2大六角头高强度螺栓的规格、尺寸及重量应符合表5-4的规定1. 1.3大六角高强度螺母的规格、尺寸及重量应符合表5-5的规定2. 1.4高强度垫圈的规格、尺寸及重量应符合表5-6的规定钢结构用大六角头高强度螺栓的规格、尺寸及重量 表5-4d(mm)公称尺寸121620(22)24(27)30最大12.4316.4320.5222.5224.5227.8430.84最小11.5715.5719.4821.4823.4826.1629.16e(mm)最小22.7829.5637.2939.5545.250.8555.37dw(nun)19.224.931.433.338.042.846.5s(mm)最大21273436414650最小20.1626.163335404549h(mm)最大7.9510.7513.414.915.917.919.75最小7.059.2511.613.114.116.117.65r(mm)最小1.01.01.51.51.52.02.0c(mm)最大0.80.80.80.80.80.80.8最小0.40.40.40.40.40.40.4z(mm)最大2.63.03.83.84.54.55.3Io(mm)25:3030;3535:4040;4545;5050;5555:601(mm)每1000个螺栓的重量(kg)%公称最小最大354033.7538.7536.2541.2549.454.24543.7546.2557.8113.05048.7551.2562.5121.3207.35553.556.567.3127.9220.3269.36058.561.572.1136.2233.3284.9357326563.566.576.8144.5243.6300.5375.7503.27068.571.581.6152.8256.5313.2394.2527.1658.27573.576.586.3161.2269.5328.9407.1551.0687.58078.581.5169.5282.5344.5428.6570.2716.88583.2586.75177.8295.5360.1446.1594.1740.39088.2591.75186.1308.5375.8464.7617.9769.69593.2596.75194.4321.4391.4483.2641.8799.010098.25101.75202.8334.4407.0501.7665.7828.3110108.25111.75219.4360.4438.3538.8713.5886.9120118.25121.75236.1386.3469.6575.9761.3945.6130128132252.7412.3500.8612.9809.11004.2140138142438.3532.1650.0856.91062.8150148152464.2563.4687.1904.71121.5160156165490.2594.6724.2952.41180.1170166174625.9761.21000.21238.7180176184657.2798.31048.01297.4190186194688.4835.41095.81356.0200196204719.7872.41143.61414.7220216224782.2946.61239.21531.92402302441020.71334.71649.22602562641430.31766.5注:1.括号内的规格,尽可能不采用。

2.虚线以上部分的螺纹长度,按10栏内的前面数值采用(亦允许螺杆上全部制出螺纹);虚线以下部分的螺纹长度,按10栏内的后面数值采用3. dw的最大尺寸,等于S的实际尺寸钢结构用高强度大六角螺母的规格、尺寸及重量表5-5d(mm)121620(22)24(27)30s(mm)最大21273436414650最小20.1626.163335404549h(mm)最大12.317.120.723.624.227.630.7最大11.8716.419.422.322.926.329.1e(mm)最小22.7829.5637.2939.5545.2050.8555.37dw(nun)19.224.931.433.338.042.846.6C最大0.80.80.80.80.80.80.8(mm)最小0.40.40.40.40.40.40.4每1000个螺母的重量(kg)227.6861.51118.77146.59202.67288.51374.01注:1.括号内的规格,尽可能不采用2.dw的最大尺寸,等于S的实际尺寸钢结构用高强度垫圈的规格、尺寸及重量 表5-6公称直径(螺纹宜径d)Gnm)121620(22)24(27)30dι(mm)最大13.4317.4321.5223.5225.5228.5231.62最小(公称)13172123252831d2(mm)最大(公称)25334042475256最小23.731.438.440.445.450.454.1t(nun)最大3.33.34.35.35.36.36.3最小2.52.53.54.54.55.55.5c(mm)最大1.61.62.22.22.22.92.9最小1.21.21.81.81.82.52.5每IooO个垫圈的重量(kg)X9.0315.9629.8439.3950.7172.0981.96注:括号内的尺寸,尽可能不采用。

2.1.5不同等级的大六角头高强度螺栓的材料性能必须符合表5-7的规定不同等级的大六角头高强度螺栓的材料性能表5-7能级性等抗拉强度bN∕mm2(kgf∕mm2)屈服强度σθ.2N∕mm2(kgf∕mm2)伸长率35(%)收缩率Ψ(%)冲击韧性αkJ∕cm2(kgf.m/cm2)不小于10.9S1040—1240(106-126)940(95)104259(6)8.8S830~1030(85-105)660(68)124578(8)2.1. 6不同规格的高强度螺栓的机械性能、拉力应符合表5-8的规定不同规格大六角头高强度螺栓的机械性能、拉力表5-8公称直径d(mm)121620(22)24(27)30公称应力截面积AS(mm2)84.3157245303353459561性能等级10.9S拉力截荷N(kgf)87700~104500(8940-10700)163000-195000(16600-19800)255000-304000(26000-31000)315000~376000(32100-38300)367000-438000(48600-58000)477000-569000(48600-58000)583000-696000(59400-70900)8.8S70000-86800(7140-8850)130000-162000(13300-16500)203000~252000(20700~25700)251000-312000(25600~31800)293000-364000(29900-37000)381000-47.000(38800-48200)466000-578000(47500~58900)2.1. 7大六角头高强度螺栓的硬度应符合表5-9的规定。

螺栓硬度 表5-9性能等级维氏硬度HV30洛氏硬度HRC10.9S312~36733-398.8S249~29624~312.1.8 大六角头高强度螺栓的连接副是由一个螺栓、二个垫圈、一个螺母组成,螺栓、螺母的垫圈应按表5-10规定配套使用螺栓、螺母和垫圈的配套表5T0螺栓螺母垫圈10.9SIOHHRC34~458.8S8HHRC35~452.1.9 大六角头高强度螺栓验收入库后应按规格分类存放应防雨、防潮,遇有螺纹损伤或螺栓、螺母不配套时不得使用2.1.10 大六角头高强度螺栓存放时间过长,或有锈蚀时,应抽样检查紧固轴力,待满足要求后方可使用螺栓不得粘染泥土、油污,必须清理干净2.2主要机具:电动扭矩扳手及控制箱、手动扭矩扳手、扭矩测量扳手、手工扳手、钢丝刷、冲子、锤子等等2.3作业条件:2.3.1高强度螺栓连接摩擦面必须符合设计要求,摩擦系数必须达到设计要求摩擦面不允许有残留氧化铁皮2.3.2摩擦面的处理与保存。

下载提示
相似文档
正为您匹配相似的精品文档