文档详情

测量普朗克常量

cl****1
实名认证
店铺
DOCX
23.25KB
约4页
文档ID:435877055
测量普朗克常量_第1页
1/4

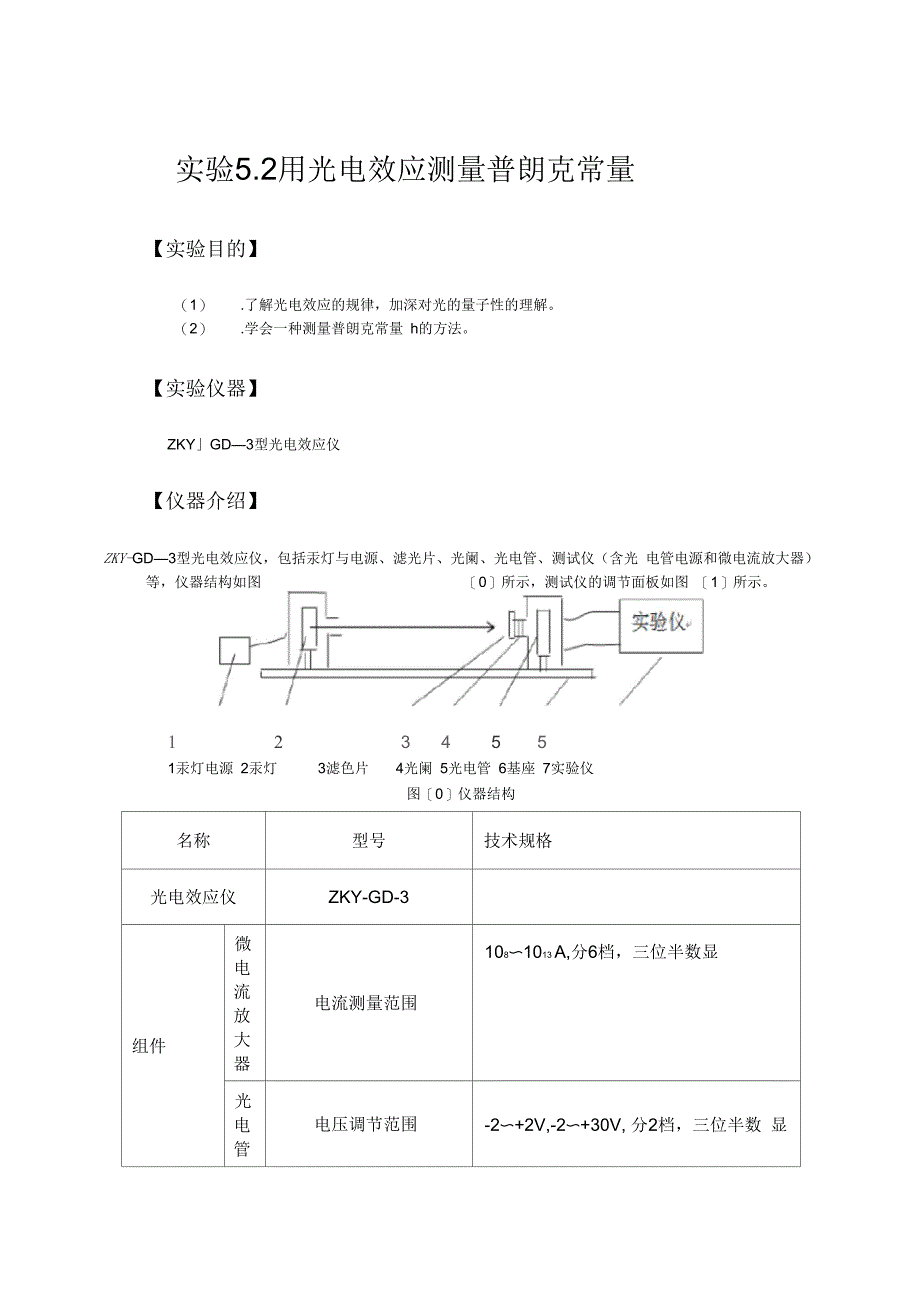
实验5.2用光电效应测量普朗克常量【实验目的】(1) .了解光电效应的规律,加深对光的量子性的理解2) .学会一种测量普朗克常量 h的方法实验仪器】ZKY」GD—3型光电效应仪【仪器介绍】ZKY-GD—3型光电效应仪,包括汞灯与电源、滤光片、光阑、光电管、测试仪(含光 电管电源和微电流放大器)等,仪器结构如图 [0]所示,测试仪的调节面板如图 [1]所示1 2 3 4 5 51汞灯电源 2汞灯 3滤色片 4光阑 5光电管 6基座 7实验仪图[0]仪器结构名称型号技术规格光电效应仪ZKY-GD-3组件微 电 流 放 大 器电流测量范围108〜1013 A,分6档,三位半数显光 电 管电压调节范围-2〜+2V,-2〜+30V, 分2档,三位半数 显工 作 电 源光 电 管光谱响应范围300—700nm最小阴极灵敏度》1pA/Lm阳极:锲圈-12暗电流:I02X10 A (-2V&UAK00V)滤光片5片中心波长(nrnj)365.0, 404.7, 435.8, 546.1 , 578.0汞灯可用谱线(nrnj)365.0, 404.7, 435.8, 546.1 , 578.0图[1]测试仪器板【实验原理】一.光电效应当一定频率的光照射到某些金属表面上时,可以使电子从金属表面逸出,这种现象 称为光电效应,所产生的电子称为光电子。

光电效应存在一个截止频率 V0 ,当入射光的频率 v< V0时,不论光的强度如何都 没有光电子产生;(V0红限频率)光电子的初动能与光强无关,而与入射光的频率成正比;只要v>v0 ,无论光强如何,都会立即引起光电子发射二.光电效应方程= A — mV22A:金属的逸出功12????2:电子获得的初始动能由上式可见:1)电子一旦吸收了一个光子的能量, 就可以立刻从金属表面逸出,所以无须时间累积2)光强大,光子数多,释放的光电子也多,所以饱和光电流也大3)从方程可以看出光电子初动能和照射光频率成线性关系三.遏止电压U0??0 = ? ?2 ??0 ?? ??截止电压U0与入射光频率V成直线关系实验中可用不同频率的入射光照射,分别找到相应的遏止电压 U0 ,就可作出U0〜v的实验直线,此直线的斜率就是 k=h/e【实验内容】1 .测试前的准备用专用连接线将光电管暗盒电压输入端与测试仪电压输出端(后面板上)连接起来(红一红,蓝一蓝)将测试仪及汞灯电源接通,预热 10min把汞灯及光电管暗盒遮光盖盖上,将汞灯暗盒光输出口对准光电管暗盒光输入口, 调整光电管与汞灯距离约为 40cm,并保持不变2 .测普朗克常量将电压选择按键置于-2V〜+2V档;将“电流量程”选择开关置于 10-13 A档,将测 试仪电流输入电缆断开,旋转“调零”旋钮,使电流指示 000.0。

调零后重新接上;将 直径4mm的光阑及365.0nm的滤色片装在光电管暗盒光输入口上从低到高调节电压, 测量该波长对应的??依次换上404.7nm、435.8nm、546.1nm、 577.0nm的滤波片,重复以上测量步骤,将数据记录于表一中,用表一中的数据作为截 止电压??与入射光频率V的关系图,进而求出普朗克常量注:本仪器在测量各谱线的截止电压 ??)射,用“零电流法”或“补偿法”1)零电流法零电流法是直接将测得的、 电流为零时对应的电压 ?AK的绝对值作为截止电压??2)补偿法调节电压?《k使电流为零后,保持?《k不变,遮挡汞灯光源,此时测得的电 流1,将此时对应的电压 ?Ak的绝对值作为截止电压 ??3 .测光电管的伏1安特性曲线将电压选择按键置于-2〜+30V档;将“电流量程”选择开关置于 10-11 ??当;将测试 仪电流输入电缆断开,调零后重新接上,将直径 2mm的光阑及435.8nm的滤色片装在 光电管暗盒光输入口上从低到高调节电压,记录电流从零到非零电所对应的电压值,并作为第一组数据, 改变电压,记录相应的光电流数值道表二中换上直径4mm的光阑及546.1nm的滤光片,重复以上测量。

用表二数据作两条光电管的伏安特性曲线4 .光电管接收到的光强与光阑面积成正比光电管接受的光强与光阑面积成正比注意事项】(1) .实验中将?5mm的光阑孔安放在暗盒窗口,尽量防止散射光照在光电管上2) .认真阅读“测试前准备”,接线一定要准确无误(3) .换滤色片时,注意把汞灯用遮光盖遮上,防止强光照射光电管【思考题】(1) .利用表一中的数据如何求普朗克常量?(2) .如何设计实验,以验证“光电管的饱和光电流与入射光强成正比”?【数据处理】表一 ??一 y的数据记录表光阑孔? = mm波长入/nm365.0404.7435.8546.1577.0频率 y /(x1014)8.2147.4086.8795.4905.196截止电压??/??表二IT?^关系数据表 L= mm入=435.8nm光阑2mm?&/??I/(x10 -11 A)入=546.1nm光阑4mm?&/??I/(x10 -11 A)。

下载提示
相似文档
正为您匹配相似的精品文档