文档详情

通风空调工程量清单计价规范

cn****1
实名认证
店铺
DOC
89KB
约6页
文档ID:524244261
通风空调工程量清单计价规范_第1页
1/6

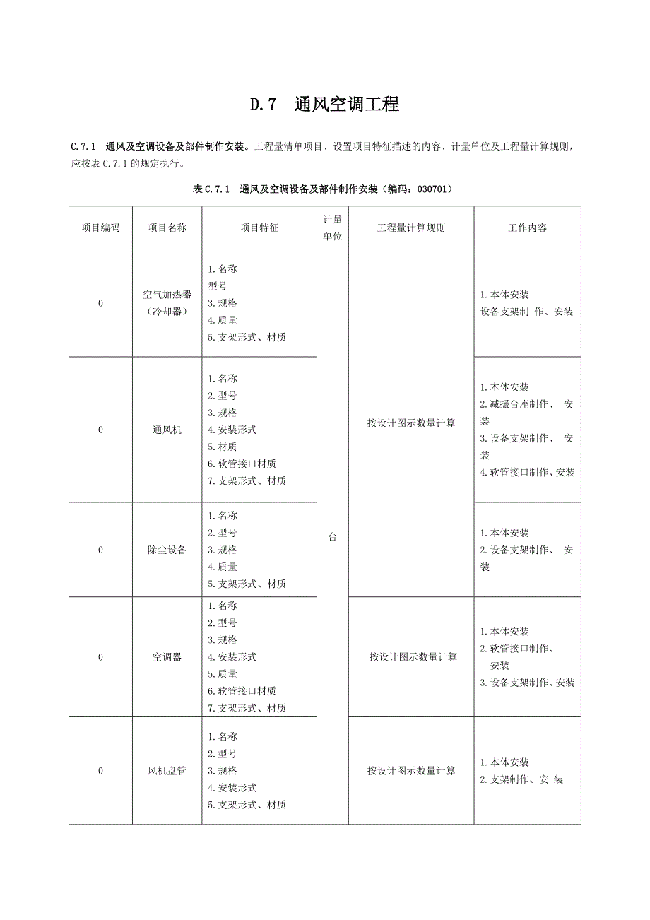
D.7 通风空调工程C.7.1 通风及空调设备及部件制作安装工程量清单项目、设置项目特征描述的内容、计量单位及工程量计算规则,应按表C.7.1的规定执行表C.7.1 通风及空调设备及部件制作安装(编码:030701)项目编码项目名称项目特征计量单位工程量计算规则工作内容0空气加热器(冷却器)1.名称 2 型号 3.规格 4.质量5.支架形式、材质台按设计图示数量计算1.本体安装 2.设备支架制 作、安装0通风机1.名称2.型号 3.规格 4.安装形式5.材质6.软管接口材质7.支架形式、材质1.本体安装 2.减振台座制作、 安装 3.设备支架制作、 安装 4.软管接口制作、安装 0除尘设备1.名称 2.型号 3.规格 4.质量5.支架形式、材质1.本体安装 2.设备支架制作、 安装 0空调器1.名称 2.型号 3.规格4.安装形式5.质量6.软管接口材质7.支架形式、材质 按设计图示数量计算1.本体安装 2.软管接口制作、安装3.设备支架制作、安装0风机盘管1.名称 2.型号 3.规格 4.安装形式5.支架形式、材质按设计图示数量计算1.本体安装 2.支架制作、安 装 表C.7.1(续)项目编码项目名称项目特征计量单位工程量计算规则工作内容0密闭门1.名称2.型号3.规格4.形式5.支架形式、材质个按设计图示数量计算1.本体制作2.本体安装3.支架制作、安装0挡水板1.名称2.型号3.规格4.材质5.支架形式、材质 个0滤水器、溢水盘1.名称2.型号3.规格4.形式5.支架形式、材质个0金属壳体0过滤器1.名称2.型号3.规格4.类型5.框架形式、材质台1.本体安装2.框架制作、安装0净化工作台1.名称2.型号3.规格4.类型本体安装0风淋室1.名称2.型号3.规格4.类型5.质量0洁净室C.7.2 通风管道制作安装。

工程量清单项目设置、项目特征描述的内容、计量单位及工程量计算规则,应按表C.7.2的规定执行表C.7.2通风管道制作安装(编码:030702)项目编码项目名称项目特征计量单位工程量计算规则工作内容0碳钢通风管道1.名称2.材质3.形状4.规格5.板材厚度6.管件、法兰等附件及支架设计要求 7.接口形式8.检查孔、温度、风量测定孔设计要求㎡按设计图示尺寸以展开面积计算,不扣除检查孔、测定孔、送风口、吸风口等所占面积;风管长度一律以设计图示中心线长度为准(主管与支管以其中心线交点划分),包括弯头、三通、变径管、天圆地方等管件的长度,但不包括部件所占的长度风管展开面积不包括风管、管口重叠部分面积直径和周长按图示尺寸为准展开 1.风管、管件、法兰、零件、支吊架制作、安装2.弯头导流叶片制作、安装3.过跨风管落地支架制作、安装4.风管检查孔制作5.温度、风量测定孔制作0净化通风管0不锈钢板通风管道1.名称2.形状3.规格4.板材厚度5.管件、法兰等附件及支架设计要求 6.接口形式1.风管制作、安装2.法兰制作、安装3.吊托支架制作、安装 0铝板通风管道0塑料通风管道1.风管制作、安装2.支吊架制作、安装0玻璃钢通风管道1.名称2.形状3.规格4.板材厚度5.支架形式、材质6.接口形式1.风管安装2.支吊架制作、安装0复合型风管1.名称2.材质3.形状4.规格5.板材厚度6.接口形式7.支架形式、材质1. 风管制作、安装2.支吊架制作、安装0柔性软风管1.名称2.材质3.规格4.风管接头、支架形式、材质m按设计图示中心线长度计算,包括弯头、三通、变径管、天圆地方等管件的长度,但不包括部件所占的长度1.风管安装2.风管接头安装3.支吊架制作、安装注:风管渐缩管:圆形风管按平均直径,矩形风管按平均周长;风管堵头面积不得另外计算,其面积已经包括在风管展开面积里面。

C.7.3 通风管道部件制作安装工程量清单项目设置、项目特征描述的内容、计量单位及工程量计算规则,应按表C.7.3的规定执行表C.7.3 通风管道部件制作安装(编码:030703)项目编码项目名称项目特征计量单位工程量计算规则工作内容0碳钢调节阀1.名称2.型号3.规格4.类型5.支架形式、材质个按设计图示数量计算(包括空气加热器上通阀、空气加热器旁通阀、圆形瓣式启动阀、风管蝶阀、风管止回阀、密闭式斜插板阀、矩形风管三通调节阀、对开多叶调节阀、风管防火阀、各型风罩调节阀制作安装等)1. 阀体制作2. 阀体安装3. 支架制作、安装0柔性软风管阀门1.名称2.规格3.材质4.类型按设计图示数量计算阀体安装0铝蝶阀1.名称2.规格3.类型0不锈钢蝶阀0塑料风管阀门1.名称2.型号3.规格4.类型按设计图示数量计算(包括塑料蝶阀、塑料插板阀、各型风罩塑料调节阀)0玻璃钢蝶阀1.名称2.型号3.规格4.类型按设计图示数量计算0碳钢风口、散流器、百叶窗1.名称2.型号3.规格4.类型5.形式按设计图示数量计算(包括百叶风口、矩形送风口、矩形空气分布器、风管插板风口、旋转吹风口、圆形散流器、方形散流器、流线型散流器、送吸风口、活动箅式风口、网式风口、钢百叶窗等)1.风口制作、安装2.散流器制作、安 装3.百叶窗安装注:风管插板风口制作已包括安装内容 ,若风口、分布器、散流器、百叶窗为成品时,制作不再计算;若调节阀为成品时,制作不再计算。

表C.7.3(续)项目编码项目名称项目特征计量单位工程量计算规则工作内容0不锈钢风口、散流器、百叶窗1.名称2.型号3.规格4.类型5.形式个按设计图示数量计算(包括风口、分布器、散流器、百叶窗)1.风口制作、安装2.散流器制作、安装0塑料风口、散流器、百叶窗0玻璃钢风口1.名称2.型号3.规格4.类型5.形式按设计图示数量计算(包括玻璃钢百叶风口、玻璃钢矩形送风口)风口安装 0铝及铝合金风口、散流器1.名称2.型号3.规格4.类型5.形式按设计图示数量计算1.风口制作、安装2.散流器制作、安装0碳钢风帽1.名称2.规格3.类型4.形式5.风帽筝绳、泛水设计要求按设计图示数量计算1.风帽制作、安装2.筒形风帽滴水盘 制作、安装3.风帽筝绳制作、安装4.风帽泛水制作、安装0不锈钢风帽0塑料风帽0铝板伞形风帽按设计图示数量计算1.板伞形风帽制作、安装2.风帽筝绳制作、安装3.风帽泛水制作、安装0玻璃钢风帽按设计图示数量计算(包括圆伞形风帽、锥型风帽、筒形风帽)1.玻璃钢风帽安装2.筒形风帽滴水盘安装3.风帽筝绳安装4.风帽泛水安装0碳钢罩类1.名称2.型号3.规格4.类型5.形式6.罩类材质 个按设计图示数量计算(包括皮带防护罩、电动机防雨罩、侧吸罩、中小型零件焊接台排气罩、整体分组式槽边侧吸罩、吹吸式槽边通风罩、条缝槽边抽风罩、泥心烘炉排气罩、升降式回转排气罩、上下吸式圆形回转罩、升降式排气罩、手锻炉排气罩)罩类制作、安装注:若不锈钢塑料、风口、分布器、散流器、百叶窗为成品时,制作不再计算;若碳钢、不锈钢、塑料风帽为成品时,制作不再计算;若铝板伞形风帽为成品时,制作不再计算。

表C.7.3(续)项目编码项目名称项目特征计量单位工程量计算规则工作内容 0塑料罩类1.名称2.型号3.规格4.类型5.形式 个按设计图示数量计算(包括塑料槽边侧吸罩、塑料槽边风罩、塑料条缝槽边抽风罩)1.罩类制作2.罩类安装0柔性接口及伸缩节1.名称2.规格 3.材质4.类型5.形式㎡按设计图示尺寸以展开面积计算1.柔性接口及伸缩节制作2.柔性接口及伸缩节安装0消声器1.名称2.规格3.材质4.形式5.支架形式、材质 个按设计图示数量计算(包括片式消声器、矿棉管式消声器、聚脂泡沫管式消声器、卡普隆纤维管式消声器、弧形声流式消声器、阻抗复合式消声器、微穿孔板消声器、消声弯头)1.消声器制作2.消声器安装3.支架制作安装0静压箱1.名称2.规格3.形式 4.材质5.支架形式、材质 个(㎡)按设计图示数量计算(按设计图示尺寸以展开面积计算)1.静压箱制作、安装2.支架制作、安装C.7.4 通风工程检测、调试工程量清单项目设置、项目特征描述的内容、计量单位及工程量计算规则,应按表C.7.4的规定执行表C.7.4 通风工程检测、调试(编码:030704)项目编码项目名称项目特征计量单位工程量计算规则工作内容 0通风工程检测、调试系统 系统按由通风设备、管道及部件等组成的通风系统计算1.管道漏光试验 2.漏风试验3.通风管道风 量测定4.风压测定 5.温度测定6.各系统风口、阀门调整C.7.5 通风空调工程适用于通风(空调)设备及部件、通风管道及部件的制作安装工程。

C.7.6 其他相关问题,应按下列规定处理 1.设备和支架的除锈、刷漆、保温及保护层安装,应按本附录C.12相关项目编码列项 。

下载提示
相似文档
正为您匹配相似的精品文档