文档详情

集水明排检验批质量验收记录及检验规定和说明

新**
实名认证
店铺
DOCX
20.22KB
约5页
文档ID:505421306
集水明排检验批质量验收记录及检验规定和说明_第1页
1/5

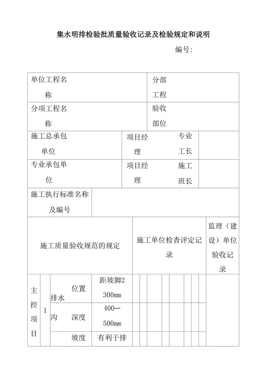
集水明排检验批质量验收记录及检验规定和说明编号:单位工程名称分部工程分项工程名称验收部位施工总承包单位项目经理专业工长专业承包单位项目经理施工班长施工执行标准名称及编号施工质量验收规范的规定施工单位检杳评定记 录监理(建 设)单位 验收记 录主 控 项 目1排水位置距坡脚2300mm沟深度400〜500mm坡度有利于排水2集水井位置距坡脚2400mm深度2600mm3导流管导管长度50〜100cm导管制做滤管部分 孔隙率卡 10%,缠尼 龙纱网位置设置于含水层底部或渗水处般 项 目12排水沟沟底防水槽底土体不 受长时间浸 泡宽度保证水不溢出泡槽345集水井滤料规格含泥量填料量质 量检查员:年 月 日监理或建设单位验收结论:监理工程师或建设单位项目专业技负责人:检验规定和说明适用范围:本表适用于集水明排的施工质量验收检验批的划分:全部为一个检验批主控项目:1•排水沟的位置距坡脚应不小于300mm;排水沟深度应 为400〜500mm;排水沟应设一定纵坡,坡度应不小于3%o检验数量:施工单位全数检验,监理单位按施工单位检 验数的30%作见证检验或按10%作平行检验检验方法:钢尺量测和观察检查。

2•集水井位置距坡脚应不小于400mm,深度应不小于600mm检验数量:施工单位全数检验,监理单位按施工单位检 验数的30%作见证检验或按10%作平行检验检验方法:钢尺量测3•导流管导管长度应为500〜1000mm;导管滤管部分孔 隙率应不小于10%,且应缠尼龙纱网防止出砂;导管应设置 在含水层底部或渗水处检验数量:施工单位全数检验,监理单位按施工单位检 验数的30%作见证检验或按10%作平行检验检验方法:钢尺量测,检查产品出厂合格证和观察检查—般项目1. 排水沟沟底防水施作前,槽底土体应不受长时间浸 泡;排水沟宽度应保证水不溢出泡槽检验数量:施工单位全数检验,监理单位按施工单位检 验数的30%作见证检验或按10%作平行检验检验方法:观察检查2. 集水井滤料粒径宜为2〜7mm,含泥量应不大于3%; 实际填料量应不小于计算量的95%检验数量:施工单位全数检验,监理单位按施工单位检 验数的30%作见证检验或按10%作平行检验检验方法:检查检验报告和填料施工记录3. 集水井潜水泵的泵量和扬程应保证集水井内的水及 时排出检验数量:施工单位、监理单位全数检验检验方法:检查产品说明书和出厂合格证。

下载提示
相似文档
正为您匹配相似的精品文档