文档详情

雨水系统管道及配件安装技术交底

lil****ar
实名认证
店铺
DOC
35.50KB
约2页
文档ID:271054966
雨水系统管道及配件安装技术交底_第1页
1/2

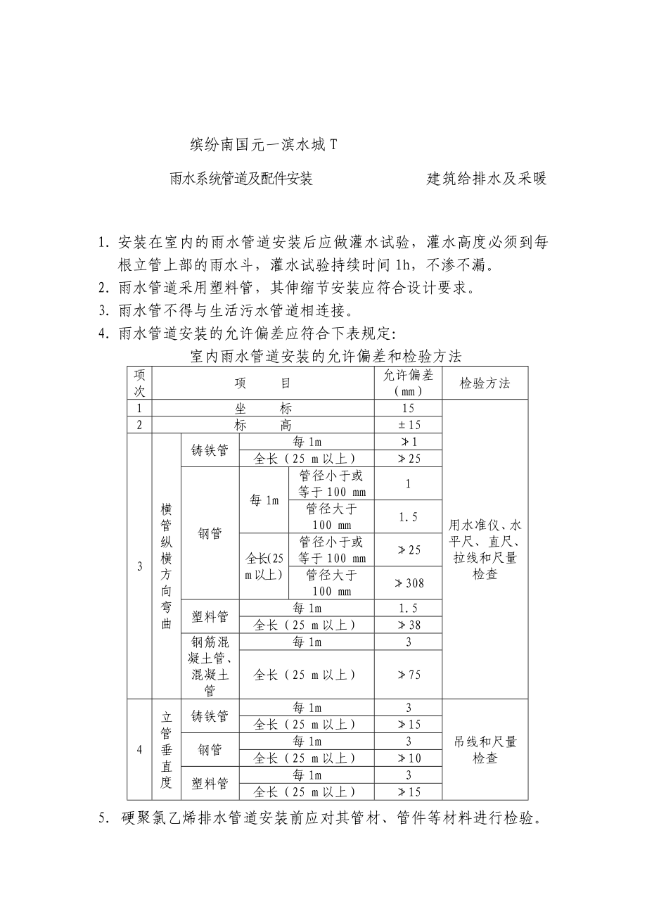
缤纷南国元一滨水城T雨水系统管道及配件安装 建筑给排水及采暖 1. 安装在室内的雨水管道安装后应做灌水试验,灌水高度必须到每根立管上部的雨水斗,灌水试验持续时间1h,不渗不漏2. 雨水管道采用塑料管,其伸缩节安装应符合设计要求3. 雨水管不得与生活污水管道相连接4. 雨水管道安装的允许偏差应符合下表规定: 室内雨水管道安装的允许偏差和检验方法项次项 目允许偏差(mm)检验方法1坐 标15用水准仪、水平尺、直尺、拉线和尺量检查2标 高±153横管纵横方向弯曲铸铁管每1m≯1全长(25 m以上)≯25钢管每1m管径小于或等于100 mm1管径大于100 mm1.5全长(25 m以上)管径小于或等于100 mm≯25管径大于100 mm≯308塑料管每1m1.5全长(25 m以上)≯38钢筋混凝土管、混凝土管每1m3全长(25 m以上)≯754立管垂直度铸铁管每1m3吊线和尺量检查全长(25 m以上)≯15钢管每1m3全长(25 m以上)≯10塑料管每1m3全长(25 m以上)≯155.硬聚氯乙烯排水管道安装前应对其管材、管件等材料进行检验。

管材、管件应有产品合格证,管材应标有规格、生产厂名胜古迹执行标准号;在管件上应有明显的商标和规格;包装上应标有批号、数量、生产日期和检验代号胶粘剂应有生产厂名、生产日期和有效日期,并具有出厂合格证和说明书6.在土建主体结构施工过程中,应配合土建做好管道穿越墙壁、楼板等结构的预留孔洞、预埋套管和预埋件工作7.硬聚氯乙烯管承插口粘接操作要点:粘接前,插口处应有板锉锉成15~30坡口,坡口完成后,应将残屑清除干净粘接时应对承口作插入试验,不得全部插入,一般为承口的3/4深度试插合格后,用棉布将承口需粘接部位的水分、灰尘擦拭干净,如有油污需用丙酮除掉作毛刷涂抹胶粘剂时,先涂抹承口,后涂抹插口,随即用力垂直插入插入粘接时将插口稍做转动,以利胶粘剂分布均匀,约2~3 即可粘接牢固,并应将挤出的胶粘剂擦净。

下载提示
相似文档
正为您匹配相似的精品文档