文档详情

型钢标准接头汇总

hs****ma
实名认证
店铺
DOC
455KB
约14页
文档ID:495966030
型钢标准接头汇总_第1页
1/14

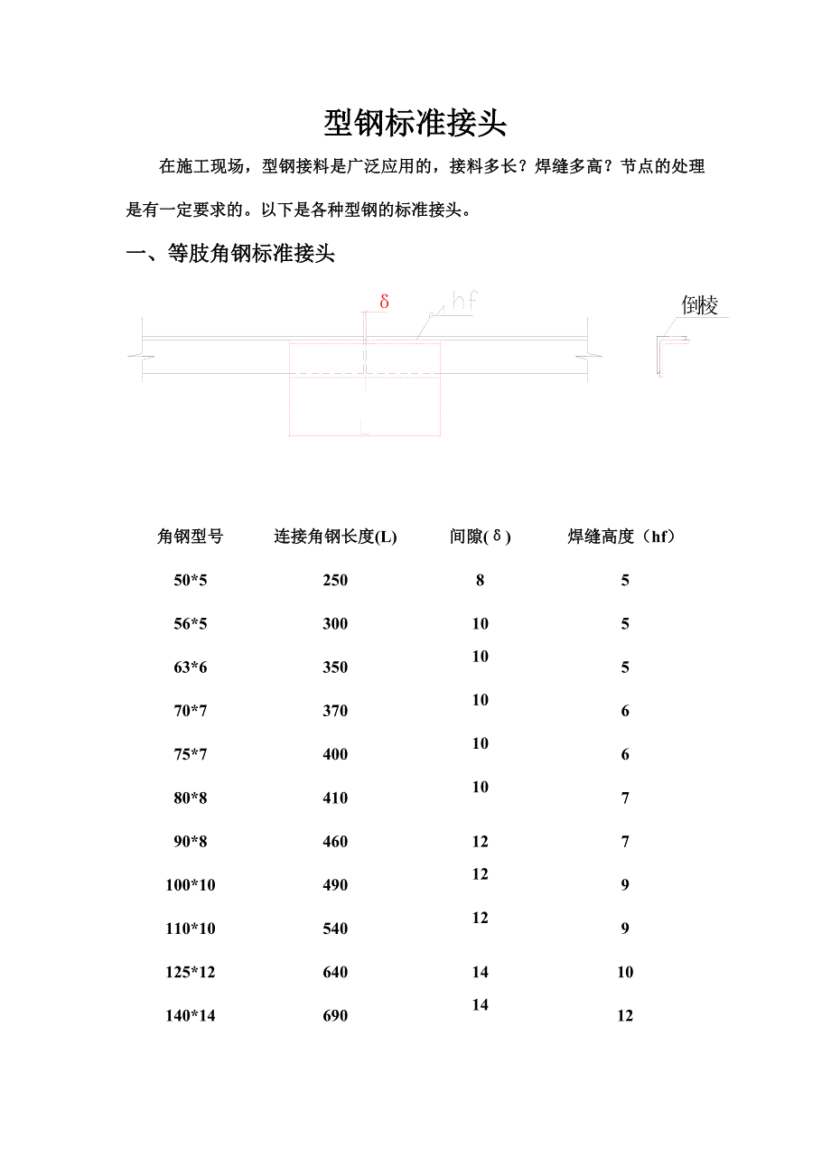
型钢标准接头在施工现场,型钢接料是广泛应用的,接料多长?焊缝多高?节点的处理是有一定要求的以下是各种型钢的标准接头一、等肢角钢标准接头角钢型号连接角钢长度(L)间隙(δ)焊缝高度(hf)50*52508556*530010563*635010570*737010675*740010680*841010790*8460127100*10490129110*10540129125*126401410140*146901412160*147901412180*168601414200*208402018二、不等肢角钢标准接头角钢型号连接角钢长度(L)间隙(δ)焊缝高度(hf)50*32*42505456*36*42755463*40*53008570*45*534010575*50*537010580*50*639010590*56*6440105100*63*8450107100*70*8460127100*80*8460127125*80*10540129140*90*125901211160*100*147001212180*100*107801412200*125*168501414三、普通工字钢标准接头型号翼缘水平盖板腹板连接板b1t1l1hf1h1h2t2l2hf2mmmm工1055102505654061105工12.660113005905561405工14651229061006581506工16701334061157581706工18801439061358582006工20a851444061509082406工20b851545061507583006工22a9016400817010082806工22b901641081708583406工25a95174408195130102608工25b95174508195115103208工28a100184908225150103108工28b1001841010225135103708工32a1052047010260165103808工32b1052047010260150104508工32c1102048010260130105308工36a11023510102952001238010工36b11023520102951851244010工36c11023450122951701251010工40a11025470123302251243010工40b11524480123302051251010工40c11524490123301851258010工45a12026540123752451252010工45b12026540123752251260010工45c12524510123752051269010工50a13028620124202701260010工50b13028620124202501269010工50c13026580124202251278010工56a13031590144753251460012工56b13530600144753051468012工56c13528560144752851477012工63a14032650145453751469012工63b14531660145453501479012工63c14529610145453251488012四、普通槽钢标准接头型号翼缘水平盖板腹板连接板b1t1l1hf1h1h2t2l2hf2mmmm 830131905452061005 1035132205603061205 12.640132206854561505 14a45132406955581606 14b45142506954562006 16a501427061156581906 16b501428061155582306 18a551429061307582206 18b551531061306582706 20a601534061509082406 20b601534061507583006 22a6016360616510082606 22b651536061658583306 25a6017300819512083006 25b6017310819510583706 25c651732081958084506 28a6517320822013583506 28b6517340822011084406 28c651834082209085206 32a70193808255175108308 32b70193908255155104108 32c75194008255135104808 36a75244608285185104108 36b75254608285165104908 36c80244808285145105708 40a8026450103202101243010 40b8027450103201951250010 40c8028460103201751258010五、等边双角钢标准接头型号拼 接 角 钢垫 板l1abhf1b1l2hf2mmmm40*4200460130440*5230460130445*4220465140445*5220565140445*6220665140450*4240470150450*4230470150450*5230570150450*6240670150456*4260480160456*5260580160456*8330680160463*4290485170463*5290585170465*6290685170463*8370685180563*10350885180570*4320490180470*5320590180470*6320690180470*7370690190570*8410690190575*5340595160575*6350695160575*7390695200575*8440695200575*10410895200580*53605100210580*63706100210580*74206100210580*84606100220680*104408100220690*64106110200690*74606110200690*85206110230690*104908110230690*12480101102306100*645061202106100*751061202106100*85806。

下载提示
相似文档
正为您匹配相似的精品文档