文档详情

微生物技能考核标准

M****1
实名认证
店铺
DOC
431KB
约14页
文档ID:488808736
微生物技能考核标准_第1页
1/14

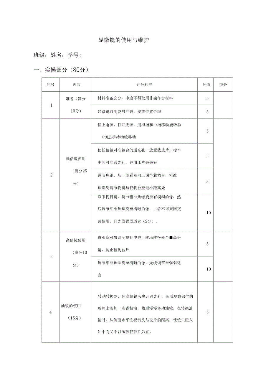
显微镜的使用与维护班级:姓名:学号:一、实操部分(80分)序号内容评分标准分值得分1准备(满分10分)材料准备充分,中途不得取用非操作台材料5显微镜取用姿势准确,安放位置合理52低倍镜使用(满分25分)插上电源,打开光源,用拇指和中指移动旋转器(切忌手持物镜移动5使低倍镜对准镜台的通光孔,放置载玻片,标本中间对准通光孔,并用压片夹夹好5调节焦距,从一侧看着向上调节载物台,粗准焦螺旋调节物镜与载物台至最小距离处5双眼视目镜,调节粗准焦螺旋至有模糊的像,然后调节细准焦螺旋至清晰的像,二者不得来回交替使用,且光线强弱适宜(2分)103高倍镜使用(满分10分)将观察对象调至视野中央,转动转换器至■高倍镜,防止撞到玻片5调节细准焦螺旋至清晰的像,光线调节至强弱适宜104油镜的使用(15分)转动转换器,使高倍镜头离开通光孔,在需观察部位的玻片上滴加一滴香柏油,然后慢慢转动油镜,在转换油镜时,从侧面水平注视镜头与玻片的距离,使镜头浸入油中而乂不以压破载玻片为宜5如果不出现物象或者目标不埋想要重找,在加油区之外重找时应按:低倍一高倍一油镜程序在加油区内重找应按:低倍一油镜程序,不得经高倍镜,以免油沾污镜头(3分),至调出清晰的像。

10擦拭目镜和物镜上的油污,擦镜纸、二甲苯、擦拭方法均要止确(1)15好玻片,拔下电源,关上开关,载物台调至最大距离处,物镜八字摆开,罩上防尘罩,并认真填写使用记录55计时不得超过5分钟,超过者倒扣分,最多扣5分简单染色评分标准班级:姓名:学号:序号考核项目评分要素配分评分标准检验结果得分备注1准备(10分)着装整洁;实验用物齐全适用,放置合理10少选多选1件扣5分2制片(40分)无菌操作取菌20无菌操作正确规范,错1处扣5分,涂片区域圆形,直径1cm左右3干燥固定5不可过热、固定操作的规范性,错1处扣2分4染色、水洗15染液滴加的量;染色时间,水洗操作的规范性,错1处扣5分5镜检(35分)显微镜的预备5显微镜的检查;正确放置打开光源,光路又^准,错1处扣2分6涂片镜检10低倍到高倍,到油镜,物镜的转换;物象调节,错1处扣2分7镜检结果15菌体分布均匀,密度合适,明暗合适,对比度合适错1处扣3分8显微镜的整理5镜头的擦拭;物镜的“八字形”转换;将载物台降到最低,错1处扣2分9其他(5分)清理用物,环境卫生5清扫实验台及收拾产生垃圾,少1环节扣1分10时间(10分)操作时间15要求10分钟内完成,每超过1分钟,扣5分。

总分制备无菌平板评分标准(时间5分钟)班级:姓名:学号:项目考核内容分值评分细则扣分备注得分准备(10分)物品准备、摆放及酒精擦拭8物品摆放合理、酒精擦手正确,材料准备齐全,得8分中途不得取用任何物品,取1次扣4分摆放的物品影响操作,扣2分取菌前未用酒精擦拭,扣2分贴标签(培养皿)2贴标签且位置合理,得2分每漏贴一个,扣1分每错贴一个,扣1分三角瓶操作(15)开塞、瓶口灭菌、持法、盖塞15三角瓶操作正确,得15分未灼烧,开塞不正确,塞子放置不正确,均扣5分盖塞前瓶口和塞子不灼烧,均扣5分三角瓶的瓶口开口处位置不对,扣5分以上几项合计最多扣15分倒平板(40分)加培养基(培养皿持法、加入量、污染皿壁、混匀、)40正确(单手持皿,平端,两指自如开合皿盖,另一只手持培养基瓶),平板效果优秀,得40分培养基温度不适宜,皿盖上方水汽过多,扣5分平板未铺全或高于培养皿高的2/3,一个扣5分,培养基污染皿壁,一个扣10分三角瓶口接触平皿,一个扣5分培养基倾斜,一个扣5分培养基有凝块、不透明,一个扣5分无菌操作(15)酒精灯附近区操作15在酒精灯无菌区操作,得15分所有开口处均应在酒精灯无菌区,出无菌区1次扣5分操作情况(10分)操作熟练程度10熟练,得10分较熟练,得8分一般,得6分不熟练,得0分无菌检查(10分)培养48h,有无微生物生长10无杂菌生长,且平板无开裂,无干枯部位,得10分培养皿有杂菌,每个扣5分平板开裂,共扣5分平板干枯,共扣5分血球计数板计数(时间:30min)项目考核内容分值f核记录(以V表小)备注得分准备(3分)物品摆放及酒精擦手物品摆放合理、酒精擦手正确,得分摆放的物品影响操作,扣分取菌前未用酒精擦手,扣分显微镜的取用显微镜的取用与摆放方式准确,得分取用与摆放方式不正确,扣分血球计数板的放置与检查1正确放置血球计数板于载物台上,得1分没用压片夹夹住,扣分没有放在计数区内,扣分1进行检查或经清洗后确定清洁,得1分没有进行检查扣1分清洗后干燥方法不合理,扣1分加样(2分)添加酵母菌悬液于血球计数板上2能够正确添加酵母菌悬液2分加样前未摇匀菌悬液扣1分未用滤纸吸除多余菌液扣分盖好玻片后有气泡扣分显微镜调节(3分)调整显微镜找到血球计数板上计数网格340倍镜下找到最左上角的大网格,并将显微镜调清晰,给监考老师看,得3分未从低倍到高倍转换,扣分未给监考老师看扣分未找到最左上角的大网格扣2分找到最左上角的大网格但不清晰扣1分。

计数(2分)准确计数,并写出原始数据2分准确计数,并写出原始数据,得2分没有原始数据,扣2分数据不准确,扣1分班级:姓名:学号:原始数据不合理,扣1分计算,报告(6分)计算公式、过程4准确计算,得出菌悬液浓度,得4分数据处理过程不正确,扣4分数据处理结果不正确,扣4分数据不合理,扣1分报告结果规范、正确2报告清楚、准确、无涂改,得2分结果报告不准确,扣分报告填写每改1次,扣分清洗(2分)血球计数板清洗,归位2血球计数板清洗,并干燥归位2分清洗方法不正确,扣1分干燥方法不合理,扣1分未将血球计数板归位,扣1分文明操作(2分)实验后台面整理,设备归位2整理,得2分显微镜未整理,扣1分台面未整理,扣1分血球计数板损坏,扣2分盖玻片损坏,扣分完成时间(0分)共用()分钟开始•0提前,不加分不扣分按时,不加分不扣分结束:超时:每超1分钟,扣1分(最多扣5分)合计平板划线分离考核标准班级:姓名:学号:序号项目内容满分(100分)评分细则扣分总分实验准备全所需的所有实验材料15分3材料准备充分,中途取用物品扣3分1前的准备贴标签4未贴扣4分,贴错扣2分;信息不完整扣2分酒精棉球擦拭手与工作4分未擦拭扣4分台面擦手不彻底最多2分擦台面不彻底最多2分接种针的灼烧是否彻底,拿法是否科学灼烧不彻底,最多扣3分4分接种环拿法不对,扣1分未灼烧4分3试管口未灼烧,扣3分2持塞手法不正确,扣2分试管中取菌(15分)3接种环未冷却,扣3分4塞塞子时未灼烧塞子与管口,扣4分从试3试管口离开无菌区,扣3分管中手法是否标准(5分)1持平板的手法不当扣1分2取样504开口过大扣4分接入分有离开5cm酒精灯无菌区1次扣2分,培养5最多扣5分皿中离开无菌区10cm以上一次扣5分分区接种(30)5划完1区未灼烧,扣5分5灼烧完未冷却,扣5分5单手旋转平板,有明显的分区操作10划破平板,最多扣10分接种台面的整理:酒精灯熄1分熄灭方式不对,扣1分完毕,灭,各试验器材归位(4分)3分未归位,扣3分;未整理,扣2分未带走垃圾,扣2分。

最多扣3分3台面置入培养箱中倒置培10分未倒置,扣2分的处养,以及最适培养温度4分培养温度和时间写在标签上,未注明理以的设置(4分)扣2分及培完成实验,酒精棉球擦2分未擦拭手或洗手1养等拭手或者洗手(2分)4结果检查分离效果20分10分10个以上单菌落,少1个扣1分分区效果5分无明显分区,只有一个区,扣5分平板无菌落区按占的比例扣分污染情况5分有其他杂菌污染,扣5分5用时55分钟,超过1分钟扣1分平板涂布分离考核标准(20min)班级:姓名:学号:项目考核内容分值考核记录(扣分)备注得分准备(10分)物品摆放及酒精擦手5物品准备合适,不多不少,得3分物品摆放合理、酒精擦手正确,得2分摆放的物品影响操作,扣1分取菌前未用酒精擦手,扣1分编号(试管、培养M),贴标签5都编号且正确,得5分每漏编(贴)一个,扣1分。

下载提示
相似文档
正为您匹配相似的精品文档