文档详情

墨水囊标准文本(2019年版)

d****e
实名认证
店铺
DOC
96KB
约5页
文档ID:160102939
墨水囊标准文本(2019年版)_第1页
1/5

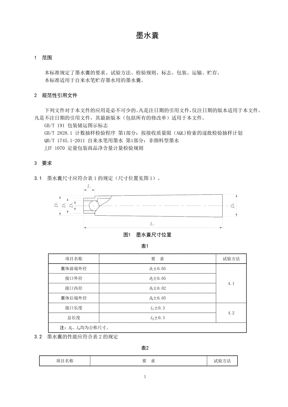
墨水囊1  范围本标准规定了墨水囊的要求、试验方法、检验规则、标志、包装、运输、贮存本标准适用于自来水笔贮存墨水用的墨水囊2  规范性引用文件下列文件对于本文件的应用是必不可少的凡是注日期的引用文件,仅注日期的版本适用于本文件凡是不注日期的引用文件,其最新版本(包括所有的修改单)适用于本文件GB/T 191 包装储运图示标志GB/T 2828.1 计数抽样检验程序 第1部分:按接收质量限(AQL)检索的逐批检验抽样计划QB/T 1745.1-2011 自来水笔用墨水 第1部分:非颜料型墨水JJF 1070 定量包装商品净含量计量检验规则3  要求3.1  墨水囊尺寸应符合表1的规定(尺寸位置见图1)图1  墨水囊尺寸位置表1 项目名称要 求试验方法囊体前端外径D10.054.1接口外径D20.05接口内径D30.02囊体后端外径D40.05接口长度L10.34.2总长度L20.3注: Dn、Ln均为公称尺寸3.2  墨水囊的性能应符合表2的规定表2 项目名称要 求试验方法密封球珠顶开力≤30 N4.3耐压力载荷5 N,不应漏水4.4抗漏性≤-9.3 kPa,不应漏水4.5耐温性(-102)℃,2 h,不应漏水4.6(502)℃,2 h,不应漏水3.3  净含量应符合JJF 1070 的规定。

3.4  若无特别的说明,墨水囊中墨水的质量应符合QB/T 1745.1-2011的规定4  试验方法4.1  内径、外径4.1.1  试验器具4.1.1.1  分辨力不低于0.01 mm的数显游标卡尺4.1.1.2  塞规(直径按接口公称内径选取,公差:0.01 mm)4.1.2  方法与步骤4.1.2.1  用游标卡尺测量墨水囊囊体前、后端和接口的外径4.1.2.2  用塞规测量墨水囊的接口内径如果能插入,则将大一规格的塞规插入,直到不能插入时,此塞规小一规格的塞规标值,即为接口内径;如果不能插入,则再将小一个规格的塞规插入,直到能插入时,此塞规的标值即为接口内径4.1.2.3  检查是否符合表1的规定4.2  长度4.2.1  试验器具分辨力不低于0.01 mm的数显游标卡尺4.2.2  方法与步骤用游标卡尺测量墨水囊的接口长度和总长度,检查是否符合表1的规定4.3  密封球珠顶开力4.3.1  试验仪器4.3.1.1  分辨力0.001 N的测力机4.3.1.2  Φ2.5 mm平面冲头4.3.2  方法与步骤先将测力机调零位,然后将墨水囊用夹具固定,竖放在测力机平台上,将Φ2.5 mm平面冲头固定在在夹具上,使冲头对准墨水囊密封球珠位置,按“下降”键进行压力试验,直至顶开墨水囊密封球珠,记录压力机的最大压力值。

4.4  耐压力4.4.1  试验仪器4.4.1.1  分辨力0.001 N的测力机4.4.1.2  Φ6 mm平面冲头4.4.2  方法与步骤先将测力机调零位,然后将墨水囊用夹具固定,平放在测力机平台上,将Φ6 mm平面冲头固定在在夹具上,使冲头对准墨水囊囊体中部位置,按“下降”键进行压力试验,加压至5 N并持续30 s,检查墨水囊是否漏水4.5  抗漏性4.5.1  试验仪器减压仪4.5.2  方法与步骤将减压仪减压速度调至-12 kPa/min~-10.7 kPa/min,再将墨水囊密封球端朝下插入笔架,置于减压仪真空箱内,封闭真空箱抽真空,当真空表示值达到-9.3 kPa后,检查墨水囊是否滴漏墨水4.6  耐温性4.6.1  试验仪器4.6.1.1  冰箱4.6.1.2  恒温干燥箱4.6.2  方法与步骤4.6.2.1  将冰箱温度调至(-102)℃,把墨水囊平放入冰箱内,2 h后取出置于常温下30 min,检查是否有墨水渗出4.6.2.2  将烘箱温度调至(502)℃,把墨水囊平放入干燥箱内,2 h后取出置于常温下30 min,检查是否有墨水渗出4.7  净含量按JJF 1070的规定进行。

4.8  墨水质量按QB/T 1745.1-2011的规定进行5  检验规则5.1  检验分类墨水囊的检验分型式检验和出厂检验5.2  型式检验5.2.1  一般在出现下列情况之一时,应进行型式检验:a) 新产品或老产品转厂生产的试制定型鉴定;b) 正式生产后,如结构、材料、工艺有较大改变,可能影响产品性能时;c) 正常生产时,应每12个月进行1次型式检验;d) 停产3个月或3个月以上后,恢复生产时;e) 出厂检验结果与上次型式检验有较大差异时;f) 国家质量监督机构提出进行型式检验的要求时5.2.2  型式检验时,应从产品中随机抽取50个以上产品,取其中20个以上产品作为检验样本,另外30个作为备样按第3章所列全部项目逐项检验检验合格率按单项计算,耐压力合格率为100%,其它项目的合格率分别为90%如出现不合格项目,应取备样复检1次,并以复检结果为准5.2.3  型式检验不合格,应分析原因,找出问题并落实措施,重新进行型式检验若再次型式检验不合格,产品停止出厂;待解决问题,型式检验合格后,方可恢复出厂检验5.3  出厂检验5.3.1  组批规则出厂检验批由同一型号的产品组成,批量由负责部门指定,在允许的情况下,应与生产方协商后确定。

5.3.2  抽样方案出厂检验按GB/T 2828.1的规定进行出厂检验的检验项目、不合格分类、试验方法、抽样方案类型、检验水平(IL)、接收质量限(AQL)按表3规定表3 检验项目不合格分类试验方法抽样方案类型检验水平(IL)接收质量限(AQL)囊体前端外径B4.1正常检验一次抽样S-44.0接口外径4.14.0接口内径4.14.0囊体后端外径4.14.0接口长度4.24.0总长度4.24.0密封球珠顶开力4.34.0抗漏性4.54.0净含量4.74.0墨水质量4.84.05.3.3  判定规则批质量的判定根据GB/T 2828.1,按单项不合格品百分数表示只有当产品达到规定的接收质量限时,该检验批才能判为合格出厂检验不合格批,应退回生产部门进行100%的整理和返工,整理和返工后可再次提交检验,对再次提交批应采用相应的加严检验抽样方案若再次提交批仍不合格,则该批产品不合格5.3.4  批检验后的处置出厂检验合格批产品应附有产品合格证或合格标志后方可出厂6  标志、包装、运输、贮存6.1  标志6.1.1  销售包装标志产品销售包装上应标明产品名称及商标、产品型号或规格、生产企业名称、地址、号码、生产日期、数量。

6.1.2  运输包装标志产品运输包装上应标明包装储运图示标志、包装箱外形尺寸及质量、出厂日期、内装产品数量、执行标准号运输包装上的图示标志应符合GB/T 191的规定6.2  包装6.2.1  销售包装和运输包装的包装材料应适应长途运输的需要6.2.2  销售包装和运输包装应完好、无破损6.3  运输6.3.1  产品经运输包装后,可使用常用的交通工具运输6.3.2  运输时应防止日晒雨淋,并防止与腐蚀气体或挥发性有机溶剂混杂堆放6.4  贮存产品应贮存于干燥并通风良好的仓库中,贮存温度0℃~40℃,相对湿度不大于80%。

下载提示
相似文档
正为您匹配相似的精品文档