文档详情

经纬仪的检验与校正记录表

工****
实名认证
店铺
DOC
80.50KB
约3页
文档ID:462069272
经纬仪的检验与校正记录表_第1页
1/3

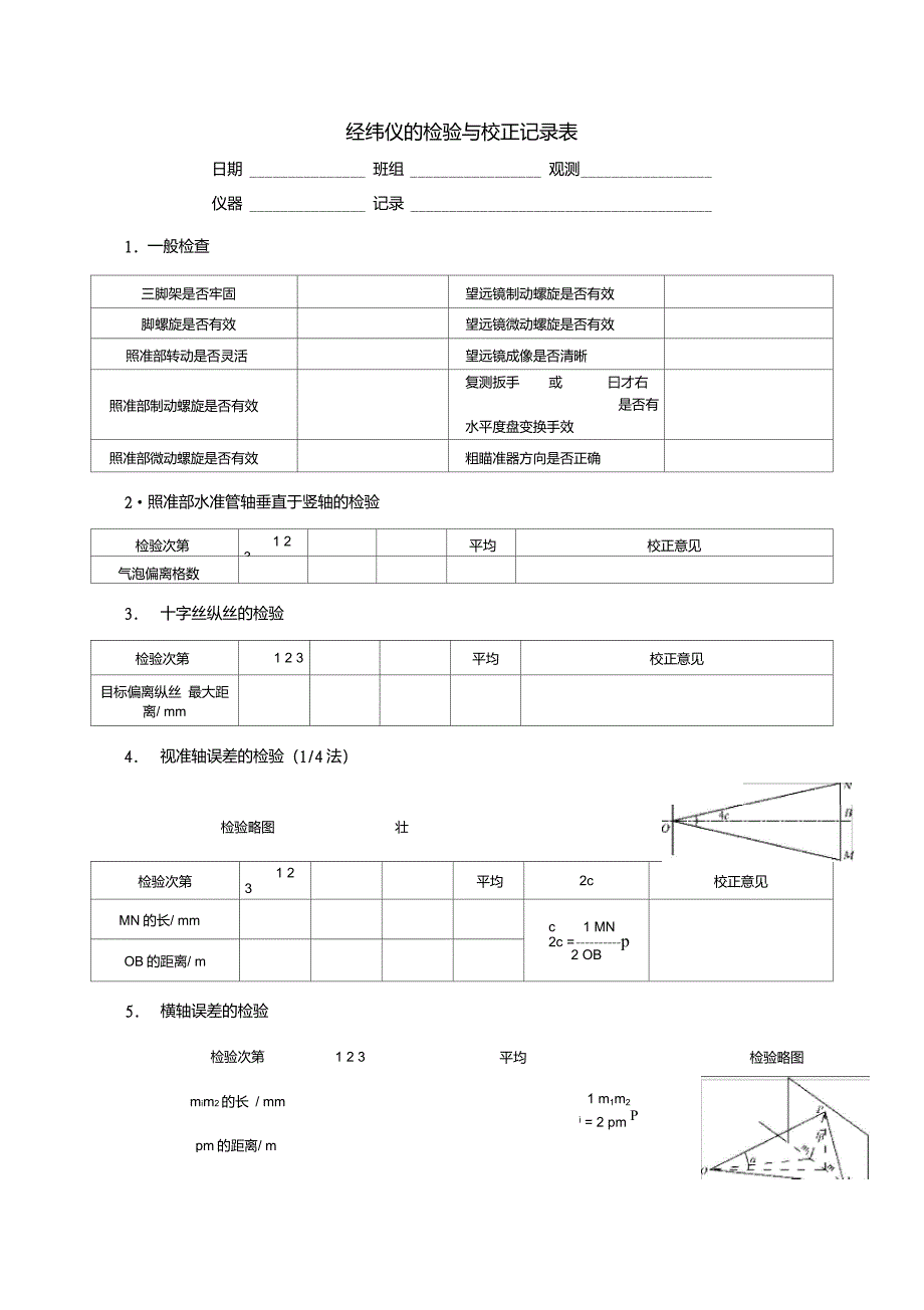
经纬仪的检验与校正记录表日期 班组 观测 仪器 记录 1. 一般检查三脚架是否牢固望远镜制动螺旋是否有效脚螺旋是否有效望远镜微动螺旋是否有效照准部转动是否灵活望远镜成像是否清晰照准部制动螺旋是否有效复测扳手 或 曰才右是否有水平度盘变换手效轮照准部微动螺旋是否有效粗瞄准器方向是否正确2•照准部水准管轴垂直于竖轴的检验检验次第1 2 3平均校正意见气泡偏离格数3. 十字丝纵丝的检验检验次第1 2 3平均校正意见目标偏离纵丝 最大距离/ mm4. 视准轴误差的检验(1/4法)检验略图 壮检验次第1 2 3平均2c校正意见MN的长/ mmc 1 MN2c = p2 OBOB的距离/ m5. 横轴误差的检验检验次第 1 2 3平均检验略图mim2 的长 / mm1 m1m2i = 2 pm Ppm的距离/ m校正意见6. 光学对中器的检验检验次第1 2 3平均校正意见旋转180 °后的偏距/ mm改变仪器高旋转 180 °后的偏距/ mm7. 竖盘指标差的检验照准点号盘左读数L(°盘右读数R(°x =」(L+ R- 360°2R'= R- x校正意见检验结论:校正后结论(供参考):该仪器的轴线关系已经过认真检验,对不满足要求的轴线关系已仔细作了校正。

校正后各项轴线关系均在限差要求以内,能满足作业要求,可以用于作业检校者(签名) 。

下载提示
相似文档
正为您匹配相似的精品文档