文档详情

喷药多旋翼无人机的详细介绍

壹****1
实名认证
店铺
DOCX
200.30KB
约3页
文档ID:532391328
喷药多旋翼无人机的详细介绍_第1页
1/3

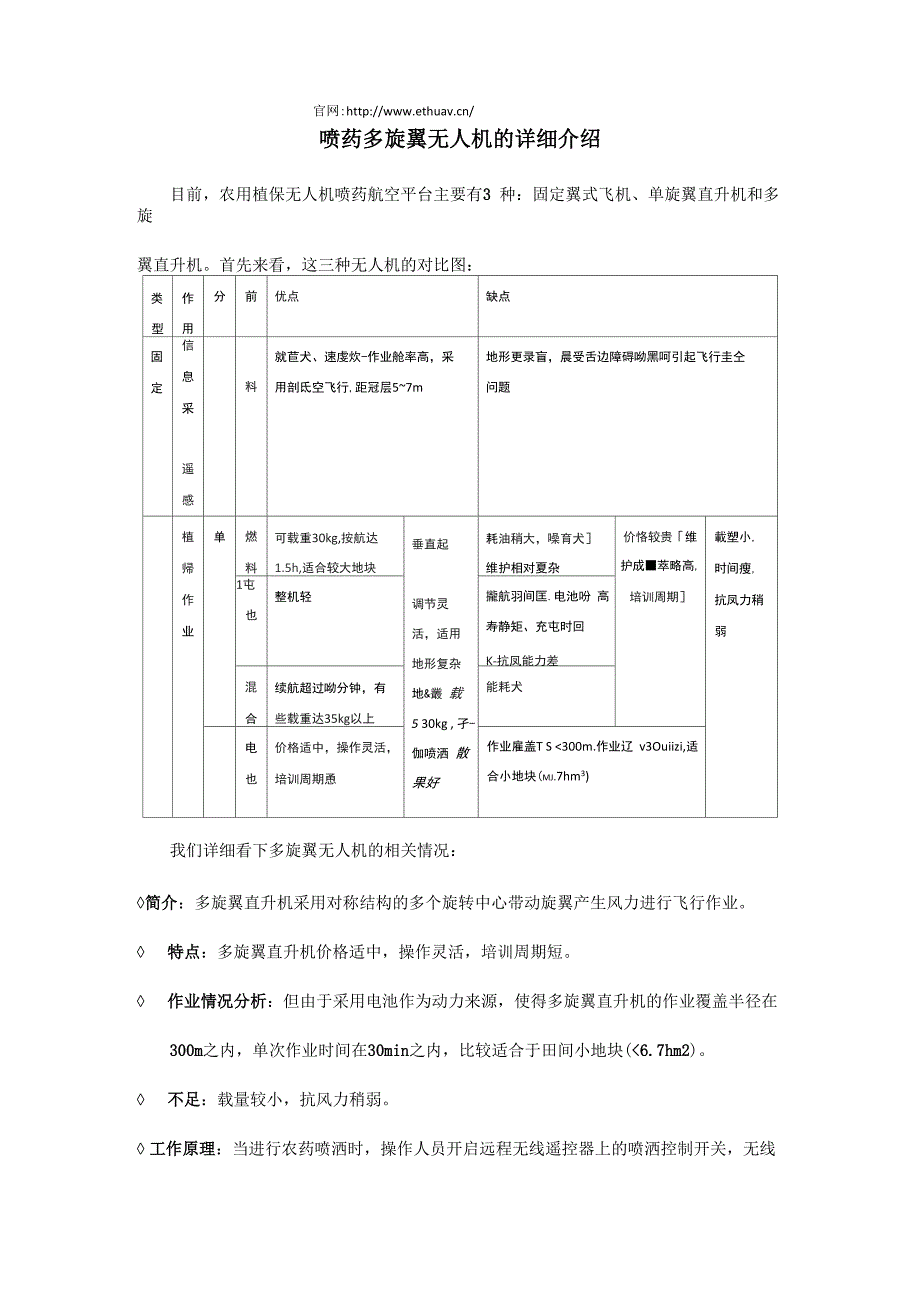
官网: 种:固定翼式飞机、单旋翼直升机和多旋翼直升机首先来看,这三种无人机的对比图:类型作用分前优点缺点固定信息采遥感料就苣犬、速虔炊-作业舱率高,采用剖氐空飞行,距冠层5~7m地形更录盲,晨受舌边障碍呦黑呵引起飞行圭仝问题植帰作业单燃料可载重30kg,按航达1.5h,适合较大地块垂直起调节灵 活,适用 地形复杂 地&叢 载5 30kg , 孑-伽喷洒 散果好耗油稍大,噪育犬]维护相对夏杂价恪较贵「维护成■萃略高, 培训周期]載塑小,时间瘦,抗凤力稍弱1屯也整机轻攏航羽间匡.电池吩 高寿静矩、充屯时回K-抗凤能力差混合续航超过呦分钟,有些载重达35kg以上能耗犬电也价格适中,操作灵活,培训周期恿作业雇盖T S <300m.作业辽 v3Ouiizi,适合小地块(mj.7hm3)我们详细看下多旋翼无人机的相关情况:◊简介:多旋翼直升机采用对称结构的多个旋转中心带动旋翼产生风力进行飞行作业◊ 特点:多旋翼直升机价格适中,操作灵活,培训周期短◊ 作业情况分析:但由于采用电池作为动力来源,使得多旋翼直升机的作业覆盖半径在300m之内,单次作业时间在30min之内,比较适合于田间小地块(<6.7hm2)。

◊ 不足:载量较小,抗风力稍弱◊ 工作原理:当进行农药喷洒时,操作人员开启远程无线遥控器上的喷洒控制开关,无线Q 亿天航植保无人机官网: 收到无线接收机传输过来的喷洒控制信号后,通过控制线对液泵进行PWM控制,通过 改变 PWM 的占空比(每个开关周期内,使液泵处于导通的时间比例)来改变液泵的工 作时长,从而改变农药喷洒流量,实现变量喷洒结构组成:多旋翼无人机主要由动力系统(包括:电 机、电池、电调和桨)、飞行器主体(包含:机架、起落架)和控制系统(包括:遥控器、接收机、飞行控制器)组成国内农用无人机研发始于2005 年,目前已有10 多家企业和科研单位研发生产农用无人机,并呈现快速增长的趋势农用航空施药机型以大型固定翼飞机为主,用于中国东北三 省、新疆、内蒙古等大面积的农垦地区; 以旋翼无人机为辅,用于中国南方丘陵、地形复杂 的山地地区所以来看,喷药多旋翼无人机这种比较适用于南方丘陵、地形复杂的山地地区亿天航新农号-10L是一种四旋翼电动植保无人机,无需专用起降机场,旋翼产生的向下气流有助于增加雾流对作物的穿透性,防治效果高,远距离遥控操作,喷洒作业人员避免了暴露于农药的危险,提高了喷洒作业安全性。

下载提示
相似文档
正为您匹配相似的精品文档