文档详情

CV客户投诉处理流程

人***
实名认证
店铺
DOC
97KB
约2页
文档ID:555879714
CV客户投诉处理流程_第1页
1/2

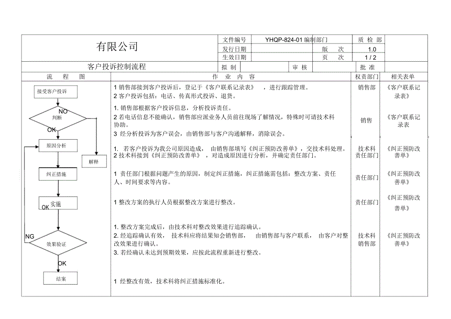
有限公司文件编号YHQP-824-01编制部门质 检 部发行日期版次1.0生效日期页次1 / 2客户投诉控制流程拟 制审 核批 准流程图作业 内 容权责部门相关表单接受客户投诉1 销售部接到客户投诉后,登记于《客户联系记录表》,进行跟踪管理销售部《客户联系记2 客户投诉包括:、形式投诉、退货录表》NO1. 销售部根据客户投诉信息,分析投诉责任2若信息不能确认,销售部应派业务人员前往现场了解情况,特殊时可请技术科《客户联系记判断销售协助录表OK3经分析投诉为客户误会,由销售部与客户沟通解释,消除误会原因分析1.若客户投诉为我公司原因造成, 由销售部填写《纠正预防改善单》,交技术科处理技术科《纠正预防改2 技术科接到《纠正预防改善单》 ,对造成原因进行分析,并确定责任部门责任部门善单》解释纠正措施1责任部门根据问题产生的原因,制定纠正措施,纠正措施需包括:整改方案、责任责任部门《纠正预防改人、时间要求等内容善单》OK实施1 整改方案的执行人员根据整改方案进行整改责任部门《纠正预防改善单》1. 整改方案完成后,由技术科对整改效果进行追踪确认NG2. 经追踪确认有效, 技术科应将结果知会销售部, 由销售部与客户联系, 由客户对整技术科《纠正预防改效果验证改效果进行确认。

销售部善单》3. 若经确认未达到预期效果,应按此流程重新进行整改OK结案1经整改有效,技术科将纠正措施标准化。

下载提示
相似文档
正为您匹配相似的精品文档