文档详情

代用料试料管理流程

飞***
实名认证
店铺
DOC
63.50KB
约4页
文档ID:32973360
代用料试料管理流程_第1页
1/4

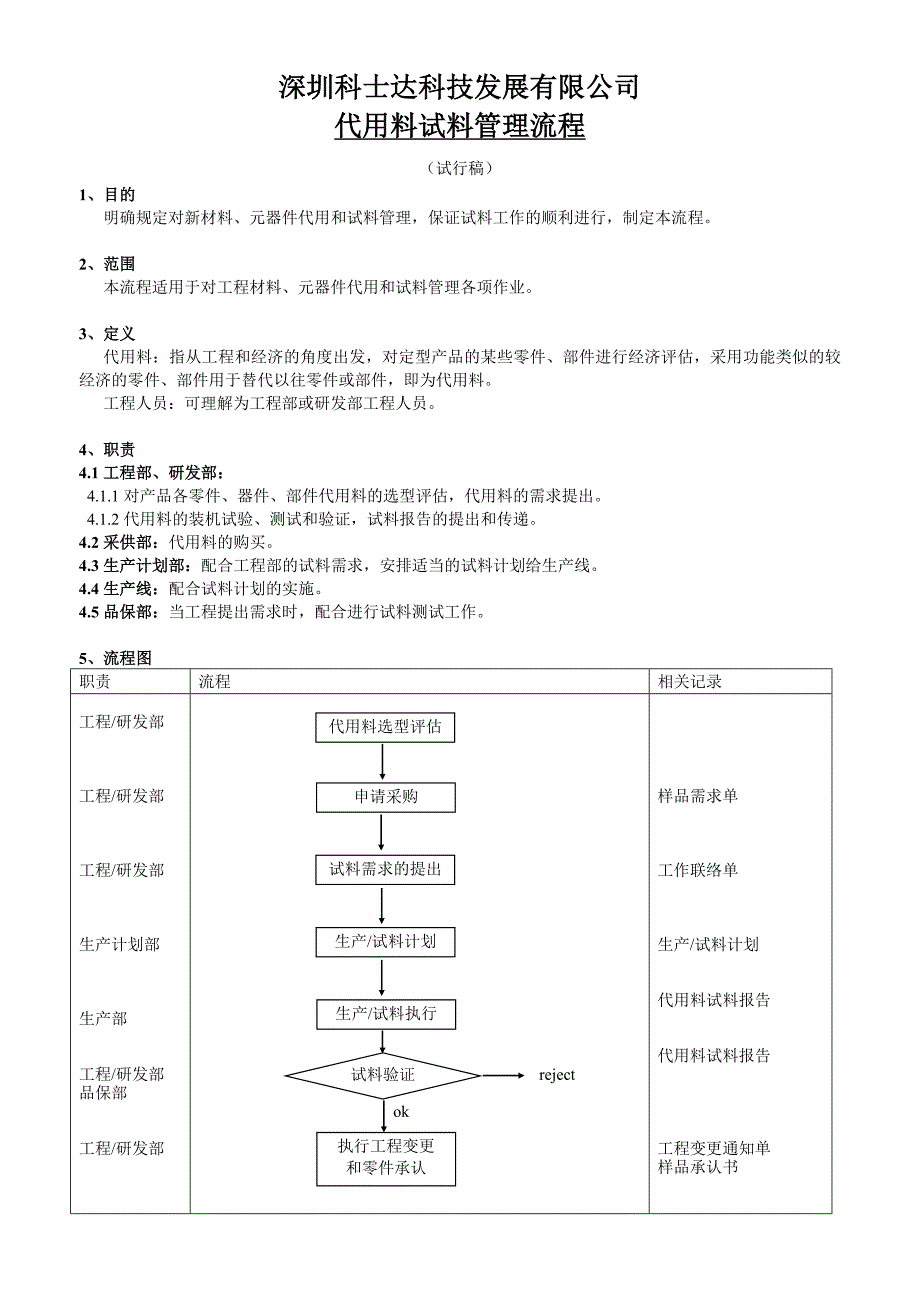
深圳科士达科技发展有限公司代用料试料管理流程(试行稿)1、目的明确规定对新材料、元器件代用和试料管理,保证试料工作的顺利进行,制定本流程2、范围本流程适用于对工程材料、元器件代用和试料管理各项作业3、定义代用料:指从工程和经济的角度出发,对定型产品的某些零件、部件进行经济评估,采用功能类似的较经济的零件、部件用于替代以往零件或部件,即为代用料工程人员:可理解为工程部或研发部工程人员4、职责4.1 工程部、研发部:4.1.1 对产品各零件、器件、部件代用料的选型评估,代用料的需求提出4.1.2 代用料的装机试验、测试和验证,试料报告的提出和传递4.2 采供部:代用料的购买4.3 生产计划部:配合工程部的试料需求,安排适当的试料计划给生产线4.4 生产线:配合试料计划的实施4.5 品保部:当工程提出需求时,配合进行试料测试工作5、流程图职责 流程 相关记录工程/研发部工程/研发部工程/研发部生产计划部生产部工程/研发部品保部工程/研发部rejectok样品需求单工作联络单生产/试料计划代用料试料报告代用料试料报告工程变更通知单样品承认书代用料选型评估试料验证申请采购试料需求的提出生产/试料计划生产/试料执行执行工程变更和零件承认6、流程说明6.1 代用料的选型和评估工程人员根据现行产品的设计规格、功能和性能分析,充分了解和掌握各零件、元器件、部件在整机中的功效,选择功能、性能接近或类似的材料,作为代用料选型的基础,在确定范围内结合市场行情(或咨同采购人员了解) ,基于经济、成本低的考量,圈定代用料选型标准。

6.2 经选型评估确定后,填写“样品需求单” ,报部门经理审批后,交采购开发部实施购买6.3 采供部根据“样品需求单”的要求,进行相应代用料的购买此类材料无需经过 IQC 检验,直接办理入库手续6.4 工程部(或研发部)根据试料需求,确定是否需要由生产线安排试料作业,如需要,则填写“工作联络单” ,详细描述试料案由,数量,时间需求,型号规格等交生产计划部进行排程的规划,由生产计划部将试料计划转化为“生产计划单”下给生产线 注:如果试料只需通过制作一台或几台样机来验证,且工程人员可自行制作时,不需通过计划部安排生产线制作,直接由工程人员安排制作6.5 生产线根据计划要求进行生产准备和安排上线制作6.6 工程部(或研发部)根据生产安排的情况,及时指派相应的工程人员到现场进行技术跟踪6.7 试料过程中产生的问题及相关处理结果由工程人员记录于“代用料试料报告”内6.8 对于试料完成的产品,工程人员应按原产品的测试项目和要求进行各种测试验证,将测试验证结果进行记录,用于评价代用料是否能满足原有的功能和性能要求如需要品保部进行测试配合时,以工作联络单的形式进行联处理6.9 代用料经装机、测试验证均符合要求后,工程人员将试验结果报告给部门经理,由部门经理综合评估其符合性及影响度后,最终做出是否通过的批示意见。

6.10 经批示通过的代用的材料、零件、元器件或部件,由工程部(或研发部)经理安排执行工程变更作业和零部件承认作业,具体依照《工程变更管理准则》和《零部件样品承认规范》实施6.11 如代用料经试料验证未能通过,则该试料案即行取消7、相关文件7.1 工程变更管理准则7.2 零部件样品承认规范8、相关记录8.1 样品需求单8.2 代用料试料报告深圳科士达科技发展有限公司样品需求单编号:提出人 部 门 提出日期样品名称 型号/规格 品牌要求 数量 使用机种/用途说明 需求日期 工程图/编号 (如有)特殊要求:部门经理 日期SZK-11-ZC-02B01B深圳科士达科技发展有限公司代用料试料报告编号:代用料名称 型号/规格 品牌使用机型 试料数量 日期代用目的试料情况及验证记录对工艺影响评估对外观影响情况功能影响评估关键特性验证情况对效率的影响评估其他试料情况总结:承办(工程人员)/日期:审批意见:□ 通过,可执行工程更改 □ 不通过□ 条件通过,说明: □ 其它:工程(研发)经理/日期:。

下载提示
相似文档
正为您匹配相似的精品文档