文档详情

各种mii详解

实名认证
店铺
PDF
186.80KB
约9页
文档ID:47265046
各种mii详解_第1页
1/9

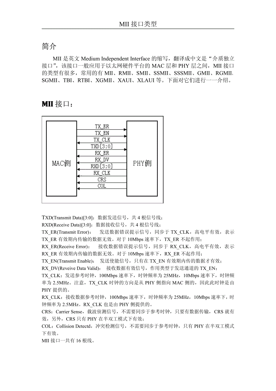
MII 接口类型简介简介MII 是英文 Medium Independent Interface 的缩写,翻译成中文是“介质独立 接口” ,该接口一般应用于以太网硬件平台的 MAC 层和 PHY 层之间,MII 接口 的类型有很多,常用的有 MII、RMII、SMII、SSMII、SSSMII、GMII、RGMII、 SGMII、TBI、RTBI、XGMII、XAUI、XLAUI 等下面对它们进行一一介绍MIIMIIMIIMII 接口:接口:TXD(Transmit Data)[3:0]:数据发送信号,共 4 根信号线; RXD(Receive Data)[3:0]:数据接收信号,共 4 根信号线; TX_ER(Transmit Error):发送数据错误提示信号,同步于 TX_CLK,高电平有效,表示 TX_ER 有效期内传输的数据无效对于 10Mbps 速率下,TX_ER 不起作用; RX_ER(Receive Error):接收数据错误提示信号,同步于 RX_CLK,高电平有效,表示 RX_ER 有效期内传输的数据无效对于 10Mbps 速率下,RX_ER 不起作用; TX_EN(Transmit Enable): 发送使能信号,只有在 TX_EN 有效期内传的数据才有效; RX_DV(Reveive Data Valid): 接收数据有效信号,作用类型于发送通道的 TX_EN; TX_CLK:发送参考时钟,100Mbps 速率下,时钟频率为 25MHz,10Mbps 速率下,时钟频 率为 2.5MHz。

注意,TX_CLK 时钟的方向是从 PHY 侧指向 MAC 侧的,因此此时钟是由 PHY 提供的 RX_CLK:接收数据参考时钟,100Mbps 速率下,时钟频率为 25MHz,10Mbps 速率下,时 钟频率为 2.5MHzRX_CLK 也是由 PHY 侧提供的 CRS:Carrier Sense,载波侦测信号,不需要同步于参考时钟,只要有数据传输,CRS 就有 效,另外,CRS 只有 PHY 在半双工模式下有效; COL:Collision Detectd,冲突检测信号,不需要同步于参考时钟,只有 PHY 在半双工模式 下有效 MII 接口一共有 16 根线MII 接口类型RMIIRMIIRMIIRMII 接口:接口:RMII 即 Reduced MII,是 MII 的简化板,连线数量由 MII 的 16 根减少为 8 根 TXD[1:0]:数据发送信号线,数据位宽为 2,是 MII 接口的一半; RXD[1:0]:数据接收信号线,数据位宽为 2,是 MII 接口的一半; TX_EN(Transmit Enable):数据发送使能信号,与 MII 接口中的该信号线功能一样; RX_ER(Receive Error):数据接收错误提示信号,与 MII 接口中的该信号线功能一样; CLK_REF:是由外部时钟源提供的 50MHz 参考时钟,与 MII 接口不同,MII 接口中的接收 时钟和发送时钟是分开的,而且都是由 PHY 芯片提供给 MAC 芯片的。

这里需要注意的是, 由于数据接收时钟是由外部晶振提供而不是由载波信号提取的,所以在 PHY 层芯片内的数 据接收部分需要设计一个 FIFO,用来协调两个不同的时钟,在发送接收的数据时提供缓冲 PHY 层芯片的发送部分则不需要 FIFO,它直接将接收到的数据发送到 MAC 就可以了 CRS_DV:此信号是由 MII 接口中的 RX_DV 和 CRS 两个信号合并而成当介质不空闲时, CRS_DV 和 RE_CLK 相异步的方式给出 当 CRS 比 RX_DV 早结束时(即载波消失而队列中 还有数据要传输时),就会出现 CRS_DV 在半位元组的边界以 25MHz/2.5MHz 的频率在 0、 1 之间的来回切换因此,MAC 能够从 CRS_DV 中精确的恢复出 RX_DV 和 CRS 在 100Mbps 速率时,TX/RX 每个时钟周期采样一个数据;在 10Mbps 速率时,TX/RX 每隔 10 个周期采样一个数据,因而 TX/RX 数据需要在数据线上保留 10 个周期,相当于一个数 据发送 10 次 当 PHY 层芯片收到有效的载波信号后,CRS_DV 信号变为有效,此时如果 FIFO 中还没有 数据,则它会发送出全 0 的数据给 MAC,然后当 FIFO 中填入有效的数据帧,数据帧的开 头是“101010---”交叉的前导码,当数据中出现“01”的比特时,代表正式数据传输开始, MAC 芯片检测到这一变化,从而开始接收数据。

当外部载波信号消失后, CRS_DV 会变为无效, 但如果 FIFO 中还有数据要发送时, CRS_DV 在下一周期又会变为有效,然后再无效再有效,直到 FIFO 中数据发送完为止在接收过程 中如果出现无效的载波信号或者无效的数据编码,则 RX_ER 会变为有效,表示物理层芯片 接收出错SMIISMIISMIISMII 接口:接口:MII 接口类型SMII 即 Serial MII,串行 MII 的意思,跟 RMII 相比,连线进一步减少到 4 根;TXD:发送数据信号,位宽为 1; RXD:接收数据信号,位宽为 1; SYNC:收发数据同步信号,每 10 个时钟周期置 1 次高电平,指示同步 CLK_REF:所有端口共用的一个参考时钟,频率为 125MHz,为什么 100Mbps 速率要用 125MHz 时钟?因为在每 8 位数据中会插入 2 位控制信号,请看下面介绍 TXD/RXD 以 10 比特为一组, 以 SYNC 为高电平来指示一组数据的开始, 在 SYNC 变高后 的 10 个时钟周期内,TXD 上依次输出的数据是:TXD[7:0]、TX_EN、TX_ER,控制信号 的含义与 MII 接口中的相同; RXD 上依次输出的数据是: RXD[7:0]、 RX_DV、 CRS, RXD[7:0] 的含义与 RX_DV 有关,当 RX_DV 为有效时(高电平),RXD[7:0]上传输的是物理层接收的数据。

当 RX_DV 为无效时(低电平),RXD[7:0]上传输的是物理层的状态信息数据见下表:当速率为 10Mbps 时,每一组数据要重复 10 次,MAC/PHY 芯片每 10 个周期采样一次 MAC/PHY 芯片在接收到数据后会进行串/并转换SSMIISSMIISSMIISSMII 接口:接口:SSMII 即 Serial Sync MII,叫串行同步接口,跟 SMII 接口很类似,只是收发使 用独立的参考时钟和同步时钟, 不再像 SMII那样收发共用参考时钟和同步时钟, 传输距离比 SMII 更远MII 接口类型SSSMIISSSMIISSSMIISSSMII 接口:接口:SSSMII 即 Source Sync Serial MII,叫源同步串行 MII 接口,SSSMII 与 SSMII 的 区别在于参考时钟和同步时钟的方向,SSMII 的 TX/RX 参考时钟和同步时钟都 是由 PHY 芯片提供的, 而 SSSMII 的 TX 参考时钟和同步时钟是由 MAC 芯片提 供的,RX 参考时钟和同步时钟是由 PHY 芯片提供的,所以顾名思义叫源同步 串行GMIIGMIIGMIIGMII 接口:接口:MII 接口类型与 MII 接口相比,GMII 的数据宽度由 4 位变为 8 位,GMII 接口中的控制 信号如 TX_ER、TX_EN、RX_ER、RX_DV、CRS 和 COL 的作用同 MII 接口中 的一样,发送参考时钟 GTX_CLK 和接收参考时钟 RX_CLK 的频率均为 125MHz(1000Mbps/8=125MHz)。

在这里有一点需要特别说明下, 那就是发送参考时钟 GTX_CLK, 它和 MII 接口中的TX_CLK是不同的, MII接口中的TX_CLK是由PHY 芯片提供给 MAC 芯片的,而 GMII 接口中的 GTX_CLK 是由 MAC 芯片提供给 PHY 芯片的两 者方向不一样 在实际应用中,绝大多数 GMII 接口都是兼容 MII 接口的,所以,一般的 GMII 接口都有两个发送参考时钟:TX_CLK 和 GTX_CLK(两者的方向是不一样 的,前面已经说过了),在用作 MII 模式时,使用 TX_CLK 和 8 根数据线中的 4 根RGMIIRGMIIRGMIIRGMII 接口:接口:RGMII 即 Reduced GMII,是 RGMII 的简化版本,将接口信号线数量从 24 根减少到 14 根(COL/CRS 端口状态指示信号,这里没有画出),时钟频率仍旧为 125MHz,TX/RX 数据宽度从 8 为变为 4 位,为了保持 1000Mbps 的传输速率不 变,RGMII 接口在时钟的上升沿和下降沿都采样数据在参考时钟的上升沿发 送 GMII 接口中的 TXD[3:0]/RXD[3:0],在参考时钟的下降沿发送 GMII 接口中 的 TXD[7:4]/RXD[7:4]。

RGMI 同时也兼容 100Mbps 和 10Mbps 两种速率,此时 参考时钟速率分别为 25MHz 和 2.5MHz TX_EN 信号线上传送 TX_EN 和 TX_ER 两种信息,在 TX_CLK 的上升沿 发送 TX_EN,下降沿发送 TX_ER;同样的,RX_DV 信号线上也传送 RX_DV 和 RX_ER 两种信息,在 RX_CLK 的上升沿发送 RX_DV,下降沿发送 RX_ERMII 接口类型SGMIISGMIISGMIISGMII 接口:接口:SGMII 即 Serial GMII,串行 GMII,收发各一对差分信号线,时钟频率 625MHz,在时钟信号的上升沿和下降沿均采样,参考时钟 RX_CLK 由 PHY 提 供,是可选的,主要用于 MAC 侧没有时钟的情况,一般情况下,RX_CLK 不使 用收发都可以从数据中恢复出时钟 在 TXD 发送的串行数据中, 每 8 比特数据会插入 TX_EN/TX_ER 两比特控 制信息,同样,在 RXD 接收数据中,每 8 比特数据会插入 RX_DV/RX_ER 两 比特控制信息,所以总的数据速率为 1.25Gbps=625Mbps*2. 其实, 大多数 MAC 芯片的 SGMII 接口都可以配置成 SerDes 接口(在物理上 完全兼容,只需配置寄存器即可),直接外接光模块,而不需要 PHY 层芯片, 此 时时钟速率仍旧是 625MHz,不过此时跟 SGMII 接口不同,SGMII 接口速率被 提高到 1.25Gbps 是因为插入了控制信息,而 SerDes 端口速率被提高是因为进行 了 8B/10B 变换,本来 8B/10B 变换是 PHY 芯片的工作,在 SerDes 接口中,因 为外面不接 PHY 芯片,此时 8B/10B 变换在 MAC 芯片中完成了。

8B/10B 变换 的主要作用是扰码,让信号中不出现过长的连“0”和连“1”情况,影响时钟信 息的提取,关于 8B/10B 变换知识,我后续会单独介绍MII 接口类型TBITBITBITBI 接口:接口:TBI 即 Ten Bit Interface 的意思,接口数据位宽由 GMII 接口的 8 位增加到 10 位,其实,TBI 接口跟 GMII 接口的差别不是很大,多出来的 2 位数据主要是 因为在 TBI 接口下,MAC 芯片在将数据发给 PHY 芯片之前进行了 8B/10B 变换 (8B/10B 变换本是在 PHY 芯片中完成的,前面已经说过了),另外,RX_CLK+/- 是从接收数据中恢复出来的半频时钟,频率为 62.5MHz,RX_CLK+/-不是差分 信号,而是两个独立的信号,两者之间有 180 度的相位差,在这两个时钟的上升 沿都采样数据RX_CLK+/-也叫伪差分信号除掉上面说到的之外,剩下的信号 都跟 GMII 接口中的。

下载提示
相似文档
正为您匹配相似的精品文档