文档详情

外墙EPS板保温系统施工工艺(含构造详图)

工****
实名认证
店铺
DOCX
202.85KB
约10页
文档ID:532721747
外墙EPS板保温系统施工工艺(含构造详图)_第1页
1/10

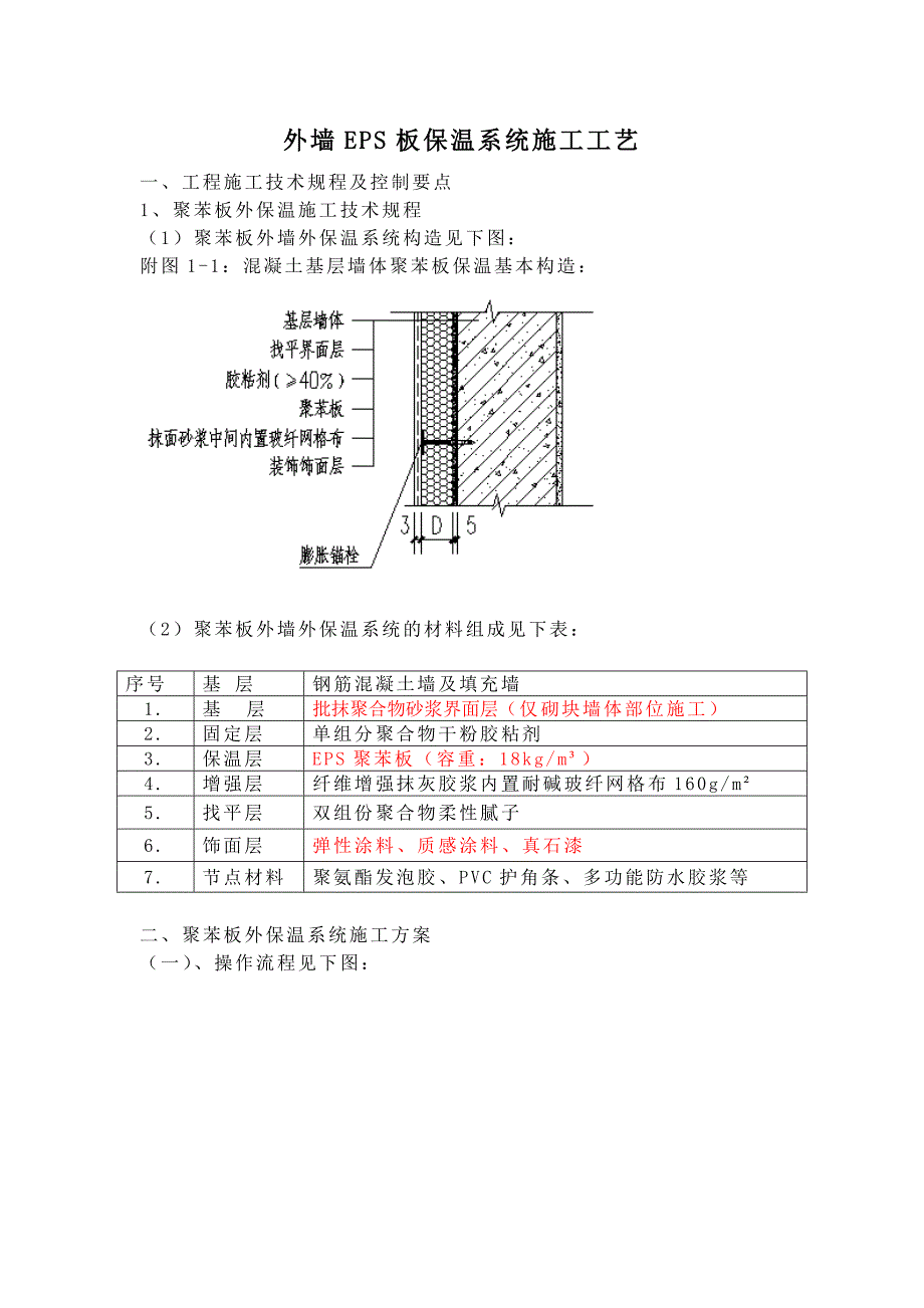
外墙EPS板保温系统施工工艺一、工程施工技术规程及控制要点1、聚苯板外保温施工技术规程(1)聚苯板外墙外保温系统构造见下图:附图1-1:混凝土基层墙体聚苯板保温基本构造:(2)聚苯板外墙外保温系统的材料组成见下表:序号基 层钢筋混凝土墙及填充墙1.基 层批抹聚合物砂浆界面层(仅砌块墙体部位施工)2.固定层单组分聚合物干粉胶粘剂3.保温层EPS聚苯板(容重:18kg/m³)4.增强层纤维增强抹灰胶浆内置耐碱玻纤网格布160g/m²5.找平层双组份聚合物柔性腻子6.饰面层弹性涂料、质感涂料、真石漆7.节点材料聚氨酯发泡胶、PVC护角条、多功能防水胶浆等二、聚苯板外保温系统施工方案(一)、操作流程见下图: (二)、EPS板保温系统控制要点1.对施工环境的要求●施工环境、基层及使用的材料的温度不低于+5Cº不应在强风环境中或夏季高温阳光直射时墙面上施工,以避免外墙外保温体系在施工过程中结皮而影响施工质量●对尚未硬化的材料,应避免雨水的冲刷,必要时应对施工中的墙面加以保护。

●在外墙外保温体系中应使用公司提供或指定的配套材料,以确保材料的相容性及整个体系的质量2.建筑物和外墙体的要求●墙体的湿度不应高于其与环境的平衡湿度●墙体表面不得有污迹灰尘污或油脂类物质●墙体应达到设计要求的强度,特别是墙体表面应具有足够的附着力(≥0.3N/mm²)●内墙抹灰砂浆、干粉砂浆地坪应在外保温体系施工前完成,并达到干燥硬化的要求●门窗框、水平设置的构件(如窗套预制窗套、穿墙管等),必须在外保温体系施工之前安装完毕,外墙面设置的护拦、固定管道、空调等外挂件所用的支架也应预先安装完毕●对所有水平方向的构件(如挑檐、窗台板、女儿墙压顶、固定外墙面构件用的支架等)都需预留外保温体系所需的施工厚度,并做相应的滴水槽(线)和防锈处理3、保温施工前条件●屋面防水施工完毕保护层施工完毕,所有出墙管安装完毕(空调出墙管、燃气不锈钢管、新风管等),所有预埋铁件完成(落水管管卡),小露台防水施工完毕,顶层与首层窗框安装完毕4、节点防水●根据节点图对窗口四周、空调板迎水面阴角、飘窗板迎水面阴角、顶层飘窗板、落水管及穿墙管等需防水处理位置进行防水处理●对于落水管及穿墙管等特殊易渗部位,管道周围保温板需满粘,周圈150mm范围内满刷防水胶浆行防水处理(见下图)。

穿墙管保温及防水构造 : 落水管保温及防水构造: 5.基层处理:外墙立面现场未粉刷抹灰,砌块墙体部位采用聚合物砂浆薄抹灰粉刷外墙立面清理干净,无污染物及其他影响铺贴施工物体并检查墙体垂直度、平整度,要求达到国家规范规定如有超出部分需修补整平6.挂通线、弹控制线●在建筑外墙大角(阳角、阴角)及其他必要处挂垂直基准钢线(不得采用铅丝),基准钢线之间挂水平线,以控制保温板粘贴的垂直度和平整度●根据建筑立面设计和外墙外保温技术要求,在墙面弹出外门窗水平、垂直控制线;聚苯板起贴控制线;伸缩缝、结构设有伸缩缝、沉降缝和防震缝处、预制墙板相接处、外保温系统与不同材料相接处、装饰缝线等7. 安装EPS保温板步骤一 聚合物干粉胶粘剂的配制● 在干净的塑料桶里倒入一定量的洁净水,采用手持式电动搅拌器边搅拌边加粉剂黏结剂,加水量约为粉剂的20-21%;充分搅拌5-7分钟,直到搅拌均匀,稠度适中(约110),放置5分钟熟化;使用时,再搅拌一下即可使用切记:搅拌充分,粘度确保刚粘贴上的EPS保温板不下垂,加水尽可能量少,不可加水过多;注意聚合物干粉胶粘剂只需加洁净水,不可加入其他添加料如:水泥、砂、防冻剂及其他异物;注意调好的粘结剂宜在2小时内用完;工作完毕,务必及时清洗干净工具。

隐检1:经验观察搅拌好粘结剂均匀、状态良好、新鲜、稠度适宜步骤二 翻包网格布及窗洞口加强网网格布翻包:在EPS保温板收口部位,如伸缩缝、结构设有伸缩缝、沉降缝和防震缝处、预制墙板相接处、外保温系统与不同材料相接处两侧等需预粘贴窄幅网格布,翻包部分宽度约100mm翻包网构造详见下图:隐检2:检查网格布翻包前先弹线标定位置,翻包符合规范要求步骤三 排板、选板、切板● 在粘贴聚苯板前应先进行排尺寸,上下错缝1/2板长,最短不得小于15cm● 在粘贴聚苯板前应进行选板,要求用EPS聚苯板厚度调整保温层的平整度● 聚苯板标准尺寸为1200×600㎜,对角线误差小于2㎜非标准按照实际需要尺寸加工,保温板切割采用密齿手锯切割,尺寸允许偏差±1.5㎜,大小面垂直聚苯板墙体排版详见下图:隐检4:保温板排板尺寸符合规范要求,上墙板最小宽度不小于20cm步骤四 EPS保温板粘贴:1):涂料面EPS板系统:●保温板点框法布胶:沿聚苯板周边用不锈钢抹子涂抹配置好的胶黏剂带(胶宽50mm,厚10mm)当采用标准尺寸聚苯板时,尚应在板面中间部位均匀布置8个粘结砂浆点,每点直径不小于140mm,胶厚10mm,中心距200mm。

当采用非标准尺寸的聚苯板时,板面中间部位涂抹的胶粘剂一般为4~6个点涂抹粘结砂浆面积不得小于板面积的40%.保温板点框法布胶构造详见下图:●聚苯板粘贴时,应严格控制粘贴方法、贴板的平整度和板缝间隙聚苯板涂胶后应及时粘贴,粘贴时应轻揉滑动就位,立即使用2米靠尺轻轻敲打、挤压板面,以保证板面平整度符合要求且黏结牢固,不得局部用力按压聚苯板碰头缝应挤紧,并与相邻板齐平,贴好后应立即刮除板缝和板侧面残留的粘结剂聚苯板的板缝不应大于2mm,板间高差不得大于1.0mm,板缝大于2mm时应用聚苯板条将缝塞满,板条不得粘结板间高差大于1.0mm的部位应打磨平整● 对平整度较差的部位,用不同厚度聚苯板调整平整度,严禁打磨;粘结面积大于40%,禁止虚粘隐检5:经验检查布胶规范、均匀,用量保证,保温板上布胶黏结状态良好;● 一般先从墙拐角(阳角)处粘贴,应先排好尺寸,切割保温板,使其粘贴时垂直交错连接,确保拐角处顺直、垂直● 在粘贴窗框四周的阳角和建筑阴阳角时,应弹好基准线,控制阴阳角水平、垂直● 对于基层平整度较差,应用粘贴不同厚度的保温板控制保温层的平整度禁止使用聚合物干粉胶粘剂厚度调整保温层的平整度● 窗洞口窗台部位聚苯板粘贴应作泛水坡度,坡度控制在5%。

● 与露台交接的墙体底部保温板粘贴:基层应作防水处理,墙体与露台保温板应连接隐检6:检查保温板整体上布局得当、规范,平整度符合要求,涂料面胶粘剂粘结面积大于40%,节点处理符合规范要求8、岩棉隔离带施工● 防火隔离带设置 济南龙湖西客站名景台一组团工程由于执行建筑节能65%的标准,防火要求执行公安部46号文件标准根据防火节能设计要求,应沿楼板位置设置宽度于300mm的A级岩棉带(容重:100kg/m³)保温材料作为防火隔离,于层间线下水平设置并交圈●防火隔离带设置数量要求(具体详见各单体设计):1)高度大于60m小于100m的建筑,每层设置一道水平防火隔离带;2)高度大于等于24m小于60m的建筑,每两层设置一道水平防火隔离带;3)高度小于24m的建筑,每三层设置一道水平防火隔离带;●岩棉板粘结之前应双面涂刷界面剂,以提高岩棉与基层墙体的粘结力;●防火隔离带通常为水平方向设置,防火隔离带位置应设置在窗口上方,防火隔离带距离窗洞口上沿口不宜超过500mm;●防火隔离带保温层施工应与外墙保温系统保温层一起自下而上按顺序进行,不宜先在外墙保温层中预留位置,然后在粘贴防火隔离带保温板;●粘贴保温板防火隔离带保温板与外墙外保温系统保温板之间应拼接紧密,宽度超过2mm缝隙应采用阻燃型发泡聚氨酯填塞;●岩棉板采用满粘法,胶粘剂的涂抹面积与聚苯板面积之比不得小于80%;●当采用粘结岩棉防火隔离带时,防火隔离带应与基层墙体满粘并应使用锚栓辅助联结,锚栓距离在岩棉防火隔离带上下边缘50mm处双道间隔500mm设置,锚栓扩压盘直径不应小于50mm,防止与外墙保温系统导热系数不同而产生开裂现象;●在岩棉防火隔离带位置还应加铺玻纤网格布,玻纤网格布应先于大面玻纤网格布铺设,上下超出防火隔离带宽度应不小于100mm,大面玻纤网格布的上下方如有搭接,搭接位置距离防火隔离带应不小于200mm,具体见下附图:●防火隔离带抹面层和外墙外保温系统抹面层宜为同一材料,同时施工制作,并应将保温材料和锚栓完全覆盖,防火隔离带抹面层厚度不应小于5mm。

9.锚栓固定●涂料面锚钉设置原则如下:大面打4个锚栓;在距洞口、阳角60cm处加密;锚固深度不小于50mm;单个锚栓抗拉承载力标准值不小于0.3KN.●盘形锚钉的安装应在聚苯板刚粘贴完成后进行,要求湿碰湿的安装,禁止在聚合物干粉胶粘剂初凝过程中安装锚钉;锚盘低于保温完成面0-2mm;●在钻孔部位应选择在板缝之间布胶的部位,先用电锤钻孔,然后将盘形锚栓轻轻敲以达到与保温板面平齐,再将锚钉轻轻敲入;隐检7:盘形锚钉安装的部位准确,锚盘低于保温完成面0-2mm膨胀锚栓布置示意见下图:10.第一遍纤维增强层施工步骤一 纤维增强抹灰胶浆制备●在干净的塑料桶里倒入一定量的洁净水,采用手持式电动搅拌器边搅拌边加粉剂纤维增强抹灰胶浆,加水量约为粉剂的21-22%;充分搅拌5-7分钟,直到搅拌均匀,稠度适中,放置5分钟熟化;使用时,再搅拌一下即可使用切记:搅拌应充分;注意纤维增强抹灰胶浆只需加洁净水,不可加入其他添加料如:水泥、砂、防冻剂及其他异物;注意调好的砂浆宜在2小时内用完;工作完毕,务必及时清洗步骤二、纤维增强抹灰胶浆内置网格布●应预先对于门、窗洞口内侧周边与大墙面形成45°阳角部分处理:在此处的阳角部分各加一层300mm×200mm网格布进行加强。

●应预先对阴阳角及其他洞口先用玻纤刚包角、作加强处理,大面墙网格布在阴阳角部位断开,在门窗洞口部位应覆贴至门窗框部位 ●将制备好的纤维增强抹灰胶浆均匀地涂抹在保温板上,厚度约2mm注意:确保胶浆与保温板黏结良好,或者采用镘刀在上面来回拉涂,分配物料并保证粘结良好●埋填网格布:紧接着将裁剪好的网格布铺展在砂浆上,用抹刀边缘线压固定,然后将纤维增强抹灰胶浆网格布均匀抹平整,注意:确保砂浆料涂抹均匀,并保证整体面的平整度符合要求●大面积网格布埋填:沿水平方向将网格布绷直绷平,并将弯曲的一面朝里,用抹刀边缘线压铺展固定,然后由中间向上下、左右方向将聚合物砂浆抹平整,确保砂浆紧贴网格布黏结网格布左右搭接宽度不小于100mm,上下搭接宽度不小于80mm,局部搭接处可用聚合物改性砂浆补充原砂浆不足处,不得使网格布皱褶、空鼓、翘边隐检8:整体抹面好;网格布埋填规范,无不良迹象;平整度符合要求;砂浆固化良好11.第二遍纤维增强抹面施工●第一遍纤维增强抹灰胶浆固化后,进行第二遍抹灰胶浆的施工,抹灰厚度1mm护面层胶浆要求总厚度≥3mm隐检10:用2米靠。

下载提示
相似文档
正为您匹配相似的精品文档