文档详情

电线电缆穿管工程检验批施工质量验收记录.doc

cl****1
实名认证
店铺
DOC
60.50KB
约4页
文档ID:454378088
电线电缆穿管工程检验批施工质量验收记录.doc_第1页
1/4

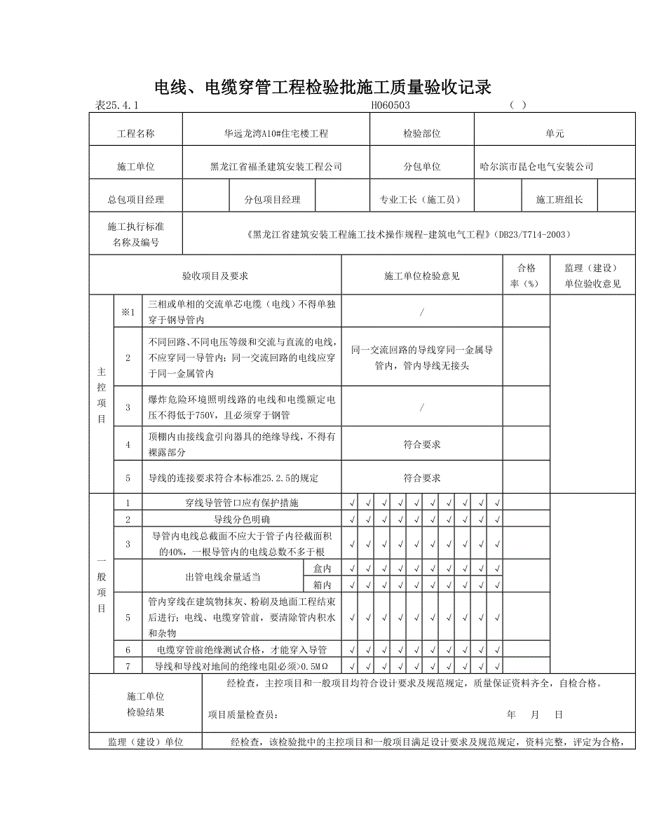
电线、电缆穿管工程检验批施工质量验收记录表25.4.1 H060503 ( )工程名称华远龙湾A10#住宅楼工程检验部位单元施工单位黑龙江省福圣建筑安装工程公司分包单位哈尔滨市昆仑电气安装公司总包项目经理分包项目经理专业工长(施工员)施工班组长施工执行标准名称及编号《黑龙江省建筑安装工程施工技术操作规程-建筑电气工程》(DB23/T714-2003)验收项目及要求施工单位检验意见合格率(%)监理(建设)单位验收意见主控项目※1三相或单相的交流单芯电缆(电线)不得单独穿于钢导管内/2不同回路、不同电压等级和交流与直流的电线,不应穿同一导管内;同一交流回路的电线应穿于同一金属管内同一交流回路的导线穿同一金属导管内,管内导线无接头3爆炸危险环境照明线路的电线和电缆额定电压不得低于750V,且必须穿于钢管/4顶棚内由接线盒引向器具的绝缘导线,不得有裸露部分符合要求5导线的连接要求符合本标准25.2.5的规定符合要求一般项目1穿线导管管口应有保护措施√√√√√√√√√√2导线分色明确√√√√√√√√√√3导管内电线总截面不应大于管子内径截面积的40%,一根导管内的电线总数不多于根√√√√√√√√√√出管电线余量适当盒内√√√√√√√√√√箱内√√√√√√√√√√5管内穿线在建筑物抹灰、粉刷及地面工程结束后进行;电线、电缆穿管前,要清除管内积水和杂物√√√√√√√√√√6电缆穿管前绝缘测试合格,才能穿入导管√√√√√√√√√√7导线和导线对地间的绝缘电阻必须>0.5MΩ√√√√√√√√√√施工单位检验结果经检查,主控项目和一般项目均符合设计要求及规范规定,质量保证资料齐全,自检合格。

项目质量检查员: 年 月 日监理(建设)单位经检查,该检验批中的主控项目和一般项目满足设计要求及规范规定,资料完整,评定为合格,可进入下道工序验收结论监理工程师(建设单位项目技术负责人): 年 月 日金属、非金属柔性导管暗敷设工程检验批施工质量验收表23.4.1 H060502 ( )E工程名称华远龙湾A18#住宅楼工程检验部位七层施工单位黑龙江省福圣建筑安装工程公司分包单位哈尔滨市昆仑电气安装公司总包项目经理分包项目经理专业工长(施工员)施工班组长施工执行标准名称及编号《黑龙江省建筑安装工程施工技术操作规程-建筑电气工程》(DB23/T714-2003)验收项目及要求施工单位检验意见合格率(%)监理(建设)单位验收意见主控项目1金属柔性导管必须与PE或(PEN)线可靠连接,且不能做PE或PEN线的连续导体符合要求2金属柔性导管严禁熔焊跨接接地线,以专用≥4mm2黄绿相间色的铜芯线接地卡连接/符合要求3顶棚内由接线盒引向器具,柔性导管应连接到位,严禁电线有裸露部分符合要求一般项目1金属软管不退纹、松散、中间无接头√√√√√√√√√√2管与设备、器械具间的连接使用专用接头√√√√√√√√√√3复合型柔性导管的连接处密封良好√√√√√√√√√√4柔性导管在建筑物变形缝处应设补偿装置√√√√√√√√√√5柔性导管敷设,动力工程中≤0.8m,照明工程中≤1.2m√√√√√√√√√√施工单位检验结果经检查,主控项目和一般项目均符合设计要求及规范规定,质量保证资料齐全,自检合格。

项目质量检查员: 年 月 日监理(建设)单位验收结论经检查,该检验批中的主控项目和一般项目满足设计要求及规范规定,资料完整,评定为合格,可进入下道工序监理工程师(建设单位项目技术负责人): 年 月 日 (注:文件素材和资料部分来自网络,供参考请预览后才下载,期待你的好评与关注。

下载提示
相似文档
正为您匹配相似的精品文档