文档详情

无侧限抗压强度

博****1
实名认证
店铺
DOCX
22.09KB
约3页
文档ID:484983557
无侧限抗压强度_第1页
1/3

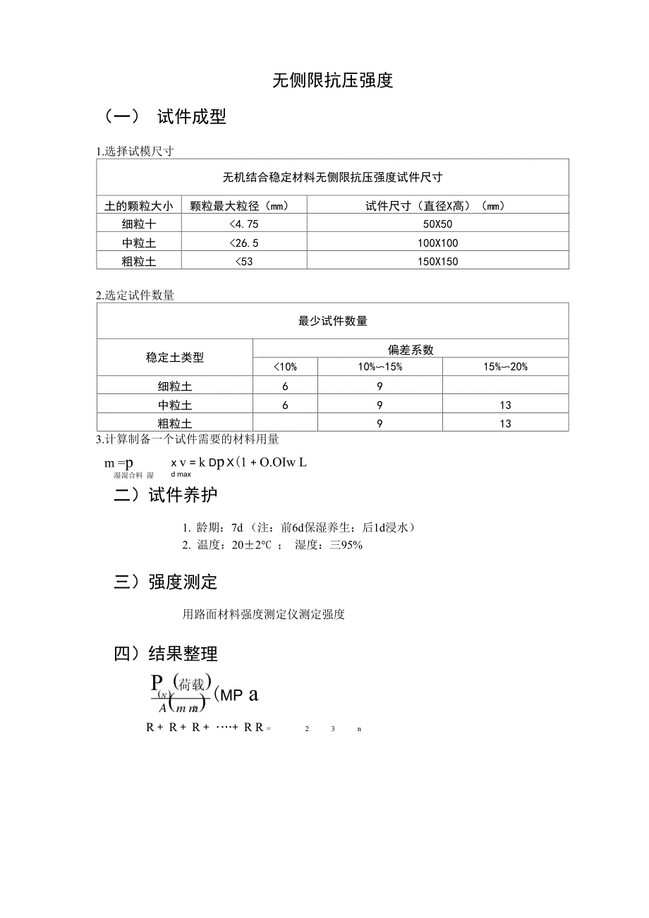
无侧限抗压强度(一) 试件成型1.选择试模尺寸无机结合稳定材料无侧限抗压强度试件尺寸土的颗粒大小颗粒最大粒径(mm)试件尺寸(直径X高)(mm)细粒十<4.7550X50中粒土<26.5100X100粗粒土<53150X1502.选定试件数量最少试件数量稳定土类型偏差系数<10%10%〜15%15%〜20%细粒土69中粒土6913粗粒土9133.计算制备一个试件需要的材料用量m =p湿混合料 湿x v = k Dp X(1 + O.OIw Ld max二)试件养护1. 龄期:7d (注:前6d保湿养生;后1d浸水)2. 温度:20±2°C ; 湿度:三95%三)强度测定用路面材料强度测定仪测定强度四)结果整理P(mp aR + R + R + •…+ R R = 2 3 nS (总体标准差 )S (样本标准差 ) n-1S偏差系数C二=X100%v RR (设计强度) 若R,亠1 - Z x CavZ —— 1.645 高速公路(一级)aZ —— 1.282 其它公路a。

下载提示
相似文档
正为您匹配相似的精品文档