文档详情

实验室检测能力确认表

M****1
实名认证
店铺
DOCX
59.84KB
约30页
文档ID:449645184
实验室检测能力确认表_第1页
1/30

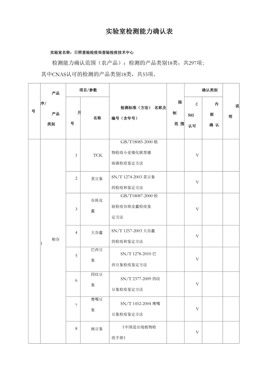
实验室检测能力确认表实验室名称:日照查验检疫局查验检疫技术中心检测能力确认范围(农产品):检测的产品类别18类,共297项;其中CNAS认可的检测的产品类别18类,共53项号产品序/产品类别项目/参数检测标准(方法) 名称及编号(含年号)限制范 围确认类别说明月号名称CNAS认可内部确 认粮谷11TCKGB/T18085-2000 植物检疫小麦矮化腥黑穗病菌检疫鉴定方法V2菜豆象SN/T 1274-2003 菜豆象的检疫和鉴定方法V3谷斑皮蠹GB/T18087-2000 检验检疫谷斑皮蠹检疫鉴定方法V4大谷蠹SN/T 1257-2003 大谷蠹的检疫和鉴定方法V5巴西豆象SN/T 1278-2010 巴西豆象检疫鉴定方法V6四纹豆象SN/T 2377-2009 四纹豆象检疫鉴定方法V7鹰嘴豆象SN/T 1452-2004 鹰嘴豆象检疫鉴定方法V8豌豆象《中国进出境植物检疫手册》V9绿豆象《中国进出境植物检疫手册》V1假高梁SN/T 1362-2004 假高粱检疫鉴定方法V1主主 毒麦SN/T 1154-2002 植物检疫毒麦检疫鉴定方 法V1豚草属SN/T 2373-2009 豚草属检疫鉴定方法V1a-六六六V1。

八八/'V1丫-八八/、(林丹)V1b-/、/、/、SN 0135-92 出口粮V1pp,-DDE谷中/、、/、、/、、、滴滴涕、七 氯、艾氏剂残留量检验方V1op,-DDT法V1PP,-DDDV2PP,-DDTV2艾氏剂V2马拉硫磷GB/T 19649-2006 粮谷中475种农药及相关化V23甲胺磷学品残留量的测定气相色谱-质谱法V24敌敌畏V25倍硫磷V木质2包装26松材线虫SN/T 1132-2002 松材线虫检疫鉴定方法V食品327细菌总数SN 0168-92 出 口食品平板菌落计数V28大肠菌群SN/T0169-2010出口食品大肠菌群、粪大肠菌群、大肠杆菌属检验方法V29粪大肠菌群SN/T 0169-2010 进出 口食品大肠菌群、粪大肠 菌群、大肠杆菌属检验方 法V30大肠杆菌SN/T0169-2010进出口 食品大肠菌群、粪大肠菌 群、大肠杆菌属检验方法V31沙门氏菌SN0170-92出口食品沙门氏菌属检验方法V32金色葡萄球菌SN/T0172-2010出口食品中金色葡萄球菌检验方 法V33单增李 斯特菌SN/进出口食品中单核细胞增生李斯特氏菌检验 方法V34大肠杆菌 0157:H7SN/T0973-2010 进出 口肉制品及其他食品中 肠出血性大肠杆菌 O157:H7检测方法V35副溶血 性弧菌SN/T 0173-2010 进出口食品中副溶血性弧菌检验方法V36霍乱弧菌SN/T 1022-2010 进出口食品中霍乱弧菌检验方法V37创伤弧菌156食品中致病性弧菌种的检测和计数V38溶藻弧菌V39寄生虫卵SN/T1908-2007 泡菜等植物源性食品中寄生虫卵的分离及鉴定方法V40弯曲杆菌SN/T 0175-2010 进出口食品中弯曲杆菌检验方 法V41亚硫酸盐GB/T食品中亚硫酸盐的测定只用第一法V42苏丹红GB/T 19681-2005 食品中苏丹红染料的检测方法高效液相色谱法V43苯甲酸GB/T 23495-2009 食 品中苯甲酸、山梨酸和糖 精钠的测定高效液相色 谱法V44山梨酸GB/T 23495-2009 食 品中苯甲酸、山梨酸和糖 精钠的测定高效液相色 谱法V45糖精钠GB/T 23495-2009 食 品中苯甲酸、山梨酸和糖 精钠的测定高效液相色 谱法V46甜蜜素SN/T 1948-2007 进出口食品中环己基氨基 磺酸钠的检测方法液相 色谱-质谱/质谱法V47BHAGBT 23373-2009 食V48BHT品中抗氧化剂丁基羟基茴香醚(BHA)、二丁基羟基甲苯(BHT)与特丁基对苯二酚(TBHQ)的测定V49TBHQV50铅GB/T食品中铅的测定(只用第一法)只用第一法V51镉GB/T食品中镉的测定只用第 一法V52总汞GB/T食品中总汞及有机汞的测定只用第一法V53总神GB/T食品中总神及无机神的测定只用第 一法V54铜GB/T食品中铜的测定只用第 一法V55铬GB/食品中铬的测定只用第 一法V粮谷、4饲料56水份SN/T进出口粮食、饲料水分及挥发物检验方法SN/T进出口油料水分及挥发物检验方法GB/T油料水分及挥发物含量测定GB/T5497-85 粮食、油料检验水分测定法V57蛋白质SN/T进出口粮食、饲料 粗蛋白质检验方法GB食品安全国家标准食品中蛋白质的测GB/T5511-2008 谷物和豆类氮含量测定和粗 蛋白质含量计算凯氏法V58脂肪(含油量)SN/T进出口粮食、 饲料粗脂肪检验方法GB/T食品中脂肪的测定GB/T5512-2008 粮油检验粮食中粗脂肪含量 测定V59灰分GB/T 6438-2007 饲料中粗灰分的测定SN/T进出口粮食、饲料、灰分含量检验方法GB —2010食品中灰分的测定方法GB/T 9824-2008 油料饼粕中总灰分的测定V60杂质SN/T 0798-1999 进出口粮油、饲料检验GB/T 5494-2008 粮油检验粮食、油料的杂质、不完善粒检验V61破碎粒SN/T进出口油料不完善粒检验方法GB/T 5494-2008 粮油检验粮食、油料的杂质、不完善粒检验V62损伤粒V63热损粒V64变色粒V65淀粉SN/T进出口粮食、饲料淀粉含量检验方法GB/食品中淀粉的测定GB/T5514-2008 粮油检验粮食油料中淀粉含 量测定V66粗纤维含量SN/T进出口粮食、饲料粗纤维含量检验方法V67含砂量GB/T 5508-85 粮食、油料检验粉类含砂量测 定法Vc 油脂568酸价(酸值)SN/T进出口动植物 油脂游离脂肪酸和酸价 检验方法GB/T 5530-2005 动 植物油脂酸值和酸度测 定V69过氧化值SN/T进出口动植物 油脂过氧化值检验方法 GB/T 5538-2005 动植物 油脂过氧化值测定V70熔点SN/T进出口动植物 油脂熔点检验方法GB/T 5536-85 植物油脂检验熔点测定法V71比重SN/T进出口动植物 油脂比重检验方法GB/T 5526-85 植物 油脂检验比重测定法V72色泽SN/T进出口动植物 油脂色泽检验方法GB/T 22460-2008 动植物油脂罗维朋色泽的 测定V73不皂化物SN/T进出口动植物 油脂不皂化物检验方法 GB/T 5535-2008 动植物 油脂不皂化物测定V74皂化值GB/T 5534-2008 动植物油脂皂化值的测定V75水分及挥发物SN/T进出口动植物 油脂水分及挥发物检验 方法GB/T 5528-2008 动植 物油脂水分及挥发物含 量测定V76游离脂肪酸(酸度)SN/T进出口动植物 油脂游离脂肪酸和酸价 检验方法GB/T 5530-2005 动 植物油脂酸值和酸度测 定V77碘值GB/T 5532-2008 动植物油脂碘值的测定V7不溶性杂质SN/T 进出口动植物油脂不溶性杂质检验方法GB/T 15688-2008 动植物油脂不溶性杂质含量的测定V6 蜂蜜7色泽SN/T0852-2000 进出口蜂蜜检验方法V8水分V8淀粉酶值V8羟甲基糠醛V8还原糖V8蔗糖V8葡萄糖V8果糖V8果糖占还原糖V8酸度V食品7添加剂8含量GB/T 8269-2006 柠檬 酸GB1987-2007 食品添 加剂柠檬酸BP93,BP98英国药典V9水分V9硫酸灰分V9重金属V9易碳化合物V9草酸盐V。

下载提示
相似文档
正为您匹配相似的精品文档