文档详情

土建地工程量计算规则及案例

桔****
实名认证
店铺
DOC
620.50KB
约41页
文档ID:458482117
土建地工程量计算规则及案例_第1页
1/41

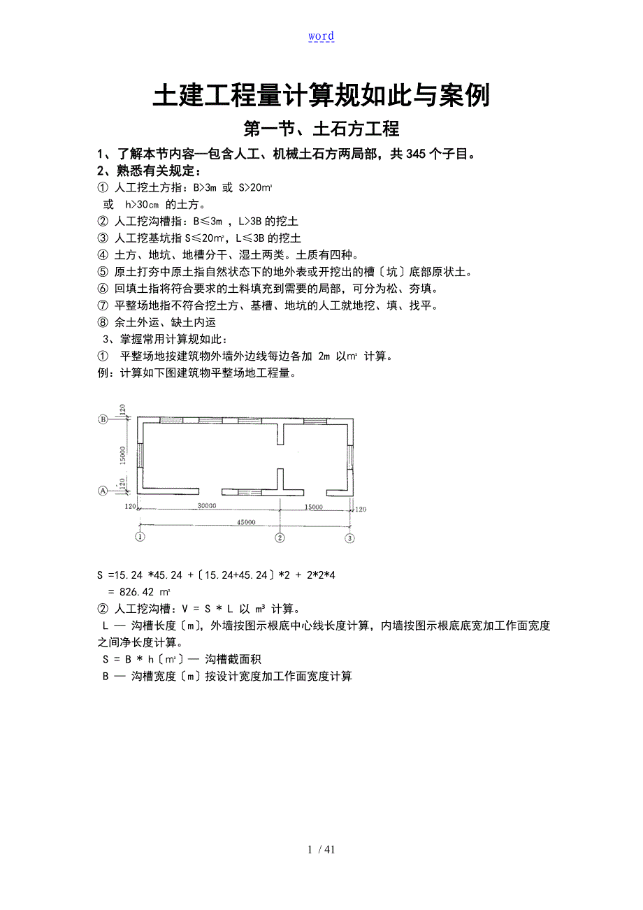
word土建工程量计算规如此与案例第一节、土石方工程1、了解本节内容—包含人工、机械土石方两局部,共345个子目2、熟悉有关规定:① 人工挖土方指:B>3m 或 S>20㎡ 或 h>30㎝ 的土方② 人工挖沟槽指:B≤3m ,L>3B的挖土③ 人工挖基坑指S≤20㎡,L≤3B的挖土④ 土方、地坑、地槽分干、湿土两类土质有四种⑤ 原土打夯中原土指自然状态下的地外表或开挖出的槽〔坑〕底部原状土⑥ 回填土指将符合要求的土料填充到需要的局部,可分为松、夯填⑦ 平整场地指不符合挖土方、基槽、地坑的人工就地挖、填、找平⑧ 余土外运、缺土内运 3、掌握常用计算规如此:① 平整场地按建筑物外墙外边线每边各加 2m 以㎡ 计算例:计算如下图建筑物平整场地工程量S =15.24 *45.24 +〔15.24+45.24〕*2 + 2*2*4 = 826.42 ㎡② 人工挖沟槽:V = S * L 以 m³ 计算 L — 沟槽长度〔m〕,外墙按图示根底中心线长度计算,内墙按图示根底底宽加工作面宽度之间净长度计算 S = B * h〔㎡〕— 沟槽截面积 B — 沟槽宽度〔m〕按设计宽度加工作面宽度计算 C — 工作面宽度 ,砖根底每边:200㎜ ,混凝土 根底每边: 300㎜ h — 挖土高度,自垫层下外表至设计室外地坪标高。

③ 人工挖基坑:按基坑体积计算长方体V =abh 倒圆台 = h/3 h( R²+ r² +rR)倒棱台 = h/6 [AB + (A+a)(B+b) + ab]④ 回填土按体积计算基槽、坑回填土体积 = 挖土体积 - 设计室外地坪以下埋设的体积〔包括根底垫层、柱、墙根底与柱等〕室内回填土体积按主墙间净面积乘填土厚度计算,不扣除附垛与附墙烟囱等体积⑤ 运土工程量 = 挖土工程量 – 回填土工程量 计算结果是 + ,表示 余土外运 - ,表示 缺土内运 4、工程量计算实例:例 1: 某建筑物的根底图如下,图中轴线为墙中心线,墙体为普通黏土实心一砖墙,室外地面标高为³求该根底挖地槽、回填土的工程量〔Ⅲ类干土〕 解:h = 2.5 — 0.2 = 2.3 m > 1.5 m 所以,要放坡开挖断面上宽度 B = a + 2c + 2kh = 2.618 m开挖断面下宽度 b = a + 2c = 0.7 + 2 * 0.2 = 1.1 m沟槽断面积 S = 〔B + b〕 * h ÷2÷2 = 4.2757 m² 外墙沟槽长度 = 〔8 + 6〕 * 2 =28 m内墙沟槽长度 = 6 - 〔0.24 + 2 * 0.0625 + 2 * 0.2〕= 5.235 m挖基槽 V = S * L = 4.2757 * 〔28 + 5.235〕 = 142.10 m³ 回填土 V = 挖沟槽体积 – 埋设的根底体积 = 142.10 – = 119.87 m³例 2:某建筑物的根底图如下,图中轴线为墙中心线,墙体为普通黏土实心一砖墙,室外地面标高为 -0.3m ,求该根底人工挖土的工程量〔 Ⅲ类干土〕 解: h =2.5+0.1 – 0.3 = 2.3 m >1.5 m 放坡 k = 0.33 c = 300 mm (1) 基坑挖土计算 J—1 开挖断面上底宽 b = a + 2c +2kh开挖断面下底宽 B= a + 2c =1.8+ 2*0.3 = 2.4 m J—1 基坑挖土V = h/6[AB+(A+a)(B+b)+ab] =h/6[B² + (B+b)²+b²]²+(3.918+2.4)²²] = 23.394 m³ J—2 开挖断面上底宽 b = a + 2c +2kh=(1.05*2+0.1*2)+2*0.33*2.3 = 4.418 m开挖断面下底宽 B= a + 2c = 2.3+2*0.3 =2.9 m J—2 基坑挖土V = h/6[AB+(A+a)(B+b)+ab] =h/6[B² + (B+b)²+b²]²+(4.418+2.9)²²] = 31.235 m³ = 156.05 m³(2) 沟槽挖土计算开挖断面上底宽 b = a + 2c +2kh =0.7+2*0.3 +2*0.33*(2.5 –开挖断面下底宽 B= a + 2c = 0.7+2*0.3 =1.3 m沟槽长度 = 2*(8 – 2.2 –2.7)+2*(6 – 2*1.18)+(6-2*1.43) = 16.62 m沟槽挖土V = (2.752+1.3)*2.2* ½ * 16.62 = 74.08 m³答:该根底挖基坑土156.05 m³ ; 挖沟槽土74.08 m³ .第二节打桩与根底垫层工程1、了解本节内容—分打桩与根底垫层两个局部,共122个子目。

2、熟悉有关规定:① 本节适用于一般工业与民用建筑工程的桩根底,不适用于水工建筑、公路、桥梁工程,不适用于支架上、室内打桩② 打桩机的类别、规格,土壤级别在执行中不换算③④ 现场实际发生打桩、送桩后场地隆起土的去除与填桩孔的处理要另行计算⑤ 送桩:利用打桩机械和送桩器将预制桩打〔或送〕至地下设计要求的位置,这一过程称此⑥ 接桩:按设计要求,按桩的总长分节预制,运至现场先将第一根桩打入,将第二根桩垂直吊起和第一根桩相连接后再继续打桩,这一过程称此 胶泥接桩断面定额按 400*400 mm 编制,断面不同时胶泥按比例调整,其他不变⑦ 混凝土垫层厚度在 15 cm 以内,按本节垫层项目执行,大于时按混凝土根底相应项目执行3、掌握常用计算规如此:① 打预制钢筋混凝土桩按其体积计算 V = S * L L — 设计桩长〔包括桩尖,不扣除桩尖虚体积〕 S — 桩截面面积管桩空心局部应扣除,假如设计 要求灌注填充材料,另行计算② 接桩 按每个接头计算③ 送桩 V = S * L 计算 S — 桩截面面积 L — 桩顶面至自然地坪 + 500 mm ④ 灌注混凝土桩使用预制钢筋混凝土桩尖时,单、复打桩工程量按体积计算。

V = S * L S — 标准管外径的截面面积 L — 设计桩长〔不包括预制桩尖〕+ 250 mm⑤ 预制桩尖 按个数计算,每只综合单价为 30元⑥ 根底垫层 按体积计算 V = S * L S — 图示垫层断面面积 L — 垫层长度 外墙长度按 外墙中心线长度计算 内墙长度按 内墙根底垫层间净长计算4、工程量计算实例:例1、某单位工程根底如下列图,设计为钢筋砼预制方桩,截面为350*350mm,每根桩长18m,共180根桩顶面标高— 0.6m,静力压桩机施工,胶泥接桩计算打桩、接桩、送桩工程量,并据计价表套价〔不考虑价差〕解:〔1〕计算工程量打桩:V=0.35*0.35*18*180 = 396.9 接桩:n = 2*180 = 360 个³〔2〕套价 2— = 22.46 元/个定额编号项目名称单位工程量综合单价合价2 —— 14打桩,L=18m以内m³2 —28换胶泥接桩个3602 —— 18送桩,桩长在18m内㎡ 合计   例2: 某打桩工程如下列图,设计震动沉管灌注砼桩20根,单打,桩径∮450(桩管外径∮426)桩设计长度20m预制砼桩尖,经现场打桩记录单打实际灌注砼70m³,其余不计,计算打桩的综合单价与合价.²h=3.14*( 0.426/2 )² * (20+0.25)*20 =57.70 m³预制桩尖: n = 20 个套定额: 2 — = 366.96 元/m³〔充盈系数,桩尖换算〕定额编号项目名称单位工程量综合单价合价.2 — 50 换打震动沉管灌注桩15m以上m³补预制桩尖个2030600 合计   例3:计算土方工程例1、2中的垫层。

〔1〕垫层 S =0.7*0.1 = 0.07 m²外墙长度 = 2*〔6+8〕 = 28 m内墙长度 = 6 – 2*0.35 = 5.3 m垫层体积 V = 0.07*〔28+5.3〕 = 2.33 m³〔2〕条基下不属垫层,属砼根底,只需计算独立根底下垫层即可 J — 1:V = 1.8*1.8*0.1*4 = 1.296 m³ J — 2:V = 2.3*2.3*0.1*2 = 1.058 m³垫层 V = 1.296+1.058 = 2.35 m³第三节砌筑工程1、了解本节内容—本节包含砌筑、砌石和构筑物三个局部,共83个子目2、熟悉有关规定:① 各种砌体的砖、砌块规格不同时可进展换算② 根底与墙身的分界限:使用同一种材料时以设计室内地坪〔有地下室者以地下室设计室内地坪〕为界,以上为墙身,以下为根底③³3、掌握常用计算规如此:① 砖根底: V = S * L 〔m³〕 S — 砖根底断面面积, S= 〔根底墙高+大放脚折加高度〕* 根底宽度 L — 根底长度,外墙按外墙中心线长度,内墙按内墙基最上一步净长度计算② 砖墙体: V = S * L 〔m³〕 S = 厚度 * 高度 L — 墙身长度,外墙按外墙中心线长度计算,内墙长度按内墙间净长度计算。

厚度 — 见设计图纸和定额高度—外墙的高度,有现浇钢筋混凝土平板楼层者,应算至平板底面,女儿墙高度自板面算至压顶底面内墙高度,有钢筋混凝土楼隔层,算至钢筋混凝板底计算墙体工程量时,应扣除门窗洞口、过人洞、空圈、嵌入墙身的钢筋混凝土柱、梁、过梁、圈梁、挑梁等的体积;不扣除梁头、梁垫、外墙预制板头等的体积;③ 墙基防潮层按墙基顶面水平宽度乘以长度以 ㎡计算,有附垛时将附垛面积并入墙基内④ 砖砌台阶按水平投影面积以 ㎡ 计算4、工程量计算实例: 例1: 计算土方工程例1中的砖根底工程量.(马牙槎按5皮1收60mm) 解: 外墙根底: (8+6)*2*0.24*(2.5-0.1+0.0。

下载提示
相似文档
正为您匹配相似的精品文档