文档详情

G.657光纤常见问题

H****H
实名认证
店铺
PDF
162.60KB
约4页
文档ID:205468302
G.657光纤常见问题_第1页
1/4

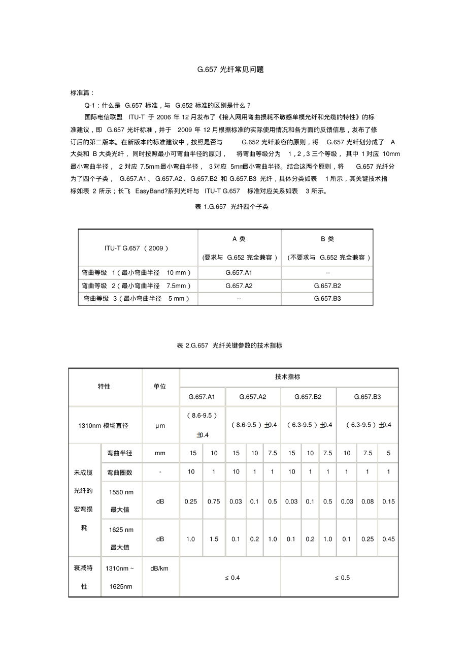
G.657 光纤常见问题标准篇:Q-1:什么是 G.657 标准,与 G.652 标准的区别是什么?国际电信联盟ITU-T 于 2006 年 12 月发布了接入网用弯曲损耗不敏感单模光纤和光缆的特性的标准建议,即 G.657 光纤标准,并于2009 年 12 月根据标准的实际使用情况和各方面的反馈信息,发布了修订后的第二版本在新版本的标准建议中,按照是否与G.652 光纤兼容的原则,将G.657 光纤划分成了A大类和 B 大类光纤, 同时按照最小可弯曲半径的原则,将弯曲等级分为1,2,3 三个等级, 其中 1 对应 10mm最小弯曲半径, 2 对应 7.5mm最小弯曲半径, 3 对应 5mm 最小弯曲半径结合这两个原则,将G.657 光纤分为了四个子类, G.657.A1 、G.657.A2 、G.657.B2 和 G.657.B3 光纤,具体分类如表1 所示,其关键技术指标如表 2 所示;长飞 EasyBand?系列光纤与ITU-T G.657 标准对应关系如表3 所示表 1.G.657 光纤四个子类ITU-T G.657 (2009)A 类(要求与 G.652 完全兼容 )B 类 (不要求与 G.652 完全兼容 )弯曲等级 1(最小弯曲半径10 mm)G.657.A1 -弯曲等级 2(最小弯曲半径7.5mm)G.657.A2G.657.B2 弯曲等级 3(最小弯曲半径5 mm)-G.657.B3 表 2.G.657 光纤关键参数的技术指标特性单位技术指标G.657.A1G.657.A2G.657.B2G.657.B31310nm 模场直径 m(8.6-9.5)0.4(8.6-9.5) 0.4(6.3-9.5) 0.4(6.3-9.5) 0.4未成缆光纤的宏弯损耗弯曲半径mm151015107.515107.5107.55弯曲圈数-101101110111111550 nm最大值dB0.250.750.030.10.50.030.10.50.030.080.151625 nm最大值dB1.01.50.10.21.00.10.21.00.10.250.45衰减特性1310nm 1625nm dB/km 0.40.51383 nm 3 nm dB/km 0.4不规定1550 nm dB/km 0.30.3色散特性零色散波长nm 13001324不规定零色散斜率ps/nm2 km 0.092偏振模色散特性M -20 不规定Q -0.01% PMDQ最大值ps/km1/20.20 产品、性能及应用篇:Q-2:目前商业化的G.657 光纤产品有哪些实现方法?目前商业化的G.657 光纤主要有六种不同的实现方法(见图1):1)、小模场的 G.657 光纤:光纤的纤芯折射率高,纤芯直径小。

光纤的模场直径小,一般在6-8.5um因为模场直径的差异,此类光纤无法满足G.652 标准,一般只满足G.657.B2 和 G.657.B3 标准,且与 G.652光纤有很高的熔接损耗;2)、纤芯优化的G.657 光纤:光纤纤芯的折射率和直径被适当地调整优化,以提高光纤的弯曲性能此类光纤一般满足G.652 和 G.657.A1 的标准,因弯曲性能改善不明显,无法满足G.657.A2/B2/B3标准;3)、包层优化的G.657 光纤:光纤的匹配或下陷包层的参数被适当地调整优化,以提高光纤的弯曲性能此类光纤一般满足G.652 和 G.657.A1 的标准,因弯曲性能只是较G.652 光纤略微改善, 所以无法保证完全满足 G.657. A2/B2/B3标准;4)、孔洞协助的G.657 光纤:在光纤的包层部分,通过具有低折射率的孔洞的协助,改进光纤的弯曲性能此类光纤可以保证其弯曲性能满足G.657. A2/B2/B3 标准然而,因为其特殊的结构,其熔接性能、连接性能和机械性能等需要通过实际使用进行验证;5)、微结构的G.657 光纤:在光纤的包层部分,通过自由的低折射率的微结构孔洞的协助,改进光纤的弯曲性能。

此类光纤可以保证其弯曲性能满足G.657. A2/B2/B3标准然而,因为其特殊的结构,其熔接性能、连接性能和机械性能等需要通过实际使用进行验证;6)、下陷环结构的G.657 光纤:光纤的包层外增加一层具有下陷的折射率的环状结构,用于提高光纤的弯曲性能此类光纤可以在保证与G.652 光纤兼容的同时,显著的改善光纤的弯曲性能,可以实现同时满足 G.652.D、G.657.A1/A2/B2/B3标准图 1:G.657 光纤的不同实现方法Q-3:长飞 EasyBand 系列光纤与普遍使用的G.652 光纤的兼容性如何?长飞 EasyBand 系列光纤全部完全满足G.652.D 标准大模场直径的设计以及全固的材料结构组成,完全可以保证EasyBand 系列光纤与 G.652 光纤的兼容,易于实现其与G.652 光纤的熔接和机械连接Q-4:EasyBand 系列光纤抗哪些弯曲?光纤在实际使用过程中遇到的弯曲分为“宏弯”和“微弯”两类,宏弯损耗是指曲率半径比光纤直径大的多的弯曲引起的附加损耗,微弯损耗是指曲率半径可以与光纤的横截面尺寸相比拟的弯曲引起的附加损耗,两类弯曲都会使得光纤的衰减增加,影响传输系统的性能。

系列光纤因为光纤特殊的波导结构设计和性能优良的内层涂料的使用,其宏弯和微弯性能都较G.652光纤有显著的改善Q-5:EasyBand 系列光纤属于低水峰光纤吗?是否适合 O-E-S-C-L 的全波段使用?采用长飞公司专利所有的“低水峰” 单模光纤的制造工艺,EasyBand?系列光纤可以实现在水峰处的极低的衰减, E波段( 1360-1460nm)因此可以开通,所以EasyBand?系列光纤是适合O-E-S-C-L 全波段使用的 EasyBand?系列光纤典型的光纤衰减谱见图2:图 2:EasyBand?系列光纤的典型衰减谱Q-6、系列光纤与G.652 光纤的熔接性能如何?光纤的熔接损耗的大小主要由三个因素决定:1)、待熔接光纤的几何精度:如包层圆度、芯包同心度等;2)、待熔接的两段光纤的对准情况:如端面之间的间隙,纤轴的倾斜,端面的倾斜与弯曲等;3)、待熔接的两段光纤的模场直径匹配的情况:熔接损耗会因为模场直径的失配而增大G657标准对光纤的几何特性有非常严格的要求,满足 G.657 标准的光纤完全可以保证光纤的几何精度;同时现有的光纤端面切割和光纤熔接设备可以保证光纤的端面切割质量和待熔接光纤的对准;更为重要的是,EasyBand系列光纤在研发阶段就考虑到与G.652 光纤的熔接问题,因此采用了全固的材料结构组成并选用了大小合适的模场直径设计值,以实现与G.652 光纤低的熔接损耗。

具体技术内容可参看长飞公司技术白皮书YOFC_10002_WP(G.657 光纤与 G.652 光纤的熔接损耗 ) Q-7、EasyBand 系列光纤在小弯曲半径下的机械性能和使用寿命能否得到保证?除了对弯曲附加损耗的要求之外,G.657 光纤在小弯曲半径下的机械性能也是其在实际使用过程中必须关注的一个问题一般情况下,光纤的弯曲半径越小,其所受的张应力和压应力也就越大,光纤的微小缺陷在此应力的长期作用下,其断裂的几率也会增大长期处于小弯曲半径状态下的光纤,如果其机械性能无法得到保证,那么光纤将会在使用过程中出现断裂的情况,这将会给系统带来严重的后果EasyBand系列光纤通过以下方式可以保证并且明显提高光纤的nd 值,以达到大幅提升机械性能,保证光纤长期使用寿命的目的:1)、精确控制的生产工艺,保证预制棒及光纤表面和内部极少量的缺陷产生;2)、高纯度、高级别的玻璃及掺杂原材料,保证预制棒的强度;3)、基于锗氟共掺的功能梯度材料的设计(FGM: functional graded material),使得预制棒和光纤中为实现光波导结构而产生的分层处于理想的粘度匹配的状态,保证经过拉丝的光纤在横截面上无明显的分界面,并使得其内部残余应力降至最低,以大幅提升光纤机械性能;4)、采用特殊设计的内层涂料,可以有效阻止静态疲劳的产生及裂纹、缺陷的生长,为光纤的机械性能提供保障。

EasyBand系列光纤 100% 通过 100kpsi 强度的筛选, nd 值的典型值为27,完全可以保证光纤的机械性能满足 25 年的使用要求具体技术内容可参看长飞技术白皮书YOFC_10003_WP( 长飞 EasyBand 系列光纤的机械可靠性及使用寿命) 。

下载提示
相似文档
正为您匹配相似的精品文档