文档详情

6.6.3 偏心夹紧机构

gg****m
实名认证
店铺
DOCX
92.02KB
约4页
文档ID:206331369
6.6.3 偏心夹紧机构_第1页
1/4

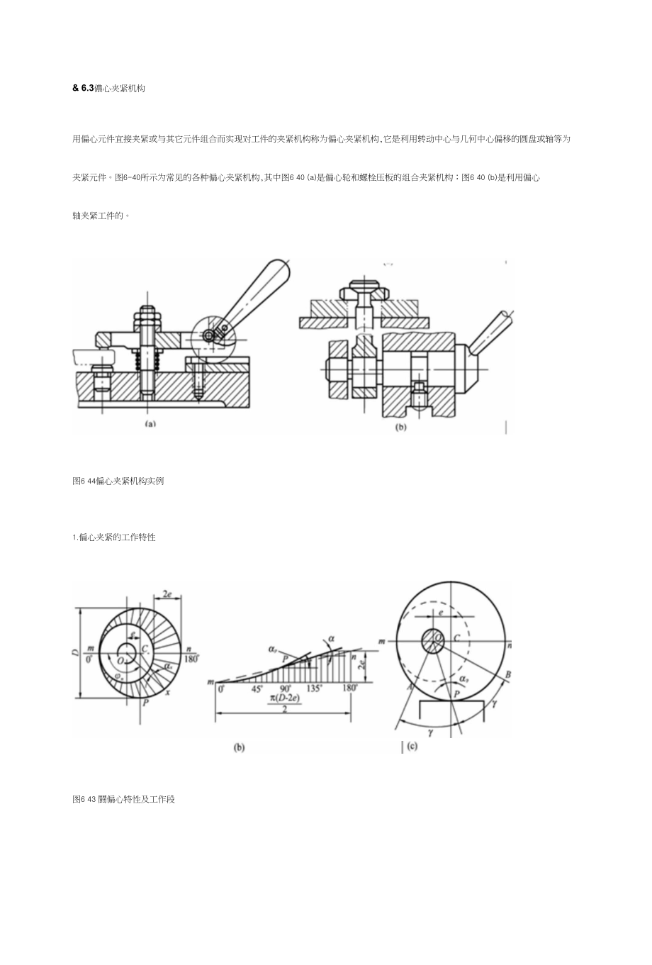
6.3儂心夹紧机构用偏心元件宜接夹紧或与其它元件组合而实现对工件的夹紧机构称为偏心夹紧机构,它是利用转动中心与几何中心偏移的圆盘或轴等为 夹紧元件图6-40所示为常见的各种偏心夹紧机构,其中图6 40 (a)是偏心轮和螺栓压板的组合夹紧机构;图6 40 (b)是利用偏心 轴夹紧工件的图6 44偏心夹紧机构实例1.偏心夹紧的工作特性图6 43 鬪偏心特性及工作段DI2sin _ sin(180 一 cp為如 图6-45 (a)所示的圆偏心轮,其直径为D,偏心距为e,由于其几何中心C和回转中心0不重合,当顺时针方向转动手柄时,祖相当于一个弧形楔卡紧在转轮和工件受压表面之间而产生夹紧作用将弧形楔展开,则得如图6 45(b)所示的曲线斜楔,曲线上任爲一点的切线和水平线的夹和即为该点的升角设ax为任愆夹紧点x处的升角,其值可Ft! A0x0中求得:sin式中转角必 的变化范用为0^必180,由上式可知,当%0 J 0 (p,=0时,m点的升角最小, * =0 ,随着转角”的增大,也增大,当% =90时(即T点〉,升角a为最大值•此时:2wsin = sin =—ar = a^=曲口 —a a因 很小,故取 max~2e/I)。

当%继续增大时,段 % = 0的増大而减小,“ =180 ,即n点处,此处的杲偏心轮的这…待性很重要,因为它与工作段的选杼,门锁性能,夹紧力的计算以及主耍结构尺寸的确定沃系极儿2.偏心轮工作段的选择0从理论上讲,偏心轮卜半部整个轮解曲线上的仔何一点都可以用来做夹紧点,相当于偏心轮转过180 .夹紧的总行釋为2e,但实际上为0 0防止松夹和咬死,常取P点左右圆周上的1/6~1/4圆弧,即相当于偏心轮转角为6()〜90的范帼所对应的圆弧为工作段如图6-45(c)所示的AR弧段由图6-45 (c)可知,该段近似为直线,工作段上任懸点的升角变化不大,儿乎近于常•数,可以获得比较稳定的自锁性能因而,在实际工作中,多按这种情况来设计偏心轮3 •偏心轮夹紧的自锁条件使用偏心夹紧时,必须保证门锁,否则将不能使用要保证偏心轮夹紧时的〔I锁性能,和前述斜楔夹累机构相同.应满足卜列条件血X严+笑QL式中 FX 一一偏心轮工作段的最大升角;r 一一偏心轮与工件ZKJ的摩擦角:4 --偏心轮转角处的摩擦角O沟 Wtan( +),已知tan = 2e/D为可靠起见,不考虑转轴处的席擦,又tan

按上述关系设计偏心轮时,应按己知的肆擦系数和需要的工作行程定出偏心煖0及偏心轮的玄径1)…般摩擦系数収较小的值,以使偏心轮的自锁更可靠4.适用范围偏心夹紧机构的特白是结构简氓.动作迅速,但它的夹紧行程受偏心距e的限制,夹紧力较小,故-•敍用于工件被夹压表面的尺寸变化 较小和切削过程中振动不大的场合,多用于小型工件的夹具中对于受压面的农面质量有一定的要求,爱压面的位買新变化也耍较小。

下载提示
相似文档
正为您匹配相似的精品文档