文档详情

锚杆注浆记录表

鲁**
实名认证
店铺
DOCX
29.15KB
约9页
文档ID:531201301
锚杆注浆记录表_第1页
1/9

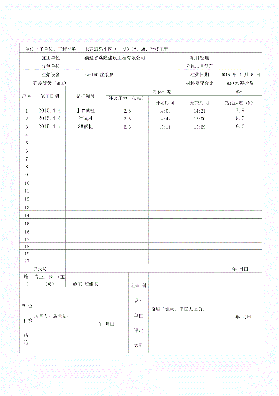
单位(子单位)工程名称永春温泉小区(一期)5#、6#、7#楼工程施工单位福建省荔隆建设工程有限公司项目经理分包单位分包项目经理注浆设备BW-150注浆泵注浆日期2015 年 4 月 5 日强度等级(MPa)材料及配合比M30水泥砂浆序号施工日期锚杆编号孔体注浆备注注浆压力 (MPa)开始时间结束时间钻孔深度(M)12015.4.4】#试桩2.614:0314:217.922015.4.42#试桩2.514:4215:008.032015.4.43#试桩2.615:1115:299.04567891011121314151617181920记录员:年 月曰施工专业工长 (施工员)施工 班组长监理 健设)单位评定意见监理(建设)单位见证员:年 月曰单 位自 检结论项目专业质量员:年 月曰单位(子单位)工程名称云山片区棚户区改造工程第一标段(1#、2#、6#、7#楼)工程地下室抗浮锚杆工程施工单位福建省闽清第一建筑工程公司项目经理张昌武分包单位分包项目经理注浆设备BW-150注浆泵注浆日期2012年 月 日强度等级(MPa)37.5材料及配合比M30水泥砂浆序号施工日期孔编号孔体注浆备注注浆压力 (MPa)开始时间结束时间钻孔深度(M)12012.6.176#120-12.5170217094.022012.6.176#120-22.6171117173.032012.6.176#119-12.5171817274.542012.6.176#119-22.6172917384.552012.6.176#119-32.7173917474.562012.6.176#112-42.6200120084.572012.6.176#121-22.5200920175.082012.6.176#117-32.6201820264.792012.7.016#126-32.5202720355.0102012.7.016#125-12.5203620446.0112012.7.016#124-22.5204620546.8122012.7.016#125-22.6205621055.9132012.7.016#123-22.7210621146.4142012.7.016#123-12.6211521255.0152012.7.016#123-32.5212621375.7162012.7.016#126-22.5213821476.0172012.7.016#122-22.6214821575.0182012.7.016#122-12.7220122125.91920记录员:年 月曰施工专业工长 (施工员)施工 班组长监理 健设)单位评定意见监理(建设)单位见证员:年 月曰单 位自 检结论项目专业质量员:年 月曰单位(子单位)工程名称云山片区棚户区改造工程第一标段(1#、2#、6#、7#楼)工程地下室抗浮锚杆工程施工单位福建省闽清第一建筑工程公司项目经理张昌武分包单位分包项目经理注浆设备BW-150注浆泵注浆日期2012年 月 日强度等级(MPa)37.5材料及配合比M30水泥砂浆序号施工日期孔编号孔体注浆备注注浆压力 (MPa)开始时间结束时间钻孔深度(M)12012.7.026#117-12.5170017083.922012.7.026#117-22.6171017193.932012.7.026#121-12.5172217303.942012.7.026#111-12.6173217415.952012.7.026#116-12.7174217505.062012.7.026#116-22.6175218024.972012.7.026#111-22.5180518144.782012.7.026#112-12.6181618254.092012.7.026#111-32.5182618344.9102012.7.026#107-12.5183518434.9112012.7.026#106-12.5184418525.9122012.7.026#106-42.6185319016.9132012.7.026#105-32.5190319104.4142012.7.026#104-12.6191119173.9152012.7.026#102-32.7191819254.9162012.7.026#103-12.6192619324.9172012.7.026#105-42.5193319414.9182012.7.026#109-32.5194319506.5192012.7.026#108-22.6195219594.0202012.7.026#107-22.5200020105.0记录员:年 月曰施工专业工长 (施工员)施工 班组长监理 健设)单位评定意见监理(建设)单位见证员:年 月曰单 位自 检结论项目专业质量员:年 月曰单位(子单位)工程名称云山片区棚户区改造工程第一标段(1#、2#、6#、7#楼)工程地下室抗浮锚杆工程施工单位福建省闽清第一建筑工程公司项目经理张昌武分包单位分包项目经理注浆设备BW-150注浆泵注浆日期2012年 月 日强度等级(MPa)37.5材料及配合比M30水泥砂浆序号施工日期孔编号孔体注浆备注注浆压力 (MPa)开始时间结束时间钻孔深度(M)12012.7.036#109-22.5140214094.522012.7.036#124-12.6141114173.732012.7.036#125-32.5142214287.342012.7.036#126-12.6142814363.552012.7.036#116-32.5143914474.562012.7.036#107-32.6144814575.072012.7.036#112-32.7150915183.582012.7.036#108-12.6153415435.592012.7.036#108-32.5154415526.5102012.7.036#106-32.6155516016.5112012.7.036#106-22.5160416035.5122012.7.036#105-22.5160516108.5132012.7.036#102-22.6161116205.5142012.7.036#99-42.5162116306.4152012.7.036#102-12.6163216417.4162012.7.036#102-42.7164216527.5172012.7.036#105-12.6165317027.5182012.7.036#110-22.6170417124.0192012.7.036#110-42.5171317223.6202012.7.036#104-42.6172317325.5记录员:年 月曰施工专业工长 (施工员)施工 班组长监理 健设)单位评定意见监理(建设)单位见证员:年 月曰单 位自 检结论项目专业质量员:年 月曰单位(子单位)工程名称云山片区棚户区改造工程第一标段(1#、2#、6#、7#楼)工程地下室抗浮锚杆工程施工单位福建省闽清第一建筑工程公司项目经理张昌武分包单位分包项目经理注浆设备BW-150注浆泵注浆日期2012年 月 日强度等级(MPa)37.5材料及配合比M30水泥砂浆序号施工日期孔编号孔体注浆备注注浆压力 (MPa)开始时间结束时间钻孔深度(M)12012.7.036#112-32.620:3120:406.122012.7.036#121-32.520:4120。

下载提示
相似文档
正为您匹配相似的精品文档