文档详情

黑龙江省大学生电子设计大赛d自动搬运机器人(本科)

kms****20
实名认证
店铺
DOC
61KB
约2页
文档ID:40806660
黑龙江省大学生电子设计大赛d自动搬运机器人(本科)_第1页
1/2

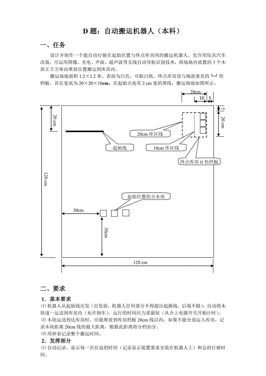
D 题:自动搬运机器人(本科)题:自动搬运机器人(本科)一、任务一、任务 设计并制作一个能自动行驶在起始位置与终点库房间的搬运机器人允许用玩具汽车 改装,可运用图像、光电、声波、超声波等无线自动导航识别技术,将场地内放置的 3 个 木质正立方体由堆放位置搬运到库房内 搬运场地面积 1.2×1.2 米,表面为白色,可贴白纸,终点库房设与地面垂直的╚╝形 档板,其长宽高为 20×20×10cm,,在起始点处有 2 cm 宽的黑线,搬运场地如图所示起始线10 5 5 20 cm20cm20 cm120 cm120 cm20cm 库区线10cm 库区线起始位置的方木块30cm30cm终点库房 U 形挡板二、要求二、要求1.基本要求.基本要求 ⑴ 机器人从起始线出发(出发前,机器人任何部分不得超出起跑线,后端不限) ,自动将 木块逐一运送到库房内(允许倒车) 运行的时间应力求最短(从合上电源开关开始计时) ⑵ 木块运送到达库房时,应能堆放到库房档板 20cm 线以内;如果不能全部运入库房,记 录木块距离 20cm 线的最大距离,根据此距离将分档扣分⑶ 用秒表记录整个搬运时间2.发挥部分.发挥部分 ⑴ 自动记录、显示每一次往返的时间(记录显示装置要求安装在机器人上)和总的行驶时间。

⑵ 木块运送到达终点库房时,应能够整齐排列堆放到库房挡板 10cm 线以内,3 个木块的 左右边线应尽量对齐,记录偏差尺寸⑶⑶ 其它特色与创新其它特色与创新三、说明三、说明(1) 木质正立方体的尺寸为 5×5×5 cm,误差不得超过-0.1cm,木块间距为 5cm (2) 搬运机器人前端可安装机械手,其形状、功能自定搬运木块的方式自定,但不得采 用磁铁吸附木块上可涂抹颜色或符号,不得安装其他附件 ⑶ 在木块堆放的起点和库房侧可设有自动无线引导信号源,类型自定(禁用地面引导线) 4) 应选用能够直角转弯的车辆,车辆启动后不能用人工控制(包括有线和无线遥控) 四、评分标准四、评分标准 项 目主要内容分数系统方案实现方法,方案论证系统设计,结构框图6理论分析与计算控制方法,理论计算7电路与程序设计检测与驱动电路设计总体电路图软件设计与工作流程图7结果分析创新发挥,结果分析5设计报告结构及规范性摘要设计报告结构图表的规范性5设计报告总分30放入 20cm 库区每块 12 分36在库区外的最大尺寸搬运时间14基本要求总分50单次运行时间显示有4 第 1 项 总运行时间显示有5第 2 项放入 10cm 库区每块 12 分36其他5发挥部分总分50。

下载提示
相似文档
正为您匹配相似的精品文档