文档详情

实验直流电桥性能比较

汽***
实名认证
店铺
DOCX
169.07KB
约6页
文档ID:518374778
实验直流电桥性能比较_第1页
1/6

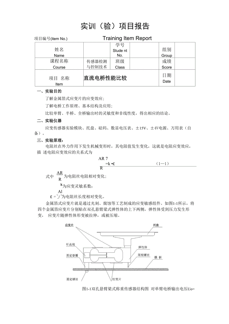
实训(验)项目报告项目编号(item No.) Training Item Report姓名Name学号Stude nt No.组别Group课程名称Course传感器检测 与控制技术班级Class成绩Score项目 名称Item直流电桥性能比较日期Date一、实验目的了解金属箔式应变片的应变效应;了解电桥工作原理、基本结构及应用;比较单臂、半桥、全桥输出时的灵敏度和非线性度,得出相应的结论二、实验仪器应变传感器实验模块、托盘、砝码、数显电压表、±15V、±4V电源、万用表(自备)三、实验原理:电阻丝在外力作用下发生机械变形时,其电阻值发生变化,这就是电阻应变效应,描 述电阻应变效应的关系式为AR 7=k •£ (1—1)R式中ARR为电阻丝电阻相对变化;k为应变灵敏系数;Al£ =~j~为电阻丝长度相对变化金属箔式应变片就是通过光刻、腐蚀等工艺制成的应变敏感组件如图1-1所示,将 四个金属箔应变片分别贴在双孔悬臂梁式弹性体的上下两侧,弹性体受到压力发生形变, 应变片随弹性体形变被拉伸,或被压缩应变片 托盘图1-1双孔悬臂梁式称重传感器结构图 对单臂电桥输出电压Uo= EK 8/4半桥测量电路中,不同受力方向的两只应变片接入电桥作为邻边,电桥输出灵敏度提 高,非线性得到改善。

当应变片阻值和应变量相同时,其桥路输出电压Uo=EK£ /2全桥测量电路中,将受力方向相同的两应变片接入电桥对边,相反的应变片接入电桥 邻边当应变片初始阻值:R1=R2=R3=R4,其变化值△ R1=A R2=A R3=A R4时, 其输出灵敏度比半桥又提高了一倍,非线性误差和温度误差均得到改善其桥路输出电压Uo = KEs 112■Q -0El [I理严暮叮i彗竿E.3 E.4o o应变传感器实验模板Rn E.13IC1Uoi接主控箱接数显表 电源•输出 Vi地IIIR.16+15V GND -15VO c C'+E 丁RigU02R.12E.14IO7 的Rw3E.10■■- -CZZI- - {T>—I I--''R19R15Rw4矗庖变片R5 " E1IC3图1单臂电桥面板接线图璘王控相接数显表 电源输岀 Vi地K.1o o-应变传感器实验模块+15VGI®-15V-4一+4R177 El is图2半桥面板接线图R3O 咼 OR2o 0T图3全桥面板接线图四、实验内容与步骤1. 应变传感器上的各应变片已分别接到应变传感器模块左上方的Rl、R2、R3、R4 上,可用万用表测量判别,R1=R2=R3=R4=350Q。

2. 差动放大器调零从主控台接入+15V电源,检查无误后,合上主控台电源开关, 将差动放大器的输入端Ui短接并与地短接,输出端Uo2接数显电压表(选择2V档)将 电位器Rw3调到增益最大位置(顺时针转到底),调节电位器Rw4使电压表显示为0V 关闭主控台电源Rw3、Rw4的位置确定后不能改动)3. 按图1连线,将应变式传感器的其中一个应变电阻(如R1)接入电桥与R5、R6、 R7构成一个单臂直流电桥4. 加托盘后电桥调零电桥输出接到差动放大器的输入端Ui,检查接线无误后,合 上主控台电源开关,预热五分钟,调节Rw1使电压表显示为零5. 在应变传感器托盘上放置一只砝码,读取数显表数值,依次增加砝码和读取相应 的数显表值,直到200g砝码加完,记下实验结果,填入下表6. 保持差动放大电路不变,将应变电阻连接成半桥和全桥电路,做半桥和全桥性能 实验,并将实验数据记录在下表中重量(g)20406080100120140160180200电桥电压(mV)11.523.132.343.454.265.476.387.497.5108.6单臂20.544.368.386.3106.3129.2145.5170.1196.3218.4半桥45.387.619.3180.7225.2269.1313.8356.5289436全桥7.实验结束后,关闭实验台电源,整理好实验设备。

五、实验报告1、 记录实验数据,并绘制出单臂电桥时传感器的特性曲线2、 根据记录的实验数据,计算并比较三种电桥的灵敏度和非线性误差将得到的结 论与理论计算进行比较提示:1)根据实验所得数据计算系统灵敏度S=A U仏W (△ U输出电压变化量,△ W重量变化量);2)计算单臂电桥的非线性误差& f1 △ m/yF..S X100%式中△ m为输出值(多 次测量时为平均值)与拟合直线的最大偏差;yF・S为满量程(200g)输出平均值重冒@)20406080100120140电压(mV)11. 523. 132. 343. 454. 265. 476. 3£20. 544. 368. 386. 3106. 3129. 2145. 5145. 387. 6129. 3180. 7225. 2269. 1313. 83电(mV)11. 421322. 209332. 997343. 785354. 573365. 361376. 14938621.577343. 121364. 665386. 2093107. 7533129. 2973150. 841317z46. 741390.4093134. 0773177. 7453221. 4133265. 0813308. 749335^电压一重量重量(g)>亘田聊S =97.1/180=0.5395S 单臂=197.9/180=1.09945 半桥=390.7/180=2.1706 全桥6 f1=0.8907/108・6*100%=0.82%6 f2=5.3413/218・4*100%=2.45%6 f3=7.0853/436*100%=1.63%八、思考题1. 单臂电桥时,作为桥臂电阻应变片应选用:(1)正(受拉)应变片(2)负(受 压)应变片(3)正、负应变片均可。

答:(3)正、负应变片均可2. 半桥测量时两片不同受力状态的电阻应变片接入电桥时,应放在:(1)对边(2) 邻边答:(2)邻边3. 桥路(差动电桥)测量时存在非线性误差,是因为:(1)电桥测量原理上存在非 线性(2)应变片应变效应是非线性的(3)调零值不是真正为零答:三者都是七、实验小结经过这次实验,我发现要做好这次实验首先是上课要认真听讲老师讲的每一个步骤因为 以前从未接触过这种模版与桌上的仪器,所以了解这次实验所要用的实验设备是最先要做 的,然后在接线过程中自己首先看图思路要清晰不能被图上五颜六色的线绕进去,在模块 上接线时思路更要清楚因为实验时所用的线只有三种颜色所以在模块上接线时很容易出 现找不到插线的点和接完线后看着一团乱线自己都分不清哪根是哪根,再接完线后上电前 要先检查一遍,我是按照从左到右一点多线来检查的,因为这样不会让自己检查迷糊一 次完整的实验下来我觉得这一次实验并没有什么难点,只要上课认真就能做好如果你的 模块是正常的话。

下载提示
相似文档
正为您匹配相似的精品文档