文档详情

大型储罐计算书

飞***
实名认证
店铺
PDF
629.71KB
约18页
文档ID:53344323
大型储罐计算书_第1页
1/18

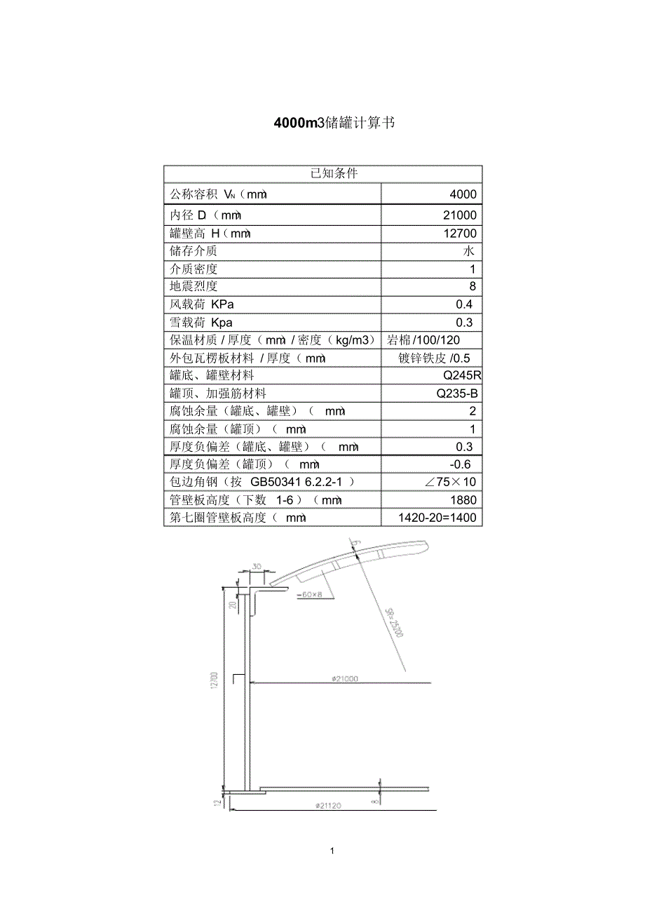
1 4000m3储罐计算书已知条件公称容积 VN(mm )4000 内径 Di(mm )21000 罐壁高 H (mm )12700 储存介质水 介质密度1 地震烈度8 风载荷 KPa 0.4 雪载荷 Kpa 0.3 保温材质 / 厚度(mm )/ 密度(kg/m3) 岩棉/100/120 外包瓦楞板材料 / 厚度( mm )镀锌铁皮 /0.5 罐底、罐壁材料Q245R 罐顶、加强筋材料Q235-B 腐蚀余量(罐底、罐壁)(mm )2 腐蚀余量(罐顶)( mm )1 厚度负偏差(罐底、罐壁)(mm )0.3 厚度负偏差(罐顶)( mm )-0.6 包边角钢(按 GB50341 6.2.2-1 )∠75×10 管壁板高度(下数 1-6)(mm )1880 第七圈管壁板高度( mm )1420-20=1400 2 一、 计算个圈壁板厚度1、计算罐壁板厚度,确定罐底板、罐顶板厚度:用 GB50341-2003 中公式( 6.3.1-1)计算罐壁厚度dd][0.3)-(H9.4tD式中:dt—储存介质条件下管壁板的计算厚度,mm D—油罐内径( m) (21m)H—计算液位高度( m) ,从所计算的那圈管壁板底端到罐壁包边角钢顶部的高度, 或到溢流口下沿 (有溢流口时) 的高度(12.7m)—储液相对密度( 1.0)d][—设计温度下钢板的许用应力,查表4.2.2(157MPa)—焊接接头系数( 0.9)第 1 圈:mm7 .8 9.0163.010.3)-(12.7219.4tdn=8.7+2.3=11mm 取 12mm 第 2 圈:mm38.7 9 .0163.011.88)-0.3-(12.7219.4tdn=7.38+2.3=9.68mm 取 12mm 第 3 圈:mm06.6 9.0163.011.88)2-0.3-(12.7219.4tdn=6.06+2.3=8.36mm 取 10mm 第 4 圈:mm74.4 9 .0163.011.88)3-0.3-(12.7219.4tdn=4.74+2.3=7.04mm 取 8mm 根据表 6.4.4,罐壁最小厚度得最小厚度为6+2=8mm,故第 5、6、3 7 圈取 8mm。

i 圈 (下数)1 2 3 4 5 6 7 壁厚12 12 10 8 8 8 8 二、罐底、罐顶厚度、表边角钢选择(按GB50341规定)罐底板厚度:查表 5.1.1,不包括腐蚀余量的最小公称直径为6mm,加上腐蚀余量 2mm,中幅板厚度为 8mm 查表 5.1.2,不包括腐蚀余量的最小公称直径为11mm,加上腐蚀余量 2mm,取边缘板厚度为14mm 罐顶板厚度:查 7.1.3,罐顶板不包括腐蚀余量的公称厚度不小于4.5mm,加上 1mm 的腐蚀余量后取6mm 包边角钢:按 GB50341 表 6.2.2-1,选∠ 75×10 罐顶加强筋: -60×8 三、罐顶板数据计算:①分片板中心角(半角)55.2425200302/21000arcsin302/arcsini 1)()(SRD②顶板开孔( φ2200)中心角(半角)5.2252001100arcsinrarcsin2SR顶板开孔直径参照《球罐和大型储罐》中表5-1 来选取工程容积 m 3中心顶板孔直径 100-700 φ1500 1000-5000 φ2000 10000 φ2100 4 30000 φ3600 注:中心顶板与拱顶扇形顶板的搭接宽度一般取50mm,考虑到分片板最小弧长不小于180mm,故取 φ2200mm③分片板展开半径mm1151144.25tg25200tg11SRRmm1100.52tg25200tg22SRR④分片板展开弧长:⌒AD=mm96985.255.243602520023602 21)()(SR⑤分片板大小头弧长:大头:⌒ABmm1535446021000n302i)()(D小头:⌒CDmm197 4411002nr2⑥中心顶板展开弧长⌒Lmm2299502 3605.22520022502 360222)()(SR5 四、拱顶高度计算内侧拱顶高:mm227830)-(21000/2252002520030)-/2(Dh222 i2 nSRSR外侧拱顶高:mm228462278hw五、盘梯计算计算参数:gH—罐壁高度,mm (12700)iR—罐内半径,mm (10500)WSR—拱顶半径, mm(25206)—内侧板升角( 45°)nR—内侧板半径, mm(nR=10500+12+150=10662mm )B—盘梯宽度(内外板中心距) 取 656mm, 板宽 150mm, 板厚 6mm 1、平台高度WWSRSR2 i2 w1L)-(Rhh425mm252061000)-(1050025206228422mm3125142512700H式中:1h—平台支撑角钢上表面至包边角钢上表面的距离,mm L—平台端部至罐内表面的距离,一般取800-1000mm,取 L=1000mm 6 2、内侧板展开长度mm184202100)-(1312523n)(HHL式中:3H—盘梯下端至罐底上表面的距离,mm,≮50mm,取100mm 3、外侧板展开长度mm189951066265611184207071.0117071.022nnw?RBLL)()(4、三角架个数个)(717001225)-(13125xn3LH式中: x—第一个三角架到罐底上表面的距离,mm 取 1225mm 3L—相邻三角架的垂直距离,mm 一般 1500-2000mm 5、三角架在罐壁上的水平位置an=n0 1n2bhRR)(式中:1b—内侧板及外侧板的宽度,mm,一般取 150mm —nh第 n 个三角架平台表面的距离,n×1700mm 7 0R—底圈壁板外半径, mm (10500+12=10512mm)nR—内侧板半径 mm (10662)a1=mm1467106621051221507001)(a2=mm31431066210512215070012)(a3=mm48191066210512215070013)(a4=mm64951066210512215070014)(a5=mm81711066210512215070015)(a6=mm98471066210512215070016)(a7=mm115231066210512215070017)(6、盘梯包角96.691801066210013119180n3 bRHH≈70°六、带肋球壳稳定性验算21mn2sm ttt0001. 0][)()(REP(C.2.1-1)式中:][ P—带肋求壳的许用外载荷,KPa E—设计温度下钢材的弹性模量,MPa 查表 4.1.6 得 192×103 MPa SR—球壳的曲率半径, mm SR=SR=25200mm nt—罐顶板有效厚度, mm nt=6-C=6-1-0.6=4.4mm 8 mt—带肋球壳的折算厚度,mm 33 2m3 n3 1m m4tt2tt(C.2.1-2)式中:]etn 12t4t2th3hbh[12t2 1n13 n2 nn12 1s1113 1m)(L(C.2.1-3)]etn12t4t2th3hbh[12t2 2n23 n2 nn22 2s2223 2m)(L(C.2.1-4)SL1n11 1tbh1n(C.2.1-5)SL2n22 2tbh1n(C.2.1-6)式中:3 1mt—纬向肋与顶板组合截面的折算厚度,mm 1h—纬向肋宽度, mm (高度 60)1b—纬向肋有效厚度mm(8-(2×1+0.8)=5.2)1sL—纬向肋在径向的间距,mm(1228)1n—纬向肋与顶板在径向的面积折算系数058.112284 .42 .5061tbh1n1n11 1 SL1e—纬向肋与顶板在径向组合截面的形心到顶板中面的距离,mm (按 CD130A6-86《钢制低压湿式气柜设计规定》算出下面公式)78. 1)602. 54. 41214(2)4. 460(602 .5)(2)(e111111 1hbtlthhbnsn3 2mt—径向肋与顶板组合截面的折算厚度,mm 2h—径向肋宽度, mm (高度 60)2b—径向肋有效厚度mm(8-(2×1+0.8)=5.2)9 2sL—径向肋在纬向的间距,mm 下面求2sL:a) 先求第 1 圈纬向肋的展开半径3R先求第圈纬向肋处的角度(半角3)∵600360/252002∴364.1°1 8 6.23364. 155.2413再求第 1 圈纬向肋处展开半径3Rmm10793186.23tg25200tgR33SRb) 求第 1 圈纬向肋的每块分片板肋板的弧长2sLmm14152]186.23cos10790244360sin[L2s)(2n—径向肋与顶板在径向的面积折算系数05.114154. 4602 .51tbh1n2n22 2SL2e—径向肋与顶板在纬向组合截面的形心到顶板中面的距离,mm 537.1)602. 54. 41415(2)4.460(602.5)(2)(e222222 2hbtlthhbnsn带肋球壳按下图布置10 把上面各参数代入C.2.1-3中求3 1mt4082]78. 14.4058.1124. 4 44 .4 24 .406 360 12152 .506[12t2322 3 1m)(把上面各参数代入C.2.1-4中求3 2mt3492]4537. 14 .405. 1124.4 44.4 24.406 360 14152. 506[12t2322 3 2m)(c) 把3 1mt,3 1mt代入 C.2.1-2 中,求mtmm46.12492434 .424082t33md) 把mt代入 C.2.1-1中求[P] 78.246.124.42.2546.12101920001.0][21 23)()(PKPa e) 验算:设计外载荷(外压)LP按 7.1.2条规定取 1.7KPa LP1.48MPa ∴需要加强圈具体用几个加强圈依据6.5.4 的规定∵22.3][P2.3cr>∴应设 1 个加强圈,其位置在1/2E 处根据 6.5.5 规定,在最薄板上,不需要换算,到包边角钢的实际距离就是 4.5m(距包边角钢上表面4.5m)根据表 6.5.6 选取加强圈规格,本设计选∠125×80×8 八、 抗震计算( CD130A2-84)1、水平地震载荷WaQmax0ZC式中:0Q—水平地震载荷kgf ZC—综合影响系数0.4 maxa—地震影响系数,按附表A 选 0.45 W—产生地震荷载的储液等效重量(波动液体)’wFWf式中:fF—动液系数,由RHW/的比值,按附表A2选取,如遇中间值则用插值法求。

WH—储液高度, cm(1270)R—第 1 圈罐壁内半径, cm(2100/2=1050)17 ’w—储液重量(kg4398779t779.439817.12421w2 ’)∵21. 11050/1270/ RHW按附表 A2 选fF=0.37 ∴kg162754843987790.37wFfkgf29295916275480.450.4WaQmax0ZC2、地震弯矩:cmkgf10186186028968212702929592M6 01WHQ3、第一圈罐壁最大应力:1111 1ZMAN式中:1N—第 1 圈罐壁底部的垂直载荷, kg(包括罐体自重的80%及保温重量)①罐体自重的 80% 罐体估重≈ 114t 114000×80%=91200kg ②保温重量罐体表面积 F=筒体面积 +灌顶面积21200.5m2.28425.2212.721.024SRh2H0.024)(2100FQ岩棉=1200.5×0.1×120=14406kg Q瓦楞板:1200.5×3.93=4718kg(1 ㎡重 3.93kg)保温重量: Q保= Q岩棉+Q瓦楞板=14406+4718=19124kg kg11032419124912001N1A—。

下载提示
相似文档
正为您匹配相似的精品文档