文档详情

喇叭落地烧机附著试验

飞***
实名认证
店铺
DOC
68KB
约5页
文档ID:23655651
喇叭落地烧机附著试验_第1页
1/5

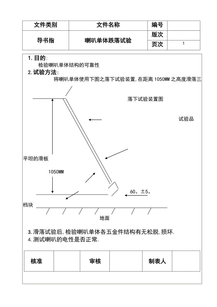
文件类别 文件名称 编号版次导书指 喇叭单体跌落试验 页次 1文件类别 文件名称 编号指导书 自由跌落试验指导书 版次 A1.目的:检验喇叭单体结构的可靠性2.试验方法:将喇叭单体使用下图之落下试验装置,在距离 1050MM 之高度滑落三次.落下试验装置图试验品 平坦的滑板 1050MM60档块地面3.滑落试验后,检验喇叭单体各五金件结构有无松脱,损坏.4.测试喇叭的电性是否正常.核准 审核 制表人页次 2文件类别 文件名称 编号指导书 耐磨试验 版次1.目的:确定产品在搬运期间由于粗劣装卸遭到跌落的适应性,以确定产品在安全要求下的最低牢固性及强韧性.以便能提供优质可依赖的产品给客户.2.适用范围:2.1 多媒体音箱.3.引用标准:GB/T 2423.8-95 国际电工电子产品基本环境试验规程:自由跌落.IEC 68-2-32(1990) 国际电工电子协会:自由跌落.4.试验条件:4.1 试验表面:试验表面应该是混凝土或钢制的平滑,坚硬的刚性表面.4.2 跌落高度:样品重量:Kg >500 <=500 <=200 <=100 <=50 <=20跌落高度 mm 25 50 100 250 500 10004.3 释放方法:应使试验样品从悬挂着的位置自由跌落.释放时,要使干扰最小.5.试验步骤:5.1 初始检验:试验前试件应依相关规范之规定执行目视检查,电性及机械检验.5.2 自由跌落:5.2.1 将样品悬吊至预定的高度,试验高度为样品与跌落面最近点的距离.5.2.2 将样品自由落下.5.2.3 样品跌落点为一角,三菱,六面.5.3 最终检测:5.3.1 试验结束后,立即依相关规范之规定执行目视检查,电性及机械检验.核准 审核 制表人页次 31.试验目的:验证产品丝印耐磨性.2.试验设备:砝码.酒精.纯棉白布3.试验要求:用 50g 砝码包两层白布,以 90%浓度的酒精浸透,每秒一个来回的速度在试验面擦拭,次数 150ycle.4.试验数据:按以上标准试验,丝印不脱落,无露底现象.核准 制表人1.试验目的:验证油漆对产品的附着强度.2.试验设备:砝码.酒精.纯棉白布. 刀片,3M 胶带3.试验要求:1.用 50g 砝码包两层白布,以 90%浓度的酒精浸透,每秒一个来回的速度在试验面擦拭,次数 150ycle. 2.用小刀在表面划正方形的格子,深度为油漆的覆盖深度,线长为 2mm*15~20 个,用 3M 胶带贴紧以 90 度的方向快速剥掉胶纸.连续三次然后剥掉胶纸.4.试验结果:按以上标准试验,油漆不脱落,无露底现象为 OK.核准 确认 制表人文件类别 文件名称 编号版次指导书 油 漆附着与耐磨试验页次 3。

下载提示
相似文档
正为您匹配相似的精品文档