文档详情

电气CAD电气图基本知识

飞***
实名认证
店铺
PDF
631.60KB
约21页
文档ID:47160955
电气CAD电气图基本知识_第1页
1/21

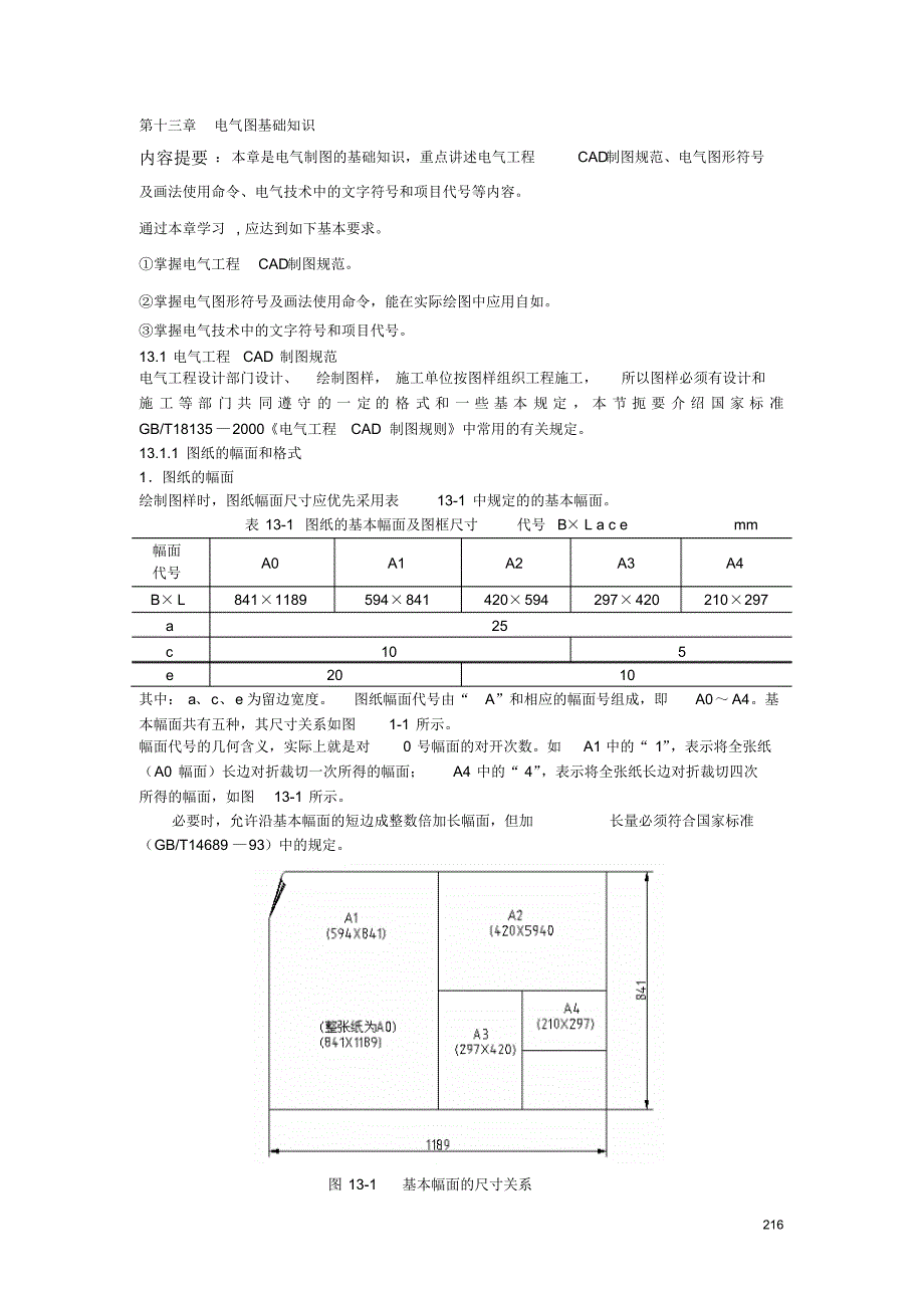
216 第十三章电气图基础知识内容提要:本章是电气制图的基础知识,重点讲述电气工程CAD制图规范、电气图形符号及画法使用命令、电气技术中的文字符号和项目代号等内容通过本章学习 , 应达到如下基本要求①掌握电气工程CAD制图规范②掌握电气图形符号及画法使用命令,能在实际绘图中应用自如③掌握电气技术中的文字符号和项目代号13.1 电气工程CAD 制图规范 电气工程设计部门设计、绘制图样, 施工单位按图样组织工程施工,所以图样必须有设计和施 工 等 部 门 共 同 遵 守 的 一 定 的 格 式 和 一 些 基 本 规 定 , 本 节 扼 要 介 绍 国 家 标 准GB/T18135 —2000《电气工程CAD 制图规则》中常用的有关规定13.1.1 图纸的幅面和格式1.图纸的幅面绘制图样时,图纸幅面尺寸应优先采用表13-1 中规定的的基本幅面表 13-1 图纸的基本幅面及图框尺寸代号B× L a c e mm 幅面代号A0 A1 A2 A3 A4 B× L 841×1189 594×841 420×594 297×420 210×297 a 25 c 10 5 e 20 10 其中: a、c、e 为留边宽度。

图纸幅面代号由“A”和相应的幅面号组成,即A0~ A4基本幅面共有五种,其尺寸关系如图1-1 所示幅面代号的几何含义,实际上就是对0 号幅面的对开次数如A1 中的“ 1” ,表示将全张纸(A0 幅面)长边对折裁切一次所得的幅面;A4 中的“ 4” ,表示将全张纸长边对折裁切四次所得的幅面,如图13-1 所示必要时,允许沿基本幅面的短边成整数倍加长幅面,但加长量必须符合国家标准(GB/T14689 —93)中的规定图 13-1 基本幅面的尺寸关系217 图框线必须用粗实线绘制图框格式分为留有装订边和不留装订边两种,如图13-2 和图 13-3 所示两种格式图框的周边尺寸a、c、e 见表 13-1但应注意,同一产品的图样只能采用一种格式a)横装(b)竖装图 13-2 留有装订边图样的图框格式(a)横装(b)竖装图 13-3 不留装订边图样的图框格式国家标准规定,工程图样中的尺寸以毫米为单位时,不需标注单位符号(或名称)如采用其他单位,则必须注明相应的单位符号本书的文字叙述和图例中的尺寸单位为毫米,均未标出图幅的分区 ,为了确定图中内容的位置及其他用途,往往需要将一些幅面较大的内容复杂的电气图进行分区,如图13-4 所示。

图幅的分区方法是:将图纸相互垂直的两边各自加以等分,竖边方向用大写拉丁字母编号,横边方向用阿拉伯数字编号,编号的顺序应从标题栏相对的左上角开始,分区数应为偶数;每一分区的长度一般应不小于25mm,不大于 75 mm,对分区中符号应以粗实线给出,其线宽不宜小于0.5 mm图纸分区后, 相当于在图样上建立了一个坐标电气图上的元件和连接线的位置可由此“坐标”而唯一地确定下来218 图 13-4 图幅的分区2.标题栏标题栏是用来确定图样的名称、图号、 张次、 更改和有关人员签署等内容的栏目,位于图样的下方或右下方图中的说明、符号均应以标题栏的文字方向为准目前我国尚没有统一规定标题栏的格式,各设计部门标题栏格式不一定相同通常采用的标题栏格式应有以下内容:设计单位名称、工程名称、项目名称、图名、图别、图号等电气工程图中常用图13-5 所示标题栏格式,可供读者借鉴图 13-5 标题栏格式学生在作业时,采用图13-6 所示的标题栏格式图 13-6 作业用标题栏13.1.2 比例比例是指图中图形与其实物相应要素的线性尺寸之比绘制图样时,应优先选择表13-2 中的优先使用比例必要时也允许从表13-2 中允许使用比例中选取。

表 13-2 绘图的比例种类比例原值比例1:1放大比例优先使用5:1 2:1 5×10n:1 2×10n:1 1×10n:1219 允许使用4:1 2.5:1 4×10n:1 2.5×10n:1 缩小比例优先使用1:2 1:5 1:10 1:2×10n 1:5×10n1:1×10n允许使用1:1.5 1:2.5 1:3 1:4 1:6 1:1.5 ×10n 1:2.5 ×10n 1:3×10n1:4×10n 1:6×10n注: n 为正整数13.1.3 字体在图样上除了要用图形来表达机件的结构形状外,还必须用数字及文字来说明它的大小和技术要求等其他内容1.基本规定在图样和技术文件中书写的汉字、数字和字母,都必须做到:字体工整、笔画清楚、间隔均匀、排列整齐 字体的号数代表字体高度(用 h 表示)字体高度的公称尺寸系列为:1.8、2.5、3.5、5、7、10、14、20mm如需更大的字,其字高应按2 的比率递增汉字应写成长仿宋体字,并应采用国家正式公布的简化字汉字的高度h 应不小于3.5,其字宽一般为h/2 字母和数字分A 型和 B型 A 型字体的笔画宽度d=h/14, B型字体的笔画宽度d=h/10。

在同一张图样上,只允许选用一种型式的字体字母和数字可写成斜体和直体斜体字字头向右倾斜,与水平基准线成75°2.字体示例汉字示例:字母示例:罗马数字:数字示例:13.1.4 图线及其画法图线是指起点和终点间以任意方式连接的一种几何图形,它是组成图形的基本要素,形状可以是直线或曲线、 连续线或不连续线 国家标准中规定了在工程图样中使用的六种图线,其型式、名称、宽度以及应用示例见表13-3表 13-3 常用图线的型式、宽度和主要用途图线名称图线型式图线宽度主要用途220 粗实线b 电气线路、一次线路细实线约 b/3 二次线路、一般线路虚线约 b/3 屏蔽线、机械连线细点划线约 b/3 控制线、信号线、围框线粗点划线b 有特殊要求线双点划线约 b/3 原轮廓线图线分为粗、细两种以粗线宽度作为基础,粗线的宽度b 应按图的大小和复杂程度,在 0.5— 2mm 之间选择,细线的宽度应为粗线宽度的1/3图线宽度的推荐系列为:0.18,0.25,0.35,0.5,0.7,1,1.4,2mm,若各种图线重合,应按粗实线、点划线、虚线的先后顺序选用线型13.2 电气图形符号在绘制电气图形时,一般用于图样或其他文件来表示一个设备或概念的图形、标记或字符的符号称为电气图形符号。

电气图形符号只要示意图形绘制,不需要精确比例13.2.1 电气图用图形符号1.图形符号的构成电气图用图形符号通常由一般符号、符号要素、 限定符号、 方框符号和组合符号等组成1)一般符号它是用来表示一类产品和此类产品特征的一种通常很简单的符号2)符号要素它是一种具有确定意义的简单图形,不能单独使用 符号要素必须同其他图形组合后才能构成一个设备或概念的完整符号3)限定符号它是用以提供附加信息的一种加在其他符号上的符号通常它不能单独使用 有时一般符号也可用作限定符号,如电容器的一般符号加到扬声器符号上即构成电容式扬声器符号4)框形符号它是用来表示元件、设备等的组合及其功能的一种简单图形符号既不给出元件、 设备的细节, 也不考虑所有连接通常使用在单线表示法中,也可用在全部输入和输出接线的图中5)组合符号它是指通过以上已规定的符号进行适当组合所派生出来的、表示某些特定装置或概念的符号2.图形符号的分类新的《电气图用图形符号总则》 国家标准代号为GB/4728.1-1985 ,采用国际电工委员会( IES)标准,在国际上具有通用性,有利于对外技术交流GB/4728 电气图用图形符号共分 13 部分。

1)总则有本标准内容提要、名词术语、符号的绘制、编号使用及其他规定2)符号要素、限定符号和其他常用符号内容包括轮廓和外壳、电流和电压的种类、可变性、力或运动的方向、流动方向、材料的类型、效应或相关性、辐射、信号波形、机械控制、操作件和操作方法、非电量控制、接地、接机壳和等到电位、理想电路元件等3)导体和连接件内容包括电线、屏蔽或绞合导线、同轴电缆、端子导线连接、插头和插座、电缆终端头等4)基本无源元件内容包括电阻器、电容器、电感器、铁氧体磁芯、压电晶体、驻极221 体等5)半导体管和电子管如二极管、三极管、电子管等6)电能的发生与转换内容包括绕组、发电机、变压器等7)开关、控制和保护器件内容包括触点、开关、开关装置、控制装置、起动器、继电器、接触器和保护器件等8)测量仪表、灯和信号器件内容包括指示仪表、记录仪表、热电偶、遥没装置、传感器、灯、电铃、峰鸣器、喇叭等9)电信:交换和外围设备内容包括交换系统、选择器、机、电报和数据处理设备、机等10)电信:传输内容包括通信电路、天线、波导管器件、信号发生器、激光器、调制器、解调器、光纤传输( 11)建筑安装平面布置图内容包括发电站、变电所、网络、音响和电视的分配系统、建筑用设备、露天设备。

12)二进制逻辑元件内容包括计数器、存储器等 13)模拟元件内容包括放大器、函数器、电子开关等常用电气图图形符号见表13-4表 13-4 电气图形常用图形符号及画法使用命令序号图形符号说明画法使用命令1 直流电电压可标注在符号右边,系统类型可标注在左边直线2 交流电频率或频率范围可标注在符号的左边样条曲线3 交直流直线、样条曲线4 正极性直线5 负极性直线6 运动方向或力引线7 能量、信号传输方向直线8 接地符号直线9 接机壳直线10 等电位正三角形、直线11 故障引线、直线222 12 导线的连接直线、圆、图案填充13 导线跨越而不连接直线14 电阻器的一般符号矩形、直线15 电容器的一般符号直线、圆弧16 电感器、线圈、绕组、扼流圈直线、圆弧17 原电池或蓄电池直线18 动合(常开)触点直线19 动断(常闭)触点直线20 延时闭合的动合(常开)触点带时限的继电器和接触器触点直线、圆弧21 延时断开的动合(常开)触点22 延时闭合的动断(常闭)触点23 延时断开的动断(常闭)触点24 手动开关的一般符号直线25 按钮开关26 位置开关,动合触点限制开关,动合触点223 27 位置开关,动断触点限制开关,动断触点28 多极开关的一般符号,单线表示29 多极开关的一般符号,多线表示直线30 隔离开关的动合(常开)触点31 负荷开关的动合(常开)触点直线、圆弧32 断路器(自动开关)的动合(常开)触点直线33 接触器动合(常开)触点直线、圆弧34 接触器动断(常闭)触点35 继电器、接触器等的线圈一般符号矩形、直线36 缓吸线圈(带时限的电磁电器线圈)37 缓放线圈(带时限的电磁电器线圈)直线、矩形图案填充38 热继电器的驱动器件直线、矩形39 热继电器的触点直线40 熔断器的一般符号直线、矩形224 41 熔断器式开关 直线、矩形旋转42 熔断器式隔离开关43 跌开式熔断器直线、矩形旋转、圆44 避雷器矩形图案填充45 避雷针圆、图案填充46 电机的一般符号C-同步变流机G-发电机GS-同步发电机M-电动机MG- 能作为发电机或电动机使用的电机MS- 同步电动机SM- 伺服电机TG-测速发电机TM-力矩电动机IS- 感应同步器直线47 交流电动机圆、多行文字48 双绕组变压器,电压互感器直线、圆、复制、修剪49 三绕组变压器50 电流互感器51 电抗器,扼流圈直线、圆、修剪52 自耦变压器直线、圆、圆弧225 53 电压表圆、多行文字54 电流表55 功率因数表56 电度表矩形、 多行文字57 钟 圆、直线、修剪58 电铃59 电喇叭矩形、直线60 蜂鸣器圆、直线、修剪61 调光器圆、直线62 限时装置矩形多行文字63 导线、导线组、电线、电缆、电路、传输通路等线路母线一般符号直线64 中性线圆、直线、图案填充65 保护线直线66 灯的一般符号直线、圆67 电杆的一般符号圆、多行文字68 端子板矩形、 多行文字69 屏、台、箱、柜的一般符号矩形70 动力或动力—照明配电箱矩形、图案填充226 71 单项插座 圆、直线、修剪72 密闭(防水)73 防爆圆、直线、修。

下载提示
相似文档
正为您匹配相似的精品文档