文档详情

导线耐张管压接检查记录

桔****
实名认证
店铺
DOC
988.02KB
约32页
文档ID:536722564
导线耐张管压接检查记录_第1页
1/32

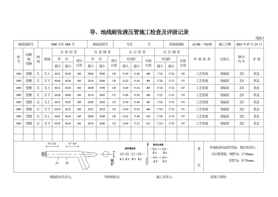
导、地线耐张液压管施工检查及评级记录线线5耐张段桩号1000号至1006号耐张段塔号号至 号导地线规格ACSR—720/50施工日期2003年07月29 日桩号送侧或受侧相别线别压 前 铝 管压 前 钢 管压 后 铝 管压 后 钢 管外 观 检 查压接人钢印代号评 级外 径需压长度外 径需压长度对边距压接长度对边距压接长度最大最小最大最小最大最小最大最小1000受侧左左上60.3260.2436020.0820.0013051.5051.4840017.2417.10150工艺美观饶福星223优良1000受侧左左下60.4460.3036020.1020.0613051.6251.5040517.2017.12155工艺美观饶福星223优良1000受侧左右上60.3260.2036020.0019.9013051.6051.3440517.2017.14147工艺美观饶福星223优良1000受侧左右下60.2860.0036020.1820.0213351.6051.5840617.2217.18153工艺美观饶福星223优良1000受侧右左上60.3260.2236020.0820.0213251.5051.4840517.2417.10155工艺美观饶福星223优良1000受侧右左下60.3060.2236020.2220.1813251.6451.5440617.2417.18151工艺美观饶福星223优良1000受侧右右上60.4260.1036020.0020.0013051.6251.4041017.2017.10157工艺美观饶福星223优良1000受侧右右下60.3860.1836020.1820.0613251.6451.5241317.2417.10147工艺美观饶福星223优良备注外观检查包括管弯曲、裂纹等项目。

压后推荐值,钢管为:17.30mm 铝管为:51.70 mm现场技术负责人: 专职质检员: 施工负责人: 监理工程师:导、地线耐张液压管施工检查及评级记录线线5耐张段桩号1000号至1006号耐张段塔号号至 号导地线规格ACSR—720/50施工日期2003年08月03日桩号送侧或受侧相别线别压 前 铝 管压 前 钢 管压 后 铝 管压 后 钢 管外 观 检 查压接人钢印代号评 级外 径需压长度外 径需压长度对边距压接长度对边距压接长度最大最小最大最小最大最小最大最小1006送侧左左上60.4260.3036020.2220.1213451.6051.5040017.2017.12147工艺美观饶福星223优良1006送侧左左下60.4060.2236020.1820.0213051.6251.5840717.2217.10148工艺美观饶福星223优良1006送侧左右上60.3260.1236020.1820.0813251.6051.5040017.2417.10150工艺美观饶福星223优良1006送侧左右下60.4060.0036020.2020.1013151.6051.4040517.2217.18151工艺美观饶福星223优良1006送侧右左上60.2860.1836020.1820.1213451.5451.4840617.2217.14155工艺美观饶福星223优良1006送侧右左下60.4060.1836020.0220.0013051.5851.5040317.2217.18148工艺美观饶福星223优良1006送侧右右上60.3060.2036020.1820.1013251.6251.5840317.2017.18149工艺美观饶福星223优良1006送侧右右下60.4060.3036020.1020.0013251.6251.5640517.2217.16150工艺美观饶福星223优良备注外观检查包括管弯曲、裂纹等项目。

压后推荐值,钢管为:17.30mm 铝管为:51.70mm现场技术负责人: 专职质检员: 施工负责人: 监理工程师:导、地线耐张液压管施工检查及评级记录线线5耐张段桩号1006号至1011号耐张段塔号号至 号导地线规格ACSR—720/50施工日期2003年08月04 日桩号送侧或受侧相别线别压 前 铝 管压 前 钢 管压 后 铝 管压 后 钢 管外 观 检 查压接人钢印代号评 级外 径需压长度外 径需压长度对边距压接长度对边距压接长度最大最小最大最小最大最小最大最小1006受侧左左上60.3060.2836020.1020.0613151.6251.5840917.2217.16151工艺美观饶福星223优良1006受侧左左下60.4060.2036020.0219.9013051.6251.5641117.2017.10149工艺美观饶福星223优良1006受侧左右上60.4060.1036020.2220.0813351.5651.4840517.2217.18153工艺美观饶福星223优良1006受侧左右下60.3860.3036020.1020.0213251.6051.5040617.2217.16154工艺美观饶福星223优良1006受侧右左上60.3060.2036020.1220.0613051.6451.5840817.2017.18148工艺美观饶福星223优良1006受侧右左下60.2860.1036020.1020.0013151.6251.5641017.2617.18149工艺美观饶福星223优良1006受侧右右上60.4060.2036020.0820.0013251.6251.5840717.2417.14151工艺美观饶福星223优良1006受侧右右下60.2860.1036020.2020.1213051.6451.5640717.2217.14148工艺美观饶福星223优良备注外观检查包括管弯曲、裂纹等项目。

压后推荐值,钢管为:17.30mm 铝管为:51.70 mm现场技术负责人: 专职质检员: 施工负责人: 监理工程师:导、地线耐张液压管施工检查及评级记录线线5耐张段桩号1006号至1011号耐张段塔号号至 号导地线规格ACSR—720/50施工日期2003年07月30 日桩号送侧或受侧相别线别压 前 铝 管压 前 钢 管压 后 铝 管压 后 钢 管外 观 检 查压接人钢印代号评 级外 径需压长度外 径需压长度对边距压接长度对边距压接长度最大最小最大最小最大最小最大最小1011送侧左左上60.4060.1036020.1020.0013051.6251.4841517.2617.18151工艺美观饶福星223优良1011送侧左左下60.4860.0036020.1020.0613251.6051.5441017.2417.20145工艺美观饶福星223优良1011送侧左右上60.3260.2836020.2220.1213251.6451.4241217.2617.22150工艺美观饶福星223优良1011送侧左右下60.3060.0036020.1020.0213251.6251.4441217.2417.18145。

下载提示
相似文档
正为您匹配相似的精品文档