文档详情

农作物种子质量标准

wm****3
实名认证
店铺
DOC
163KB
约6页
文档ID:41936342
农作物种子质量标准_第1页
1/6

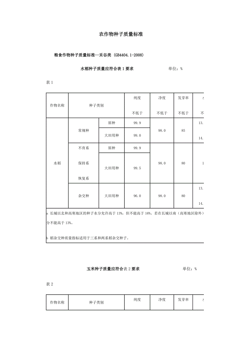
农作物种子质量标准农作物种子质量标准粮食作物种子质量标准粮食作物种子质量标准----禾谷类禾谷类 (GB4404.1-2008)(GB4404.1-2008)水稻种子质量应符合表水稻种子质量应符合表 1 1 要求要求 单位:%表 1作物名称种子类别纯度不低于净度不低于发芽率不低于水分不高于原种99.9 常规种 大田用种99.0 98.0 8513.0(籼)14.5(粳)原种99.9 不育系保持系恢复系大田用种99.598.08013.0 水稻杂交种大田用种96.098.08013.0(籼)14.5(粳)a 长城以北和高寒地区的种子水分允许高于 13%,但不能高于 16%若在长城以南(高寒地区除外)销售,水分不能高于 13%b 稻杂交种质量指标适用于三系和两系稻杂交种子玉米种子质量应符合玉米种子质量应符合表 2 要求要求 单位:%表 2作物名称种子类别纯度净度发芽率水分不低于不低于不低于不高于原种99.9 常规种 大田用种97.0 99.0 8513.0 原种99.9 自交种 大田用种99.0 99.0 8013.0 单交种大田用种96.0 双交大田用种95.0玉米三交种大田用种95.099.0 8513.0 a 长城以北和高寒地区的种子水分允许高于 13%,但不能高于 16%。

若在长城以南(高寒地区除外)销售,水分不能高于 13%小麦和大麦种子质量应符合表小麦和大麦种子质量应符合表 3 3 要求要求 单位:%表 3作物名称种子类别纯度不低于净度不低于发芽率不低于水分不高于原种99.9 小麦常规种 大田用种99.0 99.0 85.0 13.0 原种99.9 大麦常规种 大田用种99.0 99.0 85.0 13.0 高梁种子质量应符合表高梁种子质量应符合表 4 4 要求要求 单位:%表 4作物名称种子类别纯度净度发芽率水分不低于不低于不低于不高于原种99.9 常规种 大田用种98.0 98.0 7513.0原种99.9 不育系保持系恢复系大田用种99.098.07013.0 高梁杂交种大田用种93.0 98.08013.0a 长城以北和高寒地区的种子水分允许高于 13%,但不能高于 16%若在长城以南(高寒地区除外)销售,水分不能高于 13%粟和黍种子质量应符合表粟和黍种子质量应符合表 5 5 要求要求 单位:%表 5作物名称种子类别纯度不低于净度不低于发芽率不低于水分不高于原种99.8 98.0 8513.0 粟、黍常规种 大田用种98.098.08513.0注:在农业生产中,粟人俗称谷子,黍俗称糜子经济作物种子质量标准经济作物种子质量标准——纤维类纤维类 (GB4407.1-2008)(GB4407.1-2008) 棉花种子(包括转基因种子)质量应符合表棉花种子(包括转基因种子)质量应符合表 1 1 的最低要求的最低要求 单位: %表 1作物名称种子类型种子类别品种纯度不低于净度(净种子)不低于发芽率不低于水分不高于原种99.0 棉花毛籽 大田用种95.0 97.0 7012.0原种99.0 棉花光籽 大田用种95.0 99.0 8012.0原种99.0棉花常规种棉花薄膜包衣籽大田用种95.099.08012.0棉花毛籽99.097.07012.0棉花光籽99.099.08012.0棉花杂交种亲本棉花薄膜包衣籽99.099.05012.0棉花毛籽95.097.07012.0棉花光籽95.099.08012.0棉花杂交一代种棉花薄膜包衣籽95.099.08012.0黄麻、红麻和亚麻种子质量应符合表黄麻、红麻和亚麻种子质量应符合表 2 2 的最低要求的最低要求 单位:%表 2作物种类种子类别纯度不低于净度(净种子)不低于发芽率不低于水分不高于原种99.0 圆果黄麻 大田用种96.098.08012.0原种99.5 长果黄麻 大田用种96.0 98.0 8512.0 原种99.0 红麻 大田用种97.0 98.0 7512.0 原种99.0 亚麻 大田用种97.0 98.0 859.0 经济作物种子质量标准经济作物种子质量标准——油料类油料类 (GB4407.2-2008)(GB4407.2-2008)油菜种子质量应符合表油菜种子质量应符合表 1 1 要求要求 单位: %表 1作物名称种子类别品种纯度不低于净度不低于发芽率不低于水分不高于原种99.0 油菜常规种 良种95.0 98.0 859.0 原种99.0 油菜亲本 良种98.0 98.0 809.0 油菜杂交种大田用种85.098.0809.0 向日葵种子质量应符合表向日葵种子质量应符合表 2 2 要求要求 单位: %表 2作物名称种子类别品种纯度不低于净度不低于发芽率不低于水分不高于原种99.0 向日葵常规种 大田用种96.0 98.0 859.0 原种99.0 向日葵亲本 大田用种98.0 98.0 909.0 向日葵杂交种大田用种96.098.0909.0 花生、芝麻种子质量应符合表花生、芝麻种子质量应符合表 3 3 要求要求 单位: %表 3作物名称种子类别品种纯度不低于净度不低于发芽率不低于水分不高于原种99.0 花生 大田用种96.0 99.0 8010.0 原种99.0 芝麻 大田用种97.097.0 859.0 。

下载提示
相似文档
正为您匹配相似的精品文档