文档详情

二、宁南县农村义务教育营养改善计划学生饮用奶项目清单和

xian****812
实名认证
店铺
DOC
80.50KB
约6页
文档ID:328674324
二、宁南县农村义务教育营养改善计划学生饮用奶项目清单和_第1页
1/6

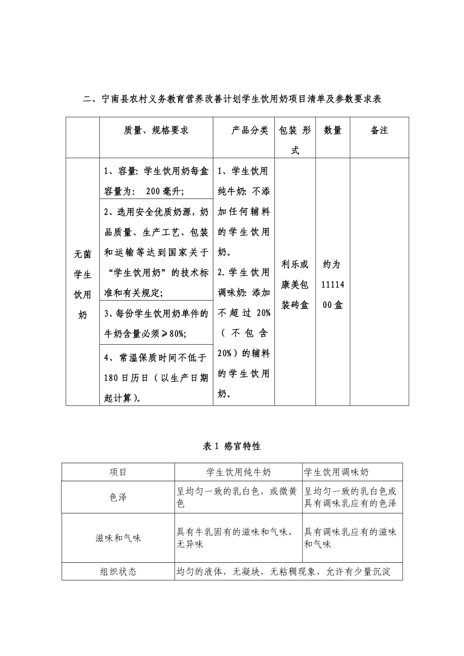
二、宁南县农村义务教育营养改善计划学生饮用奶项目清单及参数要求表质量、规格要求产品分类包装 形式数量备注无菌学生饮用奶1、容量:学生饮用奶每盒容量为: 200毫升;1、学生饮用纯牛奶:不添加任何辅料的学生饮用奶 2.学生饮用调味奶:添加不超过20%(不包含20%)的辅料的学生饮用奶利乐或康美包装砖盒约为1111400盒2、选用安全优质奶源,奶品质量、生产工艺、包装和运输等达到国家关于“学生饮用奶”的技术标准和有关规定;3、每份学生饮用奶单件的牛奶含量必须≥80%;4、常温保质时间不低于180日历日(以生产日期起计算)表1 感官特性项目学生饮用纯牛奶学生饮用调味奶色泽呈均匀一致的乳白色,或微黄色呈均匀一致的乳白色或具有调味乳应有的色泽滋味和气味具有牛乳固有的滋味和气味,无异味具有调味乳应有的滋味和气味组织状态均匀的液体,无凝块,无粘稠现象,允许有少量沉淀表2 净含量要求净含量 /ml负偏差允许值相对偏差 %绝对偏差 ml250按国家标准执行按国家标准执行表3 脂肪、蛋白质、非脂乳固体、酸度和杂质度要求项目学生饮用纯牛奶学生饮用调味奶全脂部分脱脂脱脂全脂部分脱脂脱脂脂肪, %≥ 3.11.0 ~ 2.0≤ 0.5≥ 2.50.8 ~ 1.6≤ 0.4蛋白质, %     ≥2.92.3非脂乳固体, %   ≥8.16.5酸度, o T     ≤   18.0—杂质度, mg/kg   ≤2表4 卫生指标项目学生饮用纯牛奶学生饮用调味奶汞(以 Hg 计), mg/kg           ≤0.01无机砷, mg/kg               ≤0.05铅(以 Pb 计), mg/kg           ≤0.05铬(以 Cr 6+2 计), mg/kg         ≤0.3硒, mg/kg                ≤0.03硝酸盐(以 NaNO3 计), mg/kg       ≤     11.0亚硝酸盐(以 NaNO2 计), mg/kg      ≤0.2黄曲霉毒素(以 M 1计), μ g/kg      ≤0.5六六六, mg/kg               ≤0.01滴滴涕, mg/kg               ≤0.02甲胺磷, mg/kg               ≤0.01倍硫磷, mg/kg               ≤0.05久效磷, mg/kg               ≤0.002甲拌磷, mg/kg               ≤0.05杀扑磷, mg/kg               ≤0.001林丹, mg/kg                ≤0.01抗生素阴性食品添加剂应符合 GB2760 的规定微生物菌落总数 / ( cfu/g )     ≤10大肠菌群 / ( MPN/ 100g )   ≤3致病菌(沙门氏菌、金黄色葡萄球菌)不得检出注:农药、兽药禁用限用,按国家有关规定执行。

表5 标签项目学生饮用纯牛奶学生饮用调味奶标签应标明产品名称、净含量、QS质量认证标志、蛋白质含量、脂肪含量、非脂乳固体含量、产品执行标准、配料表、成份表、联系、储存条件、生产厂名、厂址、生产日期、产地、保质期等内容备注:1、禁止使用任何方式的含乳饮料代替学生饮用奶2、学生饮用奶生产企业自身保留样品和检验报告的同时,必须将同批次的质量检验报告发布于企业官网以供查询下载同时必须将同批次的样品和生产企业的质量自检报告(7份),随货送达宁南县教育局、卫生局、畜牧局、工商局、药监局、质检局、县食安办备案以备审查 3、宁南县教育局须在中标供应商实施送达到宁南县境内的每批次学生饮用奶中,每种品种各随机抽取3盒作为样品封存备查4、本次采购项目投标人所投报价应包括合同货物、检验检测费用、合同货物的税费、保险费、包装费、运输费、转运费、搬运费、培训费、售后服务和与货物有关的供方应纳的税费以及不可预见费用等一切费用三. 招标货物相关要求(一)企业应具备的规范要求(1)学生饮用奶生产企业要有符合国家规定的产品生产及检测标准,完善的质量安全管理制度及控制程序2)完善的储运及配送管理体系,完善的仓储配送操作规程,具备学生饮用奶储存场所及标准,使用符合国家标准运输学生饮用奶成品车辆按要求及时配送学生饮用奶到指定的地点。

3)具有完善的宣传培训科学健康饮奶方案,由专业技术人员和从事客户服务管理工作的培训人员为学校和学生提供相应的安全饮奶知识、产品专业知识和售后服务环节的培训4)具有完整的应急处理预案和应急处理组织构架,出现问题须在第一时间内派人到现场应急处理二)学生饮用奶生产、包装及质量标准(1)学生饮用奶的生产加工应严格按照《中华人民共和国食品安全法》、《乳品质量安全监督管理条例》、《食品添加剂卫生管理办法》及《国家“学生饮用奶计划”暂行管理办法》等相关规定和要求且同时符合国家“学生饮用奶计划”部际协调小组审定的《中国学生饮用奶标志使用暂行管理办法》和《中国学生饮用奶标志使用规范》的规定明确标识学生奶产品的真实名称、净含量、QS质量认证标志、配料表、成份表、执行标准、生产企业及地址、联系、储存条件、生产日期、产地及保质期等具体内容2)学生饮用奶的质量应符合《中华人民共和国食品安全法》、《乳品质量安全监督管理条例》、《食品添加剂卫生管理办法》和卫生部(卫通[2010]7号)文件《卫生部发布《生乳》(GB19301-2010)等66项食品安全国家标准》中有关学生饮用奶的相关规定要求收购的生鲜乳和学生饮用奶成品中禁止含有革皮水解物(即皮革水解蛋白)。

调味奶其中的食品添加剂的使用规范和标准必须符合国家有关学生饮用奶的相关标准目录和标准计量的规定,并且符合卫生部发布的《食品安全国家标准 食品添加剂使用标准》(GB2760—2011)中有关学生饮用奶的相关标准要求禁止在学生饮用奶中使用任何食品营养强化剂、稳定剂和防腐剂等国家明令禁止的添加物3)生鲜乳的收购必须是依法取得畜牧兽医主管部门核发的生鲜乳收购许可证的生鲜乳收购站或企业进行收购,其标准化管理应符合《生鲜乳收购站标准化管理技术规范》(农牧发[2009]4号)的规范要求4)禁止使用复原乳(还原乳或还原奶)或有抗奶(“有抗奶”,是指奶牛在服用、注射抗生素类药品后产出的含有抗生素残留的牛奶)方式作为原料的生产方式生产学生饮用奶必须使用符合国家食品安全标准《灭菌乳》GB25190-2010、《预包装食品标签通则》GB7718-2011和《生鲜牛乳收购标准》GB/T6914—1986等相关国家标准规定的无病毒害奶牛产出的安全卫生的新鲜牛奶为原料生产学生饮用奶5)学生饮用奶生产企业必须采用超高温瞬时灭菌工艺生产学生饮用奶,必须使用无菌灌装技术灌装,禁止添加任何食品营养强化剂、稳定剂和防腐剂等国家明令禁止的添加物,常温状态下能保存半年质保时期。

禁止使用任何方式的含乳饮料代替学生饮用奶6)每份学生饮用奶的单件包装净含量负偏差符合《定量包装商品计量监督管理办法》(国家质检总局令第75号)的相关规定7)根据农业部农垦局发《关于加强中国学生饮用奶标志管理的通知》(学奶办[2005]8号)在包装盒上印制统一标志,应在每份学生饮用奶的单件包装盒外醒目标明产品的种类(纯牛奶或调味奶)和蛋白质、脂肪、非脂乳固体等的含量规格(标准),同时必须在每份学生饮用奶的单件包装盒外醒目标注“不准在市场销售”字样和“学生饮用奶”字样根据该项目的实际情况每份学生饮用奶的单件包装盒外须醒目标注“农村义务教育学校营养改善计划学生饮用奶”字样和印制饮用牛奶的宣传知识8)上述需印制的标识禁止使用任何形式的粘贴类产品替代学生饮用奶包装盒上规定印制的相关标识禁止在学生饮用奶包装盒上印制任何广告9)学生饮用奶生产企业必须严格按照相关标准执行学生饮用奶的质量检验和三聚氰胺、皮革水解物(即皮革水解蛋白)等项目检测、留样、放行等程序,同时建立产品质量档案,对每批次出厂的学生饮用奶都必须保留样品和检验报告以备审查10)中标供应商必须对其生产和供应的宁南县农村义务教育营养改善计划学生饮用奶产品提供产品质量责任保险。

11)对于过期(含违法涂改生产日期)、破包(含饮用吸管的破损)、漏包、胀包、脏包、坏包、包装污染(有霉斑、虫咬等)、产品内有异物、产品有异味和苦味等有质量问题的学生饮用奶产品无条件回收和更换若因产品质量、配送等原因导致出现的学生饮用奶安全问题,宁南县教育局有权按合同约定暂停中标供应商(或生产企业)的供奶行为,同时由中标供应商(或生产企业)必须承担事故给采购人和受害人造成的全部直接和间接经济损失,情节严重的(如发生质量安全事故和违法现象等)采购人可向宁南县人民法院诉讼追究其法律责任同时终止其签定的相关合同12)宁南县教育局委托具有法定资质的检测机构不定期的对学生饮用奶成品进行抽检,如有异常情况增加抽检频次按照卫生部(卫通[2010]7号)文件《卫生部发布《生乳》(GB19301-2010)等66项食品安全国家标准》、《食品安全国家标准 食品添加剂使用标准》(GB2760—2011)文件、《定量包装商品计量监督管理办法》(国家质检总局令 第75号)和《预包装食品标签通则》GB7718-2011等相关国家标准抽检学生饮用奶卫生质量,抽检所需的牛奶数量和经费由中标供应商负责。

下载提示
相似文档
正为您匹配相似的精品文档