文档详情

钢结构常用焊接时接头坡口形式分类图集

桔****
实名认证
店铺
DOC
635.53KB
约7页
文档ID:402431187
钢结构常用焊接时接头坡口形式分类图集_第1页
1/7

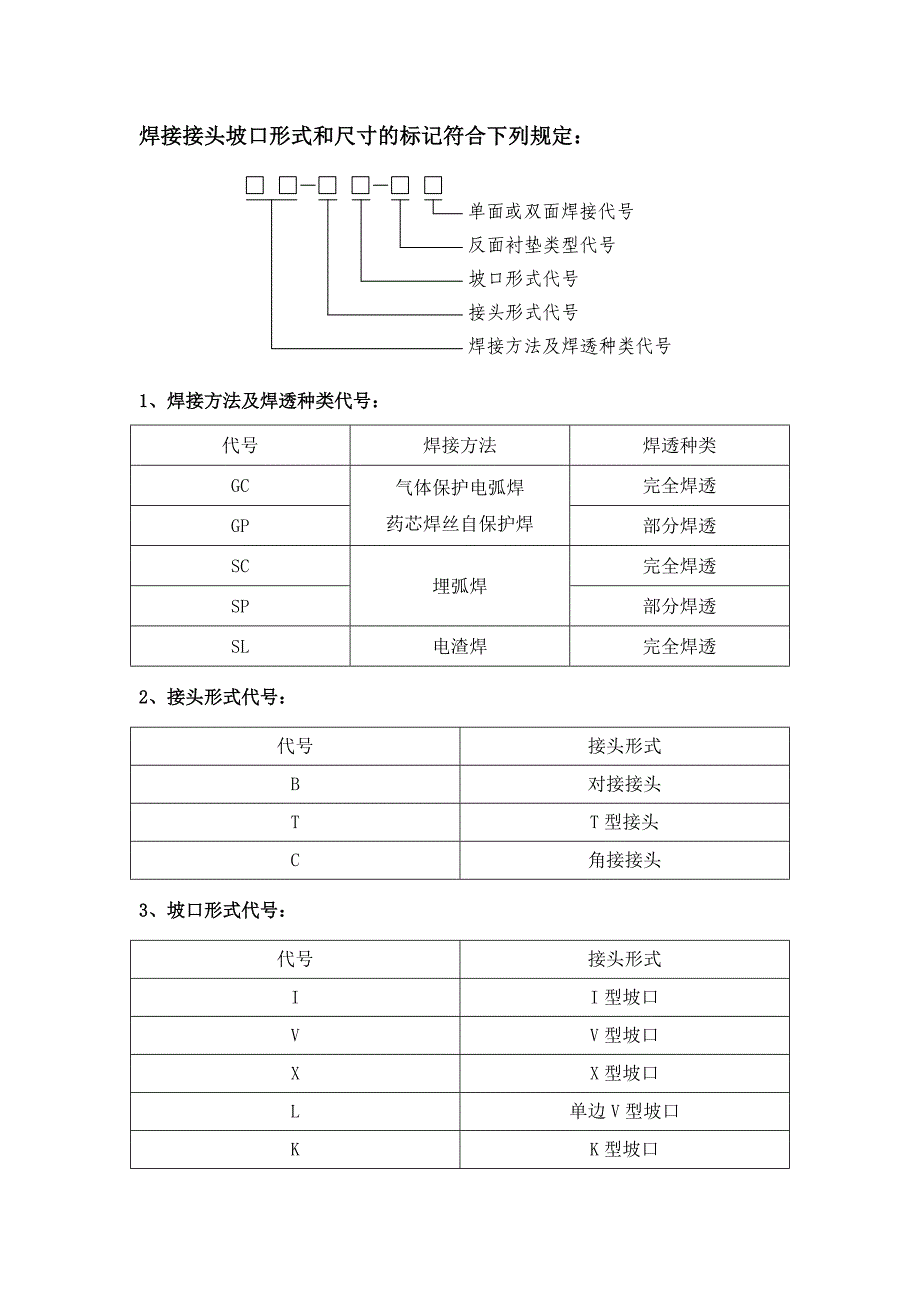
焊接接头坡口形式和尺寸的标记符合下列规定:1、焊接方法及焊透种类代号:代号焊接方法焊透种类GC气体保护电弧焊药芯焊丝自保护焊完全焊透GP部分焊透SC埋弧焊完全焊透SP部分焊透SL电渣焊完全焊透2、接头形式代号:代号接头形式B对接接头TT型接头C角接接头3、坡口形式代号:代号接头形式II型坡口VV型坡口XX型坡口L单边V型坡口KK型坡口对接焊缝坡口形状和尺寸(板对接、型钢对接)焊缝编号标记坡口形状示意图板厚(mm)焊接位置坡口尺寸(mm)备注1GC-BI-23≤δ<8Fb=0-3全熔透坡口清根2GC-BL-28≤δ<18Fα=45°b=0-3p=0-3全熔透坡口清根3GC-BX-218≤δ<40Fα1=45°α2=60°b=0-3p=0-3H=全熔透坡口清根4SC-BI-28≤δ<20Fb=0全熔透坡口清根5SC-BV-220≤δ<40Fα=60°b=0p=6全熔透坡口清根6SC-BX-240≤δ<60Fα1=45°α2=60°b=0p=5H=全熔透坡口清根注:板对接焊缝优先选用埋弧焊箱型主焊缝坡口形状和尺寸焊缝编号标记坡口形状示意图板厚(mm)焊接位置坡口尺寸(mm)备注7SC-CL-B110≤δ<20Fα=45°b=6p=0-1全熔透坡口8SC-CV-B120≤δ<40Fα1=20°α2=15°b=8p=0-1全熔透坡口9SP-CL-1δ<20 mmFα=60°b=0mmH=t/2部分熔透坡口10SP-CV-1δ≥20mmFα=60°b=0mmH=t/2且不小于14mm部分熔透坡口焊接H型钢与十字柱主焊缝埋弧焊坡口形状和尺寸焊缝编号标记坡口形状示意图板厚(mm)焊接位置坡口尺寸(mm)备注11SC-TI-26≤δ<14Fb=0全熔透坡口清根12SC-TK-214≤δ≤40Fα1=45°α2=60°b=0p=5H=全熔透坡口清根13SP-TI-26≤δ<18Fb=0部分熔透坡口单侧熔深至少达到δ/314SP-TL-218≤δ≤25Fα=60°b=0mmH=t/2且不小于14mm部分熔透坡口15SP-TK-225<δ≤40Fα=60°b=0H1=H2=p=δ-H1-H2部分熔透坡口CO2气体保护焊 T型接头坡口形状和尺寸焊缝编号标记坡口形状示意图板厚(mm)焊接位置坡口尺寸(mm)备注16GC-TL-26≤δ<20Fα=45°b=0-3p=0-3全熔透坡口清根17GC-TK-220≤δ≤40Fα1=45°α2=60°b=0-3p=0-3H=全熔透坡口清根18GC-TL-B1δ≥8Fα=45°b=6p=0-1全熔透坡口19GP-TL-210≤δ≤20Fα=45°b=0H=δ/2部分熔透坡口20GP-TK-220<δ≤40Fα=45°b=0H1=H2=p=δ-H1-H2部分熔透坡口电渣焊坡口形状和尺寸焊缝编号标记坡口形状示意图板厚(mm)焊接位置坡口尺寸(mm)备注21SLδ≤25G=22全熔透22SLδ≥25G=25全熔透。

下载提示
相似文档
正为您匹配相似的精品文档