文档详情

有砟轨道道床断面资料

E****
实名认证
店铺
DOC
1.23MB
约13页
文档ID:107430742
有砟轨道道床断面资料_第1页
1/13

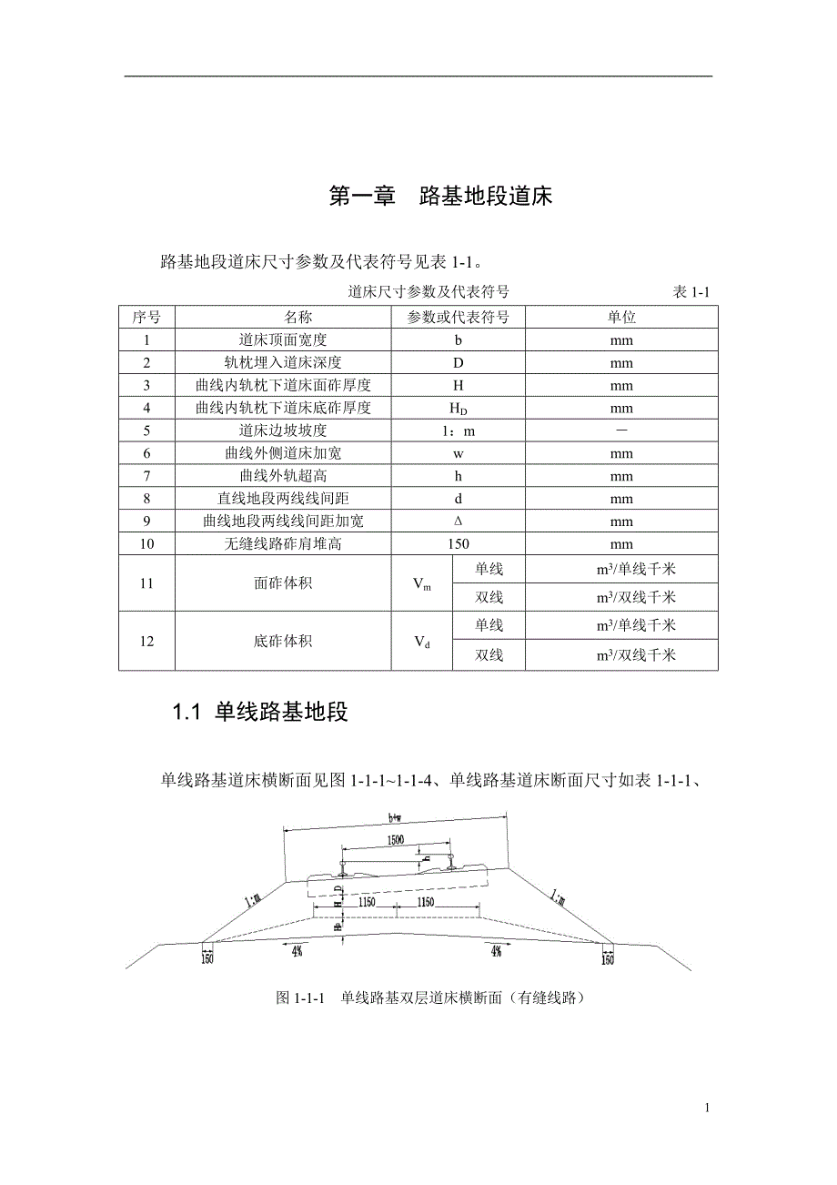
第一章 路基地段道床路基地段道床尺寸参数及代表符号见表1-1 道床尺寸参数及代表符号 表1-1 序号名称参数或代表符号单位1道床顶面宽度bmm2轨枕埋入道床深度Dmm3曲线内轨枕下道床面砟厚度Hmm4曲线内轨枕下道床底砟厚度HDmm5道床边坡坡度1:m-6曲线外侧道床加宽wmm7曲线外轨超高hmm8直线地段两线线间距dmm9曲线地段两线线间距加宽Δmm10无缝线路砟肩堆高150mm11面砟体积Vm单线m3/单线千米双线m3/双线千米12底砟体积Vd单线m3/单线千米双线m3/双线千米1.1 单线路基地段单线路基道床横断面见图1-1-1~1-1-4、单线路基道床断面尺寸如表1-1-1、图1-1-1 单线路基双层道床横断面(有缝线路)图1-1-2 单线路基单层道床横断面(有缝线路)图1-1-3 单线路基双层道床横断面(无缝线路)图1-1-4 单线路基单层道床横断面(无缝线路) 单线路基道床断面尺寸表 表1-1-1 项目道床尺寸(mm)备注编号轨道类型轨枕类型道床bDHHDmA1轻型Ⅱ型双层29001752001501.5有缝线路B1单层2900175250-1.5A2中型Ⅱ型双层30001752002001.75B2单层3000175300-1.75A3次重型Ⅱ型双层31001752502001.75B3单层3100175300-1.75A4重型Ⅱ型双层31001753002001.75B4单层3100175350-1.75A5次重型Ⅱ型双层33001752502001.75无缝线路B5单层3300175300-1.75A6重型(160km/h及以下)Ⅱ型双层33001753002001.75B6单层3300175350-1.75A7Ⅲ型双层(土质路基)34001853002001.75B7单层(岩石路基)3400185350-1.75A8200km/hⅢ型单层3500185300-1.75A9单层3500185350-1.75A10250km/hⅢ型单层3600185350-1.75注:1、表中“Ⅱ型”为新Ⅱ型混凝土轨枕、“Ⅲ型”为2.6m长Ⅲ型混凝土轨枕。

2、根据《铁路轨道设计规范》(TB10082-2005)无缝线路轨道半径小于800m,有缝线路轨道半径小于600m的曲线地段,曲线外侧道床顶面宽度应增加0.1m1.2 双线路基地段双线路基道床横断面见图1-2-1~1-2-4、双线路基道床断面尺寸如表1-2-1、图1-2-1 双线路基双层道床横断面(有缝线路)图1-2-2 双线路基单层道床横断面(有缝线路)图1-2-3 双线路基双层道床横断面(无缝线路)图1-2-4 双线路基单层道床横断面(无缝线路) 双线路基道床断面尺寸表 表1-2-1 项目道床尺寸(mm)备注编号轨道类型轨枕类型道床bDHHDmdC1次重型Ⅱ型双层31001752502001.754000有缝线路D1单层3100175300-1.754000C2重型Ⅱ型双层31001753002001.754000D2单层3100175350-1.754000C3次重型Ⅱ型双层33001752502001.754000无缝线路D3单层3300175300-1.754000C4重型 Ⅱ型双层33001753002001.754000D4单层3300175350-1.754000C5Ⅲ型双层34001853002001.754000D5单层3400185350-1.754000C6双层34001853002001.754200D6单层3400185350-1.754200C7200km/hⅢ型单层3500185300-1.754400C8200km/hⅢ型单层3500185350-1.754200C9200km/hⅢ型单层3500185350-1.754400C10250km/hⅢ型单层3600185350-1.754600注:1、表中“Ⅱ型”为新Ⅱ型混凝土轨枕、“Ⅲ型”为2.6m长Ⅲ型混凝土枕。

2、根据《铁路轨道设计规范》(TB10082-2005)无缝线路轨道半径小于800m,有缝线路轨道半径小于600m的曲线地段,曲线外侧道床顶面宽度应增加0.1m第二章 桥梁地段道床桥梁地段道床尺寸参数及代表符合如表2-1 道床计算参数及代表符合 表2-1 序号名称参数或代表符合单位1道床顶面宽度bmm2轨枕埋入道床深度Dmm3轨底至桥梁顶面排水坡脚高度Hmm4线路中心线至挡道墙内侧宽度amm5道床边坡坡度1:m6曲线外侧道床加宽wmm7曲线外轨超高hmm8直线地段两线线间距dmm9曲线地段两线线间距加宽Δmm10无缝线路砟肩堆高150mm11面砟体积Vm单线m3/单线千米双线m3/双线千米桥梁梁型较多,下面以常用的“通桥(2005)2101”、通桥(2008)2201、通桥(2007)2211、通桥(2008)2221、通桥(2008)2224为例2.1 通桥(2005)21012.1.1 单线桥梁地段单线桥梁道床横断面见图2-1-1-1~2-1-1-2、单线桥梁道床断面尺寸如表2-1-1-1图2-1-1-1 “通桥(2005)2101” 单线道床横断面(有缝线路)图2-1-1-2 “通桥(2005)2101” 单线道床横断面(无缝线路) “通桥(2005)2101”单线道床断面尺寸表 表2-1-1-1项目道床尺寸(mm)备注编号轨道类型轨枕类型道床bDHamE1轻型新Ⅲ型桥枕单层290018065022501.5有缝线路E2中型新Ⅲ型桥枕单层300018065022501.75E3次重型新Ⅲ型桥枕单层310018065022501.75E4次重型新Ⅲ型桥枕单层330018065022501.75无缝线路E5重型新Ⅲ型桥枕单层340018065022501.75 注、根据《铁路轨道设计规范》(TB10082-2005)无缝线路轨道半径小于800m,有缝线路轨道半径小于600m的曲线地段,曲线外侧道床顶面宽度应增加0.1m。

2.1.2 双线桥梁地段双线桥梁道床横断面见图2-1-2-1~2-1-2-2、双线桥梁道床断面尺寸如表2-1-2-1图2-1-2-1 “通桥(2005)2101”道床横断面(双线有缝)图2-1-2-2 “通桥(2005)2101”道床横断面(双线无缝) “通桥(2005)2101”双线道床断面尺寸表 表2-1-2-1 项目道床尺寸(mm)备注编号轨道类型轨枕类型道床bDHdamF1中型新Ⅲ型桥枕单层3000180650400022501.75有缝线路F2次重型新Ⅲ型桥枕单层3100180650400022501.75F3次重型新Ⅲ型桥枕单层3300180650400022501.75无缝线路F4重型新Ⅲ型桥枕单层3400180650400022501.75F5新Ⅲ型桥枕单层3400180650420022501.75 注:1、根据《铁路轨道设计规范》(TB10082-2005)无缝线路轨道半径小于800m,有缝线路轨道半径小于600m的曲线地段,曲线外侧道床顶面宽度应增加0.1m2.2 通桥(2008)22012.2.1 单线桥梁地段单线桥梁道床横断面见图2-2-1-1,单线桥梁道床断面尺寸如表2-2-1-1。

图2-2-1-1 “通桥(2008)2201” 单线道床横断面(无缝线路) “通桥(2008)2201”单线道床断面尺寸表 表2-2-1-1项目道床尺寸(mm)备注编号轨道类型轨枕类型道床bDHamG1重型新Ⅲ型桥枕单层350018070022301.75无缝线路G2Ⅲ型轨枕单层350018570022301.75 2.2.2 双线桥梁地段双线桥梁道床横断面见图2-2-2-1,双线桥梁道床断面尺寸如表2-2-2-1图2-2-2-1 “通桥(2008)2201”道床横断面(双线无缝) “通桥(2008)2201”双线道床断面尺寸表 表2-2-2-1项目道床尺寸(mm)备注编号轨道类型轨枕类型道床bDHdamH1重型新Ⅲ型桥枕单层3400180700440022301.75无缝线路H2Ⅲ型轨枕单层。

下载提示
相似文档
正为您匹配相似的精品文档