文档详情

特种设备管理人员任命参考样板

壹****1
实名认证
店铺
DOC
113.50KB
约29页
文档ID:424058358
特种设备管理人员任命参考样板_第1页
1/29

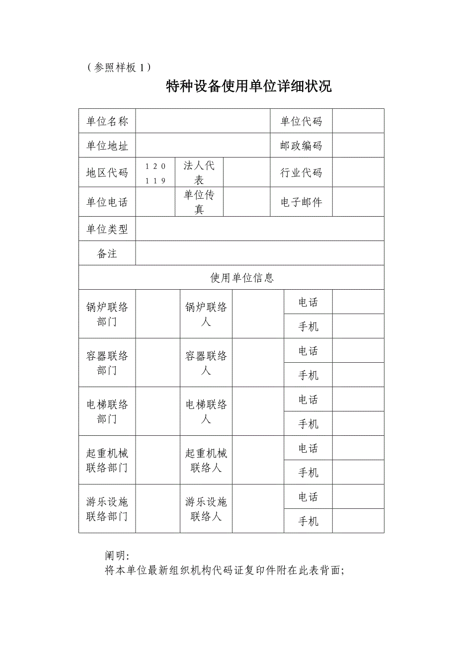
参照样板1)特种设备使用单位详细状况单位名称单位代码单位地址邮政编码地区代码120119法人代表行业代码单位单位电子邮件单位类型备注使用单位信息锅炉联络部门锅炉联络人容器联络部门容器联络人电梯联络部门电梯联络人起重机械联络部门起重机械联络人游乐设施联络部门游乐设施联络人阐明:将本单位最新组织机构代码证复印件附在此表背面;(参照样板2)特种设备安全管理机构为保证本单位特种设备运行安全,特成立特种设备安全管理小组,小组构成人员如下:组长: 姓名: 职务: 联络副组长:1、姓名: 职务: 联络2、姓名: 职务: 联络组员:1、姓名: 职务: 联络2、姓名: 职务: 联络…… (章)年 月 日附:特种设备安全管理小组职责:1、严格执行《特种设备安全监察条例》等法律法规有关检定,制定本单位特种设备安全管理制度和操作规程,建立健全特种设备安全技术档案;2、督促特种设备使用部门及操作人员贯彻有关安全规定,保证特种设备安全运行;3、组织和指导开展特种设备专题活动;4、定期组织特种设备安全检查,对发现安全问题制定整改措施并督促有关部门贯彻整改;5、定期对特种设备作业人员进行特种设备安全教育和培训,保证特种设备作业人员具有必要特种设备安全作业知识;6、组织制定特种设备事故应急措施和救援预案,并定期开展演习。

参照样板3)安全生产负责人任命书兹任命 为安全生产负责人,根据特种设备管理有关规定,对本单位特种设备安全工作全面负责任期×年章)年 月 日附:特种设备安全生产负责人重要职责:1.对本企业安全生产工作负直接领导责任,协助法定代表人认真贯彻执行安全生产方针、政策、法规,贯彻本企业各项安全生产管理制度; 2.组织实行本企业中长期、年度、特殊时期安全工作规划、目及实行计划,组织贯彻安全生产责任制; 3.参与编制和审核施工组织设计、特殊复杂工程项目或专业性工程项目施工方案审批本企业工程生产建设项目中安全技术管理措施,制定施工生产中安全技术措施经费使用计划; 4.领导组织本企业安全生产宣传教育工作,确定安全生产考核指标领导、组织外包工队长培训、考核与审查工作, 5.领导组织本企业定期和不定期安全生产检查,及时处理施工中不安全生产问题; 6.认真听取、采纳安全生产合理化提议,保证本企业安全生产保障体系正常运转, 7.在事故调查组指导下,组织特大、重大伤亡事故调查、分析及处理中详细工作参照样板4)特种设备安全管理员任命书兹任命 为特种设备安全管理员,根据特种设备管理有关规定,负责本单位特种设备安全管理工作,向单位安全负责人负安全责任,任期×年。

章)年 月 日附:特种设备安全管理员重要职责:1.熟悉特种设备安全管理法规,制定和贯彻本单位特种设备安全管理制度;2.熟悉本单位特种设备基本状况,对特种设备使用状况进行常常性检查,发现问题应立即处理;3.当出现紧急状况时,应作出停止使用特种设备决定并及时汇报本单位有关负责人;4.制定并贯彻特种设备定期检查计划、定期巡查计划、操作人员定期培训计划等;5.管理本单位特种设备安全技术档案;6.协助本单位重要负责人(负责人)向特种设备安全监察机构汇报本单位特种设备使用管理状况参照样板4)特种设备管理部门职责 1.1管理机构1.1.1东风日产乘用车技术中心特种设备负责人为第三开发部试作试验管理科科长1.1.2试作试验管理科科长领导,负责技术中心特种设备管理设设备管理工程师一名、设备管理班长一名、设备操作人员一名1.2管理职责1.2.试作试验管理科科长职责1.2.1.1全面负责企业设备管理工作,积极贯彻执行国家有关设备管理方面方针、政策、法规原则、规范、制度,结合我司详细状况,协助确定我司设备管理目,制定规划和措施,以提高企业生产装备技术水平、运行水平,提高企业经济效益1.2.1.2根据国际、集团企业有关条例、法规、原则、制度等,指导编制我司各项设备管理制度、规定、细则等,并督促贯彻执行。

1.2.1.3保证设备安全可靠运行,组织制定设备技术改造计划与实行方案审批设备检修、大修计划和设备购置和更新计划,并检查执行状况1.2.1.4审查企业年度修理费预算审批1.2.1.5加强设备管理队伍建设,指导设备管理人员技术培训,不停提高人员素质1.2.2设备工程师职责1.2.2.1认真执行国家法律法规和上级设备管理部门规章制度,对企业特种设备质量检查、技术鉴定和验收工作负责1.2.2.2负责特种设备设计审查、设备选型和竣工验收工作1.2.3设备管理班长职责1.2.3.1负责监督检查设备合理使用和维护保养,组织对设备状况定期检查考核,及时消除设备缺陷和隐患1.2.3.2会同用管部门组织我司机动设备方面技术力量培训工作组织特殊工种人员培训及管理1.2.3.3负责协助进行特种设备质量检查、技术鉴定和验收工作参与基建管理项目设计审查、设备选型和竣工验收工作1.2.3.4负责特种设备档案记录工作1.2.4设备操作员职责1.2.4.1严格按照操作规程进行作业1.2.4.2遵守安全注意事项所规范内容1.2.4.3负责设备基本维护保养,及时消除设备缺陷和隐患1.2.4.4有权制止违反造作规程人员特种设备岗位培训部门安全职责(参照)1、岗位培训教育制度由人事综合部负责。

2、协助安全生产负责人组织、推进生产中安全工作,贯彻执行国家及上级有关安全生产、工业卫生等政策、法令及制度3、组织制定特种设备安全技术规程和安全生产管理制度,并监督、检查执行状况4、贯彻国家和上级颁布有关安全生产法令及指示,坚持安全生长“五同步”和劳动保护“三同步”5、负责对新如企业人员(包括协议工、临时工、实习人员)企业安全教育,常常对职工进行安全思想,安全技术、环境保护、消防和工业卫生知识宣传教育,定期进行安全技术考核6、负责组织安全生产大检查,协调和督促有关部门对查处隐患制定防止措施,检查隐患整改工作7、加强对特种作业人员安全管理工作,做好特种作业人员业务技术培训和审证工作8、做好安全宣传工作,宣传安全生产方面好人好事特种设备岗位培训部门管理制度(参照)1、从事锅炉、起重、车辆驾驶、电梯(驾驶、维修)、快启式压力容器等特殊工种人员,必须由人事综合部进行专业安全技术培训制度,并在未培训前,不得从事特种岗位操作培训人员必须经质监部门考试合格,获得国家统一格式特种设备作业人员正书后,方能从事对应岗位作业2、对特殊工种,人事综合部要根据上级规定期间组织审证培训,提高作业人员安全技术水平3、在新工艺、新技术、新设备、新产品投产前,由人事综合部按新安全操作规程,对岗位和有关人员进行专门教育。

经考试合格后方可独立操作4、本行业内发生重大事故和恶性未遂事故后,人事综合部要组织有关人员进行事故状况或现场教育,吸取经验教训,防止类似事故发生5、每年定期组织至少一次以上特种设备事故救援演习特种设备安全管理部门制度(参照)1、 特种设备作业人员,应当持证上岗,并按照安全操作规程进行工作2、 按照有关原则,对本单位特种设备进行定期检修,发现不符合规定原则,应立即汇报有关部门并协同处理3、 各特种设备安全复检必须齐全完好,并在检查有效期内4、 严格遵守多种特种设备安全技术操作规程,按规定认真做好运行记录和为先点安全检查记录5、 建立特种设备安全管理小组,明确负责人,并配置安全管理人员6、 建立多种特种设备安全档案7、 特种设备要进行定期检查和定期自行检查8、 特种设备及其复检、安全保护装置、测量调检装置及有关附属仪器仪表要进行平常维护保养9、 对特种设备进行平常维护保养和定期检查,至少每周一次,并做好记录,发现实状况况及时处理10、 特种设备出现故障或者发生一场状况应当对其进行全面检查,消除事故隐患后,方可重新投入使用11、 按照安全培训制度规定,常常对特种设备作业人员进行特种设备安全教育培训。

12、 特种设备作业人员,在作业过程中发现事故隐患或者其他不安全原因,应当立即向安全管理人员和单位负责人汇报13、 安全管理员或者单位负责人应定期对特种设备使用状况进行检查,发现问题立即采用措施,或向特种设备安全监督管理部门汇报,并采用对应措施14、 对特种设备管理不严,违反安全管理制度,发生事故,根据情节轻重,须负有关责任参照样板5) 特种设备台帐 登记日期: 年 月 日序号设备名称设备类别型号规格出厂编号使用证号注册编号制造厂家内部编号使用状态安装位置下次检查日期备注(参照样板6)特种设备安全附件台帐 登记日期: 年 月 日序号附件名称型号规格出厂编号制造厂家使用状态安装位置下次检查日期备注(参照样板7)特种设备作业人员登记台帐 登记日期 年 月 日序号姓名身份证号操作种类证书编号发证机构资格项目有效日期在质监局立案状况。

下载提示
相似文档
正为您匹配相似的精品文档