文档详情

三菱PLC和变频器通讯案例

m****
实名认证
店铺
DOC
276.50KB
约8页
文档ID:409680954
三菱PLC和变频器通讯案例_第1页
1/8

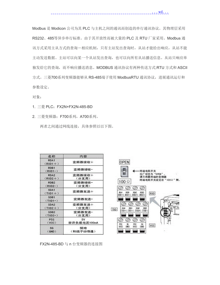
...wd...Modbus是Modicon公司为其PLC与主机之间的通讯而创造的串行通讯协议其物理层采用RS232、485等异步串行标准由于其开放性而被大量的PLC及RTU厂家采用Modbus通讯方式采用主从方式的查询-相应机制,只有主站发出查询时,从站才能给出响应,从站不能主动发送数据主站可以向某一个从站发出查询,也可以向所有从站播送信息从站只响应单独发给它的查询,而不响应播送消息MODBUS通讯协议有两种传送方式:RTU方式和ASCII方式三菱700系列变频器能够从RS-485端子使用ModbusRTU通讯协议,进展通讯运行和参数设定对象:1. 三菱PLC:FX2N+FX2N-485-BD2. 三菱变频器:F700系列,A700系列  两者之间通过网线连接,具体参照以以下图  FX2N-485-BD与n台变频器的连接图1.三菱变频器的设置  PLC与变频器之间进展通讯时,通讯规格必须在变频器中进展设定,每次参数初始化设定后,需复位变频器或通断变频器电源参数号 名称 设定值 说明Pr331 通讯站号 1 设定变频器站号为1Pr332 通讯速度 96 设定通讯速度为9600bpsPr334 奇偶校验停顿位长 2 偶校验,停顿位长1位Pr539 通讯校验时间 9999 不进展通讯校验Pr549 协议选择 1 ModbusRTU协议Pr551 PU模式操作权选择 2 PU运行模式操作权作为PU接口  进展ModbusRTU协议通讯时,Pr551必须设置为2,Pr340设置为除0以外的值,Pr79设置为0或2或6。

通过RS-485端子进展ModbusRTU协议通讯时,必须在NET网络模式下运行2.三菱PLC的设置  对通讯格式D8120进展设置  D8120设置值为0C87,即数据长度为8位,偶校验停顿位1位,波特率9600pbs,无标题符和终结符  修改D8120设置后,确保通断PLC电源一次3.通讯程序  采用ModbusRTU协议与变频器通讯的局部PLC程序如下: 4.程序说明:1.当X1接通一次后,变频器进入正转状态2. 当X2接通一次后,写入变频器运行频率60HZ3. 当X3接通一次后,变频器进入停顿状态  当指令中,变频器指令地址为0时,为播送指令,所有从站变频器只承受PLC发出指令,不向主机发送响应信息。

下载提示
相似文档
正为您匹配相似的精品文档