文档详情

临检室检查项目一览表

博****1
实名认证
店铺
DOC
371.50KB
约8页
文档ID:440245330
临检室检查项目一览表_第1页
1/8

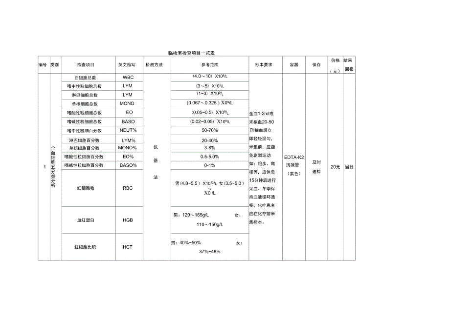
临检室检查项目一览表编号类别检查项目英文缩写检测方法参考范围标本要求容器保存价格(元)结果回报1全血细胞五分类分析白细胞总数WBC仪器法(4.0〜10) X109/l全血1-2ml或 末梢血20-50 卩l抽血后立 即轻轻混匀, 米集前,应避 免剧烈运动 如:跑步、爬 楼等,应休息 15分钟后进行 采血冬季保 持血液循环通 畅,化疗患者 应在化疗前米 集标本EDTA-K2抗凝管(紫色)及时送检20元当日嗜中性粒细胞总数LYM(3〜5) X109/l淋巴细胞总数LYM(1~3) X109/L单核细胞总数MONO(0.067〜0.325 ) X09/L嗜酸性粒细胞总数EO(0.05~0.5) X109/L嗜碱性粒细胞总数BASO(0.02~0.05) X109/l嗜中性粒细百分数NEUT%50-70%淋巴细胞百分数LYM%20-40%单核细胞百分数MONO%3-8%嗜酸性粒细胞百分数EO%0.5-5.0%嗜碱性粒细胞百分数BASO%0-1%红细胞数RBC男(4.0~5.5 ) X1012/l 女(3.5~5.0 )12X0 /L血红蛋白HGB男:120〜165g/L 女:110〜150g/L红细胞比积HCT男:40%~50% 女:37%~48%红细胞平均体积MCV82〜92fL平均血红蛋白含量MCH27~31pg平均血红蛋白浓度MCHC320〜360g/L红细胞分布宽度RDW-SD37.0〜51.0fL红细胞变异系数RDW-CV11.0%〜15.0%血小板数PLT仪器法(100~300 )X 109/l全血1-2ml或 末梢血20-50卩l抽血后立 即轻轻混匀EDTA-K2抗凝管(紫色)及时送检20元当日血小板分布宽度PDW15.5〜18.1GSD平均血小板体积MPV6.8~13.5fL大血小板比率P-LCR<40%2嗜酸性粒细胞直接计数EOS.C直接计数法(50~300 )X 106/L同上同上及时送检2元同上3网织红细胞计数Ret.C仪器法成人:0.5-1.5% 新生儿:3-6%全血2ml同上30元当日4白细胞分类CD涂片法全血直接涂片推片5元5异常红细胞检查涂片法—推片5元6疟原虫检查plasmodium涂片法未检出全血直接涂片发热时米血推片及时送检10元当日7微丝幼检查涂片法未检出全血直接涂片熟睡后采血推片及时送检10元当日8ABO血型+Rh鉴定BG+Rh测试卡法—全血2ml或末梢血20-50卩lEDTA-K 2抗凝紫色立即送检30元当日9ABO 血型鉴定BG正定—10元10血沉ESR仪器法男:0~15mm/H 女:0~20mm/H全血1.7ml枸掾酸抗凝管黑色及时送检5元当日11红细胞渗透脆性试验ROFT手工法开始溶血4.2〜6g/L 完全溶血3.2〜3.4g/L全血1ml床头 采血立即送检(周五做)普通管红色立即 送检10元当日12蔗糖水溶血试验SWT手工法阴性脱纤维血5ml,采血后轻摇5-10分钟(周五做)含玻璃珠5元13抗人球蛋白试验coombs手工法阴性的三角瓶10元14酸溶血试验Hambs手工法阴性(周四到 检验科取)立即送检5元当日15凝血酶元时间PT凝固法11-15 秒新鲜抗凝血16凝血酶原活动度PTA80-120%2.7ml25元17国际标准化比值INR0.85-1.5(空腹) 尽18DIC纤维蛋白原定量测定Fib疋量法200-400mg/dl量消除患者的30元19全 套活化部分凝血活酶时间测定APTT凝固法26-38 秒恐惧心理,避 免剧烈运动,枸掾酸抗凝管蓝色立即 送检20元当日20凝血酶时间TT凝固法16-18 秒采血刖周停 用下列药物: 阿司匹林、双 嘧达莫、凝血 酶原、凝血因子等15元21D-二聚体定量D-D乳胶凝集法<0.2mg/L90元22纤维蛋白降解产物FDP乳胶凝集法血:<10 卩 g/ml 尿:<5 卩 g/ml40元21D-二聚体半定量D-D乳胶凝集法<0.2mg/L40元23血小板粘附试验PAdT吸附法男:28.95-40.85% 女:34.21-44.59%立即 送检20元当日24血小板聚集试验PAgT比浊法ADP20 卩 m:30-80% 5.0 卩m:40-100%EPIN20 卩 m:30-80% 5.0 卩m:40-100%新鲜抗凝血2.7ml (取两管)枸掾酸抗 凝管蓝色立即 送检120元当日单个凝血因子活性测定凝固法80-100%新鲜抗凝血2.7ml (取两管)枸掾酸抗凝管蓝色立即送检100元当日25尿 十项比重SG干片法1.005-1.030新鲜晨尿或随 机尿10ml ,米集前,应避免 剧烈运动如: 跑步、爬楼等,应休息15分 钟后进行采集。

尿管加盖及时送检9元当天尿酸碱度PH干片法5.0-9.0白细胞LEU干片法<15/ 卩 l亚硝酸盐NIT干片法阴性尿蛋白PRO干片法0-0.1g/L尿糖GLU干片法<2.8mmol/L尿酮体KET干片法<0.5mmol/L尿胆原UBG干片法<16 卩 mmol/L尿胆红素BIL干片法<17 卩 mmol/L血BLD干片法<10/ 卩 L维生素CVite干片法0-0mmol/L镜检Microscope未见异常26尿本周氏蛋白定性B-J加热法新鲜尿5-10ml尿管加盖及时送 检3元当日27尿含铁血黄素定性试验ROUSROUS 法阴性新鲜尿5-10ml3元28尿妊娠试验HCG胶体金法阴性新鲜尿5-10ml8元29尿乳糜试验chyluria乙醚法阴性新鲜尿5-10ml3元30尿沉渣计数红细胞RBC计数法男 <3 万/h,女 <4 万/h ;〈 50 万/12H先将尿排空收集3h尿液 混匀并准确纪 录尿量取10ml送检尿管加盖及时送检5元当天白细胞WBC计数法男 <7 万/h,女 <14 万/h;<100 万/12H管型CASTS计数法<400/h31尿红细胞相位检查外观新鲜尿液(弃 去清晨第一次尿)尿管加盖立即 送检15元当天红细胞数RBC数计数法红细胞大小RBC大小红细胞形态RBC形态32尿白细胞分类白细胞总数WBC总数沙黄染色新鲜尿液(弃 去清晨第一次尿)尿管加盖立即 送检6元当天多形核计数法单个核计数法3324小时蛋白定量检查U-PRO比色法<0.01-0.15g/24h早七点把尿液 排空,将24小 时尿液全部留 下(包括次日 早七点所留的 尿液),充分混 匀,并测量尿 量记录下来, 取混匀尿液尿管加盖及时送检5元2天34粪便检查外观镜检—细胞寄生虫卵结晶肠道真菌肠寄生原虫SRT肉眼观察镜检未见异常35十二 指肠 引流 液及 胆汁检查常浆37常膜10ml新鲜大便,用干净竹签挑取 含有粘液、脓血成分的大便,绿豆大小,不得混入尿便潜血试验细胞寄生虫卵结晶外观透明度OB金标法镜检阴性未见异常serousmembra ne肉眼观察淡黄色透明专用便盒(不可用手纸包裹)及时送检2.5元当天新鲜便 专用便盒及时送检15元当天留取D、A、C四管B、无菌小瓶穿刺液置于清洁容器中专用无菌瓶及时送检10元当天fl加Do疑抗「 并mo掏于少 。

mlwm标!| o・ o 1 缘 孑 1 - XX rnu5 7 柿齐-r二 匕 上法 射 折8V法 氏 黎性检 镜83痰液常规外m g d刷力:分 师口,炜伽事挪 ;HX泌盒 蜡 用 专及时送检元5胞 田 纟晶 结93脑脊液常规外F s ciU无管 加个管三查M 3每第箍 命于钟1 ,H 脑置护22肘 将放111估菌及时送检元O度 明 透明 透dn性Vo4外三察 观 艮 肉Z 由崖立即送检元6检 镜量 多胞 田 纟4精液检查外i色 白 灰需忌或 前夭法 集33淫 采』手 液欲> 構禁可或「缸管 」尿采小、冷元O2化 液 全 完量5精子计数精子活力畸形细胞镜检0.5 亿-1.5 亿 /ml>70%其他方法将 一次射岀全部 精液直接排入 专用管内(不 可用避孕套)。

下载提示
相似文档
正为您匹配相似的精品文档