文档详情

七段显示译码器7448功能

cn****1
实名认证
店铺
DOCX
38.56KB
约2页
文档ID:488182471
七段显示译码器7448功能_第1页
1/2

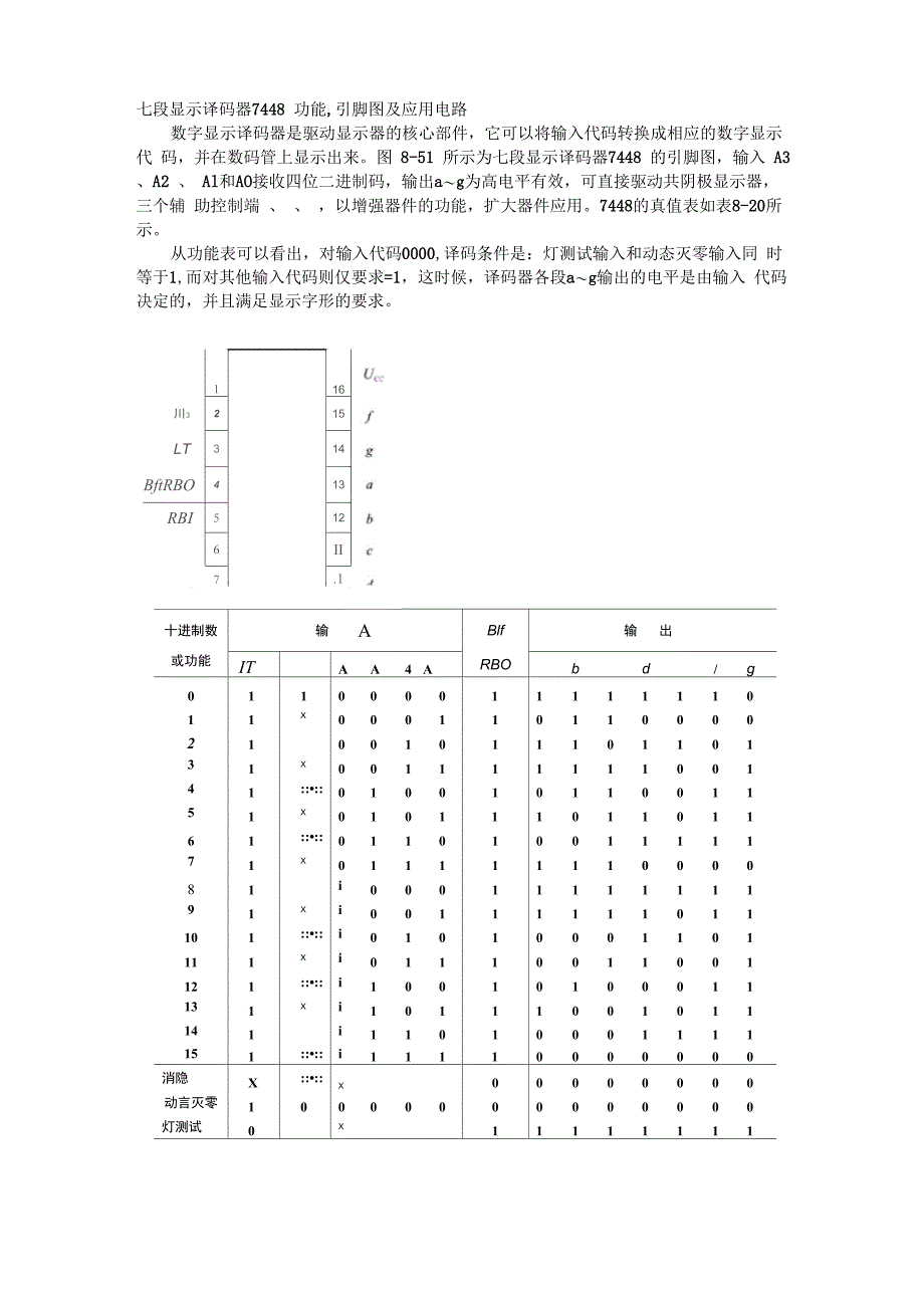
七段显示译码器7448 功能,引脚图及应用电路数字显示译码器是驱动显示器的核心部件,它可以将输入代码转换成相应的数字显示代 码,并在数码管上显示出来图 8-51 所示为七段显示译码器7448 的引脚图,输入 A3 、A2 、 Al和AO接收四位二进制码,输出a〜g为高电平有效,可直接驱动共阴极显示器,三个辅 助控制端 、 、 ,以增强器件的功能,扩大器件应用7448的真值表如表8-20所示从功能表可以看出,对输入代码0000,译码条件是:灯测试输入和动态灭零输入同 时等于1,而对其他输入代码则仅要求=1,这时候,译码器各段a〜g输出的电平是由输入 代码决定的,并且满足显示字形的要求116川3215LT314BftRBO413RBI5126II7.1十进制数输ABlf输出或功能ITAA4ARBObd/g01100001111111011X0001101100002100101110110131X00111111100141::•::01001011001151X01011101101161::•::01101001111171X01111111000081i0001111111191Xi00111111011101::•::i01010001101111Xi01110011001121::•::i10010100011131Xi10111001011141i11010001111151::•::i11110000000消隐X::•::X00000000动言灭零10000000000000灯测试0X11111111图 8-51 7448 引脚图表 8-20 7448 功能表灯测试输入低电平有效。

当=0时,无论其他输入端是什么状态,所有输出a~g均为 1,显示字形8该输入端常用于检查7448 本身及显示器的好坏动态灭零输入 低电平有效当=1,,且输入代码 时,输出a〜g均为低电平,即与0000 码相应的字形0不显示,故称“灭零”利用=1与= 0,可以实现某一位数码的“消隐”灭灯输入/动态灭零输出 是特殊控制端,既可作输入,又可作输出当 作输入使用, 且=0时,无论其他输入端是什么电平,所有输出a〜g均为0,字形熄灭作为输出使用 时,受 和 控制,只有当 , ,且输入代码 时, ,其他情况下 该端主要用于显示多位 数字时多个译码器之间的连接例8-13】七段显示器构成两位数字译码显示电路如图8-52所示当输入8421BCD 码时,试分析两个显示器分别显示的数码范围图 8-52 两位数字译码显示电路解:图8-52所示的电路中,两片7448的 均接高电平由于7448(1)的,所以,当它 的输入代码为 0000时,满足灭零条件,显示器(1)无字形显示 7448(2)的,所以,当它的输 入代码为0000时,仍能正常显示,显示器(2)显示0而对其他输入代码,由于,译码器都 可以输出相应的电平驱动显示器。

根据上述分析可知,当输入8421BCD码时,显示器(1)显示的数码范围为1〜9,显示器 (2)显示的数码范围为 0〜9。

下载提示
相似文档
正为您匹配相似的精品文档