文档详情

阀门规范标准

pu****.1
实名认证
店铺
DOC
126.50KB
约5页
文档ID:458647720
阀门规范标准_第1页
1/5

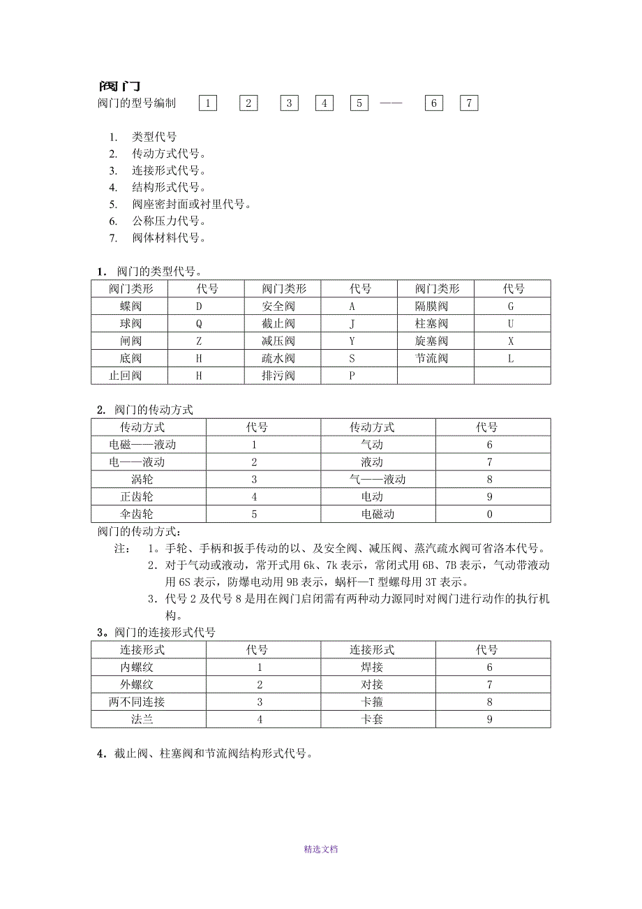
阀门阀门的型号编制 1 2 3 4 5 —— 6 7 1. 类型代号2. 传动方式代号3. 连接形式代号4. 结构形式代号5. 阀座密封面或衬里代号6. 公称压力代号7. 阀体材料代号1. 阀门的类型代号阀门类形代号阀门类形代号阀门类形代号蝶阀D安全阀A隔膜阀G球阀Q截止阀 J柱塞阀U闸阀Z减压阀 Y旋塞阀X底阀H疏水阀S节流阀L止回阀H排污阀P2. 阀门的传动方式传动方式代号传动方式代号电磁——液动 1气动6电——液动 2液动7涡轮 3气——液动8正齿轮 4电动9伞齿轮 5电磁动0阀门的传动方式: 注: 1手轮、手柄和扳手传动的以、及安全阀、减压阀、蒸汽疏水阀可省洛本代号 2.对于气动或液动,常开式用6k、7k表示,常闭式用6B、7B表示,气动带液动用6S表示,防爆电动用9B表示,蜗杆—T型螺母用3T表示 3.代号2及代号8是用在阀门启闭需有两种动力源同时对阀门进行动作的执行机构阀门的连接形式代号连接形式代号连接形式代号内螺纹1焊接6外螺纹2对接7两不同连接3卡箍8法兰4卡套94.截止阀、柱塞阀和节流阀结构形式代号。

精选文档截止阀、柱塞阀和节流阀代号截止阀、柱塞阀和节流阀代号1直流式(Y型)52平衡直通式63角式74针型截止阀85.闸阀结构形式代号闸 阀 结 构 形 式代 号明 杆锲 式弹 性 闸 板0刚 性单闸板1双闸板2平 行 式单闸板3双闸板4暗 杆锲 式单闸板5双闸板6平 行 式单闸板7双闸板86.球阀结构形式代号球 阀 结 构 形 式代 号球 阀 结 构 形 式代 号浮 动 阀直 通 式1固 定 球 阀四 通 6Y 形三通式2直 通 式7L 形4T 形三通式8T 形5L 形9半 球 直 通07.蝶阀结构形式代号蝶 阀 结 构 形 式代 号蝶 阀 结 构 形 式代 号密 封 型中 线 式1非 密 封 型中 线 式6单 偏 心2单 偏 心7双 偏 心3双 偏 心8连杆(变)偏心4连杆(变)偏心98.隔膜阀结构形式代号隔 膜 阀 结 构 形 式代 号隔 膜 阀 结 构 形 式代 号屋 脊 式1闸 板 式7截 止 式3角 式 Y 形8直 流 板 式5角 式 T 形9直 通 式6精选文档9.旋塞阀结构形式代号。

旋 塞 阀 结 构 形 式代 号旋 塞 阀 结 构 形 式代 号填 料密 封L 形2油 封密 封 L 形6 直 通 形3直 通 形7T形三通4T形三通8四 通5静 配 直 通 形9T形三通010.止回阀结构形式代号止 回 阀 结 构 形 式代 号止 回 阀 结 构 形 式代 号升 降直 通 式1回 转 碟 形 止 回 式7立 式2截 止 止 回 式8角 式3旋 启单 瓣 式4多 瓣 式5双 瓣 式611.安全阀结构形式代号安 全 阀 结 构 形 式代 号弹 簧封 闭带 散 热 片全 启 式0微 启 式1全 启 式2带 扳 手全 启 式4不 封 闭双弹簧微启式3微 启 式7全 启 式8带 控 制 机 构全 启 式6脉 冲 式9杠 杆 式512.减压阀结构形式代号减 压 阀 结 构 形 式代 号减 压 阀 结 构 形 式代 号直 接 作 用 波 纹 管 式1先 导 波 纹 管 式4直 接 作 用 薄 膜 式2先 导 薄 膜 式5先 导 活 塞 式313.蒸汽疏水阀结构形式代号。

蒸汽疏水阀结构形式代 号蒸汽疏水阀结构形式代 号浮 球 式1蒸 汽 压 力 式6迷宫或孔板式2双金属片或弹性式7浮 桶 式3脉 冲 式8精选文档液体或固体膨胀式4圆 盘 式9钟 形 浮 子 式514.排污阀结构形式代号排 污 阀 结 构 形 式代 号液 面 连 接截 止 形 直 通 式1截 止 形 角 式2 液 底 间 断截 止 形 直 流 式5截 止 形 直 通 式6截 止 形 角 式7浮 动 闸 板 形 直 通 式815.阀座密封或衬里材料代号阀座密封或衬里材料代 号阀座密封或衬里材料代 号锡基轴承合金(巴氏和金)B尼 龙 塑 料N搪 瓷C渗 硼 钢P渗 氮 钢D衬 铅Q18—8系 不 锈 钢EMo2Ti 系 不 锈 钢R氟 塑 料F塑 料S玻 璃G铜 合 金TCr13系不锈钢H橡 胶X衬 胶J硬 质 合 金Y蒙 乃 尔 合 金M注:1由阀体直接加工的阀座密封面材料代号用w表示。

2.当密封体的密封面材料不同时,以硬度低的材料代号表示16.阀体材料代号阀 铸体 材 料代 号阀 体 材 料代 号钛 及 钛 合 金AQT40--15球 墨 铸 铁Q碳 钢CMo2Ti 系 不 锈 钢RCr13 系 不 锈 钢H塑 料S铬 钼 钢I铜 及 铜 合 金TKT30--6可 锻 铸 铁K铬 钼 钒 钢V铝 合 金LHT25--47灰 铸 铁Z18—8系 不 锈 钢P17.通用阀门的标志项目项目标志项目标志111212313414515精选文档61671781891910GB/T12220---1989 (注:可编辑下载,若有不当之处,请指正,谢谢!) 精选文档。

下载提示
相似文档
正为您匹配相似的精品文档
相关文档