文档详情

几种灭菌方法对比表4

飞***
实名认证
店铺
DOC
78KB
约6页
文档ID:5392531
几种灭菌方法对比表4_第1页
1/6

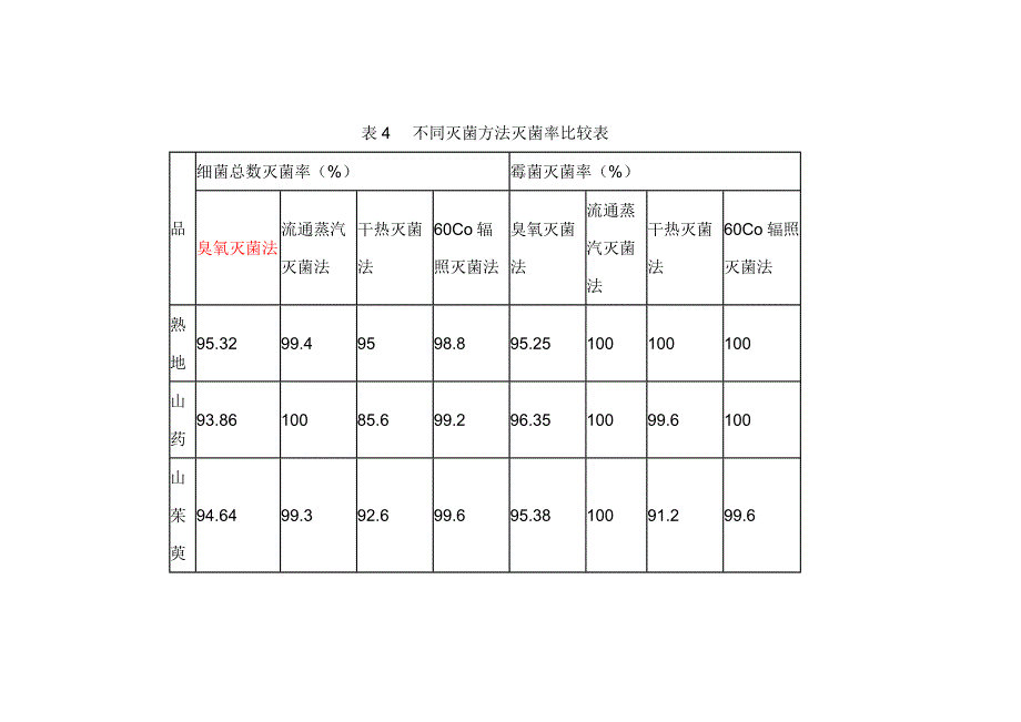
表 4 不同灭菌方法灭菌率比较表细菌总数灭菌率(%) 霉菌灭菌率(%)品臭氧灭菌法流通蒸汽灭菌法干热灭菌法60Co 辐照灭菌法臭氧灭菌法流通蒸汽灭菌法干热灭菌法60Co 辐照灭菌法熟地95.32 99.4 95 98.8 95.25 100 100 100山药93.86 100 85.6 99.2 96.35 100 99.6 100山茱萸94.64 99.3 92.6 99.6 95.38 100 91.2 99.6丹 95.07 100 78.8 100 95.75 100 99.8 99.4皮茯苓95.11 99.8 80.2 99.5 96.39 100 85.3 100泽泻97.45 99.1 98.4 99.6 95.41 100 89.5 99.6平均95.24 99.60 88.43 99.45 95.76 100 94.23 99.772.3.2 不同灭菌方法对样品成分变异的影响见表 5、表 6、表 7(图略)表 5 六味中药粉 X 射线衍射全谱相似度※Tab 5 Resembly of Six Raw Powders by means of XRD样品未灭菌相干热灭菌似流通蒸汽灭菌度臭氧灭菌60Co 放射灭菌熟地黄 1.0000 0.9802 0.9872 0.9879 0.9887茯 苓 1.0000 0.9872 0.9722 0.9760 0.9886丹 皮 1.0000 0.9837 0.9791 0.9827 0.9832山 药 1.0000 0.9837 0.9840 0.9831 0.9882泽 泻 1.0000 0.9836 0.9833 0.9845 0.9831山茱萸 1.0000 0.9820 09766 0.9835 0.9844表 6 六味中药粉 IR 全谱相似度※Tab 6 Resembly of Six Raw Powders by means of IR样品未灭菌 相干热灭菌似 流通蒸汽灭菌度臭氧灭菌60Co 放射灭菌熟地黄 1.0000 0.9862 0.9932 0.9939 0.9976茯 苓 1.0000 0.9912 0.9823 0.9891 0.9981丹 皮 1.0000 0.9927 0.9891 0.9927 0.9935山 药 1.0000 0.9831 0.9837 0.9840 0.9882泽 泻 1.0000 0.9923 0.9917 0.9925 0.9914山茱萸 1.0000 0.9912 09876 0.9933 0.9964表 7 不同灭菌方法对六味中药粉化学成分影响比较表 ※Tab 7 Comparison of the Effect of Chemical Components of Six Raw Powders by the Different Sterilization Methods样品 对六味中药粉成分影响比较熟地黄 60Co 放射灭菌<臭氧灭菌<流通蒸汽灭菌<干热灭菌茯 苓 60Co 放射灭菌<干热灭菌<臭氧灭菌<流通蒸汽灭菌丹 皮 60Co 放射灭菌<臭氧灭菌<干热灭菌<流通蒸汽灭菌山 药 60Co 放射灭菌<臭氧灭菌<流通蒸汽灭菌<干热灭菌泽 泻 臭氧灭菌<干热灭菌<流通蒸汽灭菌<60Co 放射灭菌山茱萸 60Co 放射灭菌<臭氧灭菌<干热灭菌<流通蒸汽灭菌3.1 试验结果表明,采用粉体气悬浮臭氧接触灭菌法对中药原生药粉进行灭菌处理,平均灭菌率可达95.17%,而且灭菌效果稳定,其结果明显优于干热灭菌法;对药粉中化学成分的影响较小,其优越性仅次于 60Co 辐射灭菌。

而与 60Co 辐照灭菌相比,又具有灭菌周期短、无辐照污染、操作简便等优点3.2 相对于传统的干热灭菌、湿热灭菌、化学灭菌等方法,和新兴的微波灭菌、辐射灭菌等方法,本法具有可常温、常压操作,对药物作用时间短,资源损耗低,符合环保要求等特点特别是其灭菌的优势,对实现中药大生产过程联动化操作和自动化控制,具有十分重要的意义因此,将臭氧技术应用于中药粉的灭菌,特别是用于大生产的流水线联动操作,是切实可行的此外,该灭菌技术的全面推广应用,将促使含原生药粉中药制剂微生物限度质量指标的提高,从而加快中药制剂国际化的进程。

下载提示
相似文档
正为您匹配相似的精品文档