文档详情

化工操作工要求

桔****
实名认证
店铺
DOCX
13.80KB
约3页
文档ID:397241983
化工操作工要求_第1页
1/3

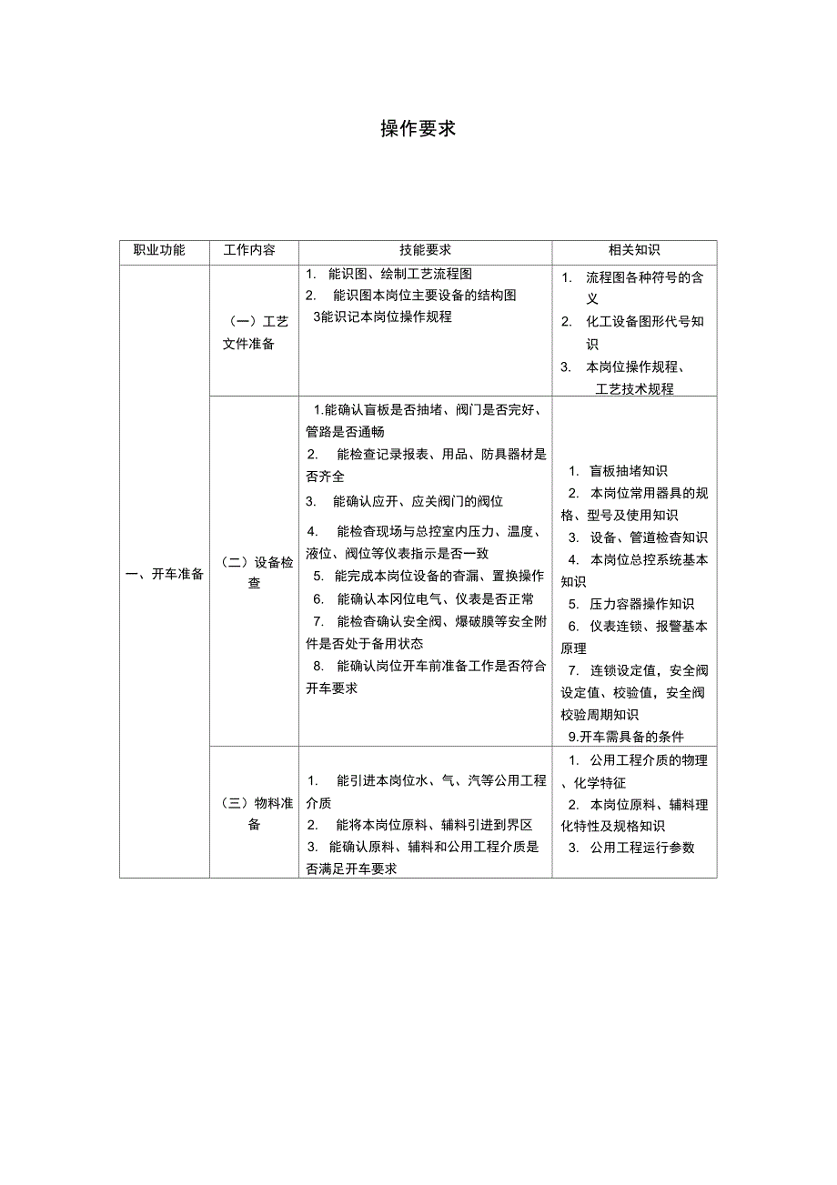
操作要求职业功能工作内容技能要求相关知识一、开车准备(一)工艺文件准备1. 能识图、绘制工艺流程图2. 能识图本岗位主要设备的结构图3能识记本岗位操作规程1. 流程图各种符号的含义2. 化工设备图形代号知识3. 本岗位操作规程、工艺技术规程(二)设备检查1.能确认盲板是否抽堵、阀门是否完好、管路是否通畅2. 能检查记录报表、用品、防具器材是否齐全3. 能确认应开、应关阀门的阀位4. 能检杳现场与总控室内压力、温度、液位、阀位等仪表指示是否一致5. 能完成本岗位设备的杳漏、置换操作6. 能确认本冈位电气、仪表是否正常7. 能检杳确认安全阀、爆破膜等安全附件是否处于备用状态8. 能确认岗位开车前准备工作是否符合开车要求1. 盲板抽堵知识2. 本岗位常用器具的规格、型号及使用知识3. 设备、管道检杳知识4. 本岗位总控系统基本知识5. 压力容器操作知识6. 仪表连锁、报警基本原理7. 连锁设定值,安全阀设定值、校验值,安全阀校验周期知识9.开车需具备的条件(三)物料准备1. 能引进本岗位水、气、汽等公用工程介质2. 能将本岗位原料、辅料引进到界区3. 能确认原料、辅料和公用工程介质是否满足开车要求1. 公用工程介质的物理、化学特征2. 本岗位原料、辅料理化特性及规格知识3. 公用工程运行参数二、总控操作(一)开车操作1. 能按操作规程进行开车操作2. 能将各种工艺参数调节至正常指标范围3. 能进行投料配比计算1. 本岗位开车操作步骤2. 本岗位开车操作主要事项3. 工艺参数调节方法4. 物料配比计算知识(二)运行操作1.能进行自控仪表、计算机控制系统的台面操作2. 能利用总控仪表和计算机控制系统对现场进行遥控操作及切换操作3. 能根据指令调整本岗位的主要工艺参数4. 能操作总控仪表、计算机控制系统对本岗位的全部工艺参数进行跟踪监控和调节,并能指挥进行参数调节5. 能根据中控分析结果和质量要求调整本岗位的操作6. 能进行物料横算7. 能进行常用计量单位换算8. 能完成日常的巡回检查9. 能填写各种生产记录10.能悬挂各种警示牌1. 生产控制指标及调节知识2. 各项工艺指标的制定标准和依据3. 计量单位换算知识4. 生产控制参数的调节方法5. 中控分析基本知识6. 物料横算知识7. 巡回检查知识8.警示牌的类型和挂牌要求(三)停车操作1. 能按操作规程进行停车操作2. 能完成本岗位介质的排空、置换操作3. 能完成本岗位机、泵、管线、容器等设备的清洗、排空操作4. 能确认本岗位阀门处于停车时的开闭状态1. 本岗位停车操作步骤2. “三废”排放点、“三废”处理要求3. 介质排空、置换知识4. 岗位停车要求(四)设备维护保养1. 能保持总控仪表、计算机的清洁卫生2. 能保持打印机的清洁、完好仪表、控制系统维护知识(一)事故判断1. 能判断设备的温度、压力、液位、流量异常等故障2. 能判断传动设备的跳车事故3. 能判断物料中断事故4. 能判断跑料、串料等工艺事故5. 能判断停水、停电、停气、听汽1. 装置运行参数2. 跳车事故的判断方法3. 岗位常见事故的原三、事故判断与处理等突发事故6. 能判断常见的设备、仪表故障7. 能根据产品质量标准判断产品质量事故因分析知识4.产品质量标准(二)事故处理1. 能处理酸、碱等腐蚀介质的灼伤事故2. 能按指令切断事故物料3. 能处理温度、压力、液位、流量异常等故障4. 能处理物料中断事故5. 能处理跑料、串料等工艺事故6. 能处理停水、停电、停气、停汽等突发事故7. 能处理产品质量事故1. 酸、碱等腐蚀介质灼伤事故的处理方法2. 有毒有害物料的理化性质3. 设备温度、压力、液位、流量异常的处理方法4. 物料中断处理方法5. 跑料、串料处理方法6. 停水、停电、停气、停汽等突发事故的处理方法7. 产品质量事故的出来方法。

下载提示
相似文档
正为您匹配相似的精品文档