文档详情

Q235B管道焊接工艺设计评定

mg****2
实名认证
店铺
DOC
8.59MB
约10页
文档ID:179726102
Q235B管道焊接工艺设计评定_第1页
1/10

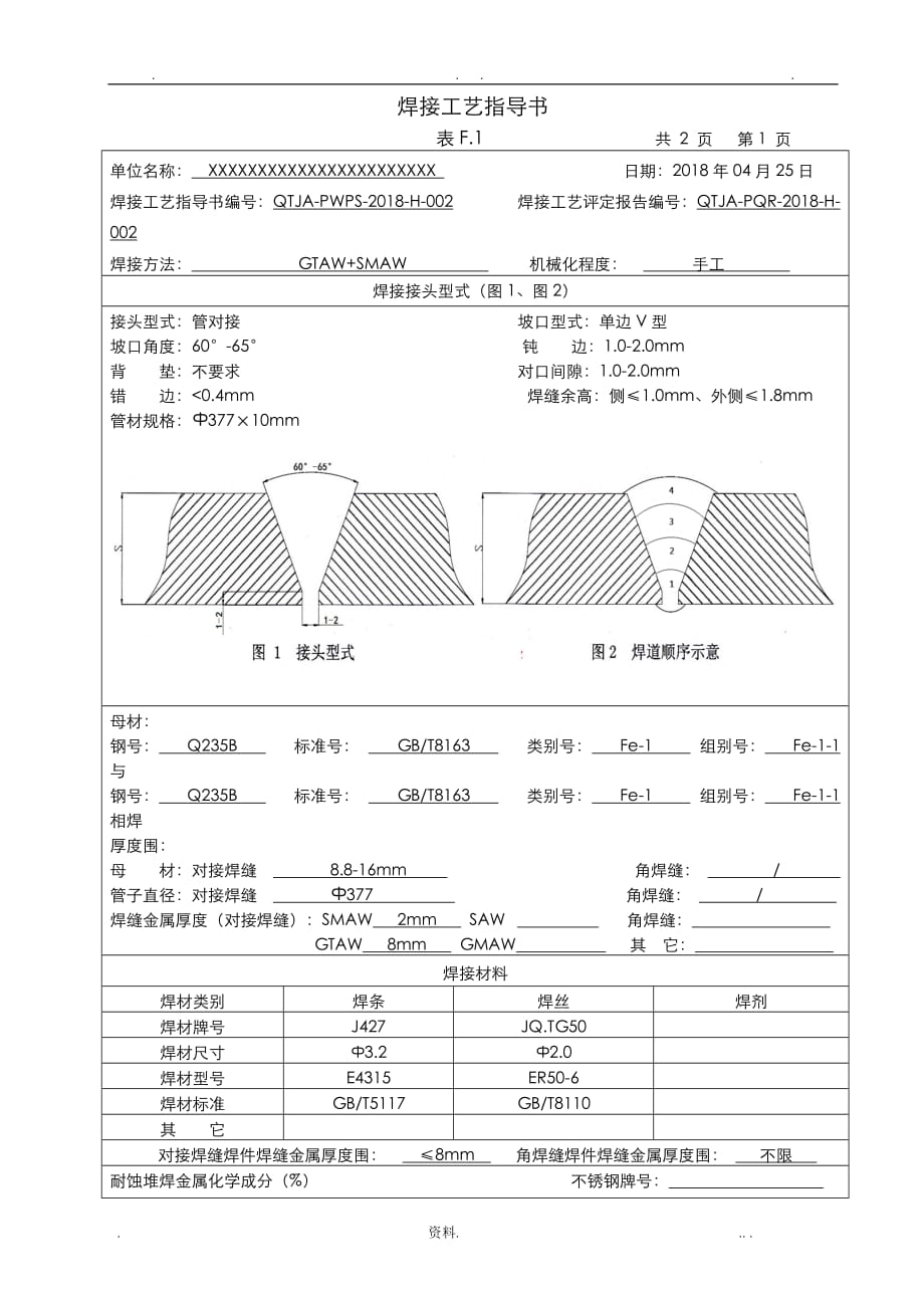
. . . 焊接工艺指导书表F.1 共 2 页 第1 页单位名称: XXXXXXXXXXXXXXXXXXXXXXX 日期:2018年04月25日焊接工艺指导书编号:QTJA-PWPS-2018-H-002 焊接工艺评定报告编号:QTJA-PQR-2018-H-002焊接方法: GTAW+SMAW 机械化程度: 手工 焊接接头型式(图1、图2)接头型式:管对接 坡口型式:单边V型坡口角度:60-65 钝 边:1.0-2.0mm背 垫:不要求 对口间隙:1.0-2.0mm错 边:<0.4mm 焊缝余高:侧≤1.0mm、外侧≤1.8mm管材规格:Ф37710mm母材:钢号: Q235B 标准号: GB/T8163 类别号: Fe-1 组别号: Fe-1-1 与钢号: Q235B 标准号: GB/T8163 类别号: Fe-1 组别号: Fe-1-1 相焊厚度围:母 材:对接焊缝 8.8-16mm 角焊缝: / 管子直径:对接焊缝 Ф377 角焊缝: / 焊缝金属厚度(对接焊缝):SMAW 2mm SAW 角焊缝: GTAW 8mm GMAW 其 它: 焊接材料焊材类别焊条焊丝焊剂焊材牌号J427JQ.TG50焊材尺寸Ф3.2Ф2.0焊材型号E4315ER50-6焊材标准GB/T5117GB/T8110其 它对接焊缝焊件焊缝金属厚度围: ≤8mm 角焊缝焊件焊缝金属厚度围: 不限 耐蚀堆焊金属化学成分(%) 不锈钢牌号: CSiMnPSCrNiMoVTiNb其它:表F.1续 共 2 页 第 2 页焊接位置:对接焊缝位置: 45固定 焊接方向: 向上 角焊缝位置: 焊接方向: 焊后热处理:温度围(℃): 保温时间(h): 焊前预热预热温度(℃)(允许最低值) 5℃ 层间温度(℃)(允许最高值) 250℃ 保持预热时间(h) 加热方式: 气体: 气体种类 混合比 流量(l/min)保护气 氩气 99.99% 9-11 尾部保护气 背面保护气 电特性:电流种类: 直流 极性: 正/反接 焊接电流围(A): 见下表 电弧电压(V): 见下表 焊道/焊层焊接方法焊接材料焊接电流电弧电压(V)焊接速度(cm/min)线能量(KJ/cm)牌号规格极性电流(A)1GTAWER50-6Ф2.5正接85-9518-208-1211.42SMAWJ427Ф3.2反接100-12022-2612-1414.43SMAWJ427Ф3.2反接100-12022-2612-1414.43SMAWJ427Ф3.2反接100-12022-2612-1414.4钨极类型及直径: 铈钨极、Ф2.0 喷嘴直径(mm) 12 焊接电弧种类(喷射弧/短路弧): 连弧 焊丝送进速度(cm/min): 8-12 技术措施:摆动或不摆动: 摆动 摆动参数: 微摆 焊前清理或层间清理: 砂轮机打磨 背面清根方式: / 单道焊或多道焊: 单道焊 单丝焊或多丝焊: 单丝焊 导电嘴至工件距离(cm): 1-1.5 锤击: 其他:编制:2018年 04月 25 日审核:2018年 04 月 25 日批准:2018年 04 月 25 日焊接工艺评定报告 表F.2 共 3 页 第1 页单位名称:XXXXXXXXXXXXXX 日期:2018年05月10日焊接工艺评定报告编号:QTJA-PQR-2018-H-002 焊接工艺指导书编号:QTJA-PWPS-2018-H-002 焊接方法: GTAW+SMAW 机械化程度: 手工 焊接接头型式(图1、图2)母材规格:Ф377*10(S=10mm)母材:钢 号: Q235B 与 钢 号: Q235B 标 准 号: GB/T8163 与 标 准 号: GB/T8163 类组别号: Fe-1/ Fe-1-1 与类组别号: Fe-1/ Fe-1-1 相焊厚 度: 10mm/10mm 直 径: Ф377 其 它: 焊后热处理: 热处理温度(℃): 保温时间(h): 气体: 气体种类 混合比 流量(l/min)保护气 氩气 99% 9-11 尾部保护气 背面保护气 焊接材料:填充金属: 焊丝 焊材标准: GB/T8110 填充金属: 焊条 焊材标准: GB/T5117 焊材牌号: ER50-6/J427焊材规格: Ф2.5/Ф3.2 焊缝金属厚度:SMAW 2mm SAW GTAW 8mm GMAW 电特性:电流种类: 直流 极性: 正/反接 钨极尺寸: 铈钨极、Ф2.0 焊接电流(A): 85-120 电弧电压(V): 18-26 焊接位置: 对接焊缝位置: 45固定 方向: 向上 角焊缝位置: 方向: 技术措施: 焊接速度(cm/min): 8-12/12-14 摆动或不摆动: 摆动 摆动参数: 微摆 多道焊或单道焊(每面): 单道焊 多丝焊或单丝焊: 单丝焊 其它: 预热:预热温度(℃): / 层间温度(℃): 其 它: 表F.2续 共 3 页 第 2 页拉伸试验 试验报告编号: ZSHJ-PQR-2018-H-077试样编号试样宽度(mm)试样厚度(mm)横截面积(mm)断裂载荷(KN)抗拉强度(MPa)断裂部位和特征001-L112.21012239.5490断于热影响区001-L212.11012239.5490断于热影响区弯曲试验 试验报告编号:ZSHJ-PQR-2018-H-077 试样编号试样类型试样厚度(mm)弯心直径(mm)弯曲角度()试。

下载提示
相似文档
正为您匹配相似的精品文档