文档详情

焊接参数的选择

ni****g
实名认证
店铺
DOCX
1.33MB
约9页
文档ID:438277127
焊接参数的选择_第1页
1/9

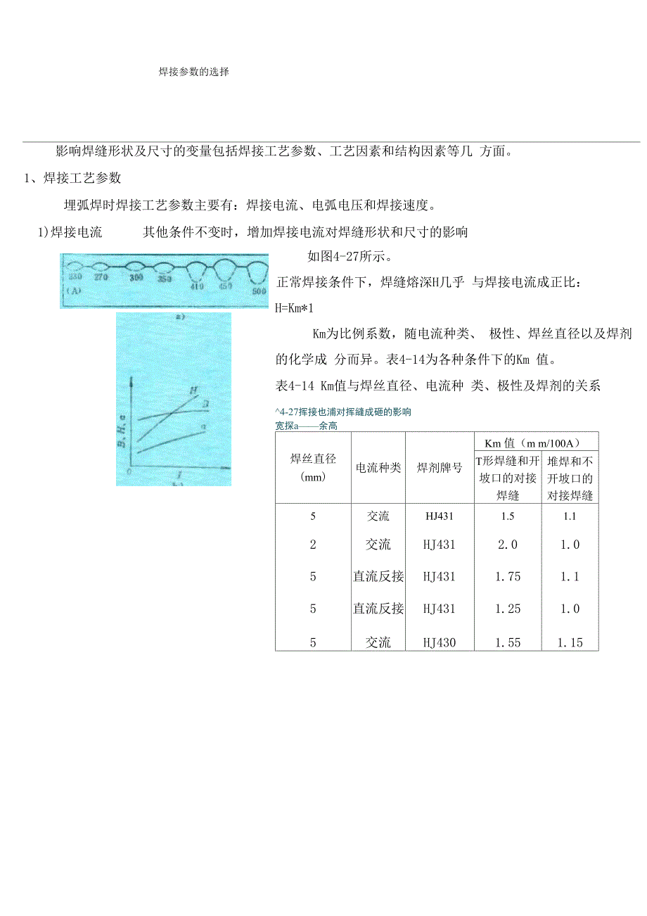
焊接参数的选择影响焊缝形状及尺寸的变量包括焊接工艺参数、工艺因素和结构因素等几 方面1、焊接工艺参数埋弧焊时焊接工艺参数主要有:焊接电流、电弧电压和焊接速度1)焊接电流 其他条件不变时,增加焊接电流对焊缝形状和尺寸的影响如图4-27所示正常焊接条件下,焊缝熔深H几乎 与焊接电流成正比:H=Km*1Km为比例系数,随电流种类、 极性、焊丝直径以及焊剂的化学成 分而异表4-14为各种条件下的Km 值表4-14 Km值与焊丝直径、电流种 类、极性及焊剂的关系^4-27挥接也浦对挥縫成砸的影响宽探a——余高焊丝直径(mm)电流种类焊剂牌号Km 值(m m/100A)T形焊缝和开 坡口的对接 焊缝堆焊和不 开坡口的 对接焊缝5交流HJ4311.51.12交流HJ4312.01.05直流反接HJ4311.751.15直流反接HJ4311.251.05交流HJ4301.551.15同样大小的电流下,改变焊丝直径(即变更电流密度),焊缝的形状和尺 寸将随之改变表 4-15表示了它们之间的关系表 4-15 电流密度对焊缝形状、尺寸的影响TTff |=1焊接电流(A)坝目700-7501000-11001300-140焊丝直径(mm)6546546平均电流密度(A/mJ263658385284486熔深H (mm)7.08.511.510.512.016.517.519熔宽B (mm)222119262422272形状系数B/H3.12.51.72.52.01.31.51.从该表可见,当其他条件相同时,熔深与焊丝直径约成反比关系。

但这种关系在 电流密度极高时(超时100A/)即不复存在此时由于焊丝熔化量不断增加,熔 池中填充金属量增多,熔融金属后排困难,熔深增加得比采用一般电流密度(30~50A/)的慢并且随焊接电流的增加,焊丝熔化量增大当焊缝熔宽保持 不变时,余高加大,使焊缝成形恶化因而提高电流的同时,必须相应地提高电 弧电压 2 )电弧电压电弧电压与电弧长度成正比,在相同的电弧电压和电流数值时,如果所用 的焊剂不同,电弧空间的电场强度也不同,则电弧长度可能不同在其他条件不 变的情况下,改变电弧电压对焊缝形状影响如图4-28所示可见,随着电弧电 压的增高,焊缝熔宽显著增加而熔深和余高将 略微有减少极性不同时,电弧电压对熔宽的影响不同 表4-16 为采用 HJ431 时,正极性和反极性下电 弧电压对熔宽的影响埋弧焊时,电弧电压是 根据焊接电流确定的即一定的焊接电流时要 保持一定范围的弧长,以保证电弧的稳定燃烧 因此电弧电压的变动范围是有限的 表 4-16 不同极性埋弧焊时电弧电压对熔宽的影响电弧电压(V)熔宽B (mm)正极性反极性30-32212240-42252853-5525333)焊接速度 焊接速度对熔深和熔宽均有明显影响。

焊接速度较小(如单丝埋弧焊焊速小 于 67cm/min )时;随焊接速度的增加,弧柱倾斜,有利于熔池金属向后流动, 故熔深略有增加,但焊接速度到达一定数值后,由于线能量减少的影响增大,熔 深和熔宽都明显减少实际生产中为了提高生产率同时保持一定的线能量,在提高焊接速度的同时 必须加大电弧功率,从而也将保证一定的熔深和熔宽2、工艺因素焊丝倾角和工件斜度对焊缝成形的影响 焊丝的倾斜方向分为前倾和后倾两种,见图 4-30倾斜的方向和大小不同, 电弧对熔池的力的热的作用就不同,从而 对焊缝成形的影响各异图 4-30 a 为焊丝 前倾,b为后倾焊丝在一定倾角内后倾 时,电弧力后排熔池金属的作用减弱,熔 池底部液体增厚,故熔深减小而电弧对 熔池前方的母材预热作用加强,故熔宽增 大图 4-30c 是后倾角对熔深、熔宽的影 响实际工作中焊丝前倾只在某些特殊情况下使用,例如焊接小直径圆筒形工件 的环缝等工件倾斜焊接时有上坡焊和下坡焊两种情况,它们对焊缝成形的影响明显 不同,见图 4-31上坡焊时(图 4-31a、b), 若斜度P角>6° -12°,则焊缝余高过大, 两侧出现咬边,成形明显恶化实际工作 中应避免采用上坡焊。

下坡焊的效果与上坡焊相反,见图 4-31c、d当p <6° -8°时,焊缝的熔深 和余高均有减小,而熔宽略有增加,焊缝 成形得到改善继续增大 p 角将会产生未 焊透、焊瘤等缺陷在焊接圆筒工件的内 外环焊缝时,一般都采用下坡焊,以减小 发生烧穿的可能性,并改善焊缝成形3、结构因素(1)坡口形状 在其他条件相同时,增加坡口深度和宽度, 则焊缝熔深略有增加,熔宽略有减小,余高和熔合比显著减小,如图 4-32所示 因此,通常用开坡口的方法控制焊缝的余高和熔合比2)间隙 在对接焊缝中,改变间隙大小也可能作为调整熔合比的一种手段表4-17 为间隙对焊缝尺寸影响的一些数据表4-17焊缝间隙对对接焊缝尺寸的影响(焊丝0 5mm,HJ330)板厚(mm)工艺参数熔深(mm)熔宽(mm)余高(mm)熔合比(%)电流(A)电弧电压(V)焊接速度(cm/min)间隙(mm)024024024024700〜507.58.07.52021202.52.01.07464571232 〜347501345.66.05.51011102.0一一716146201.09.510.02727273.02.02.560575220800〜36 〜3833.411.011.511.02322223.52.51.56358498501346.57.07.01111102.5一一7261452010.511.010.53433353.53.02.561595530900〜40 〜4233.412.012.011.03029303.02.01.567635910001347.57.57.51012121.5一一777260(3)工件厚度(t)和工件散热条件当熔深HW(0.7〜0.8)t时,则板厚与工件散热条件对熔深的影响很小,但工件的散热条件对熔宽及余高有明显的影响,用同样的工艺参数在冷态厚板上施焊时,所得的焊缝比在中等厚度板上施焊时的焊缝熔宽较小而余高较大。

2、 埋弧焊的接头形式熔炼的接头基本型式有对接接头、T型接头、塔接接头、角接接头、端接 接头对接接头可用于大多数焊接方法焊接3、 焊接位置在产品制造过程中,焊接接头可能处于不同的焊接位置,而平焊位置是最容 易、最普遍的焊接位置一般在焊接过程中应尽量把工件的焊接位置处于平焊位 置进行焊接这不但为高生产率的埋弧焊、射流过度的气体保护焊提高了条件, 而且也有利于很多焊接方法生产率的提高和质量的提高对于处于立焊位置的焊 缝,如果工件厚度很大,宜采用电渣焊、气电立焊也可以用熔化极气体保护焊 和手弧焊进行多层多道焊对于薄工件的立焊应优先选用CO2保护焊4、 埋弧焊坡口标准形式表 2-17 埋弧自动焊坡口标准形式( mm)序 号适用 厚度坡口形式焊缝形式基本尺寸标注方法13-10■ 丄..d3-103—142 3—143 6—204 3—125 3—126—206 3—5 >5-9 >9—12b 2±1 3±1 4±16 3—5 >5—9 >9—126 6—2410-209 10-3010 10-2411 10-3012 6-166 6—12>11—242±13±110-202±14±110-16>16-20p 6±1 7±15 10-16 >16-20 >20-30b 2±1 3±1 4±12±15 10-16 >16-24b 2±1 3±1p 3±1 4±110-16>16-20>20-302±13±14±13±25 6-7 >7-12 >12-162±1p 3±1 5±1 8±110-20>20-300心p 7±1 10±l30-6014 30-6010±22±170°±5°20-3020-306±124-601824-606±15 50-100 >100-16050-16a 10°±2° 6°±2°10±15 40-60 >60-90 >90-13040-13a1 10°±2° 6°±2° 4°±2°12±12±110±121 6-145 6-9 >9-14Kmi5 10-15 >15-202±123 20-40Kmi>20-402±1Kmi242-2025>6-11>10-14>14-202-602728 10-2429 16-40KmiKmiKmi6n、l (e)由设计确定>5-1<12-1<18-2>25-4>40-610-15>15-2>20-242±116-404±130-60。

下载提示
相似文档
正为您匹配相似的精品文档