文档详情

城市道路箱涵结构计算书.doc

cl****1
实名认证
店铺
DOC
1.13MB
约15页
文档ID:536569028
城市道路箱涵结构计算书.doc_第1页
1/15

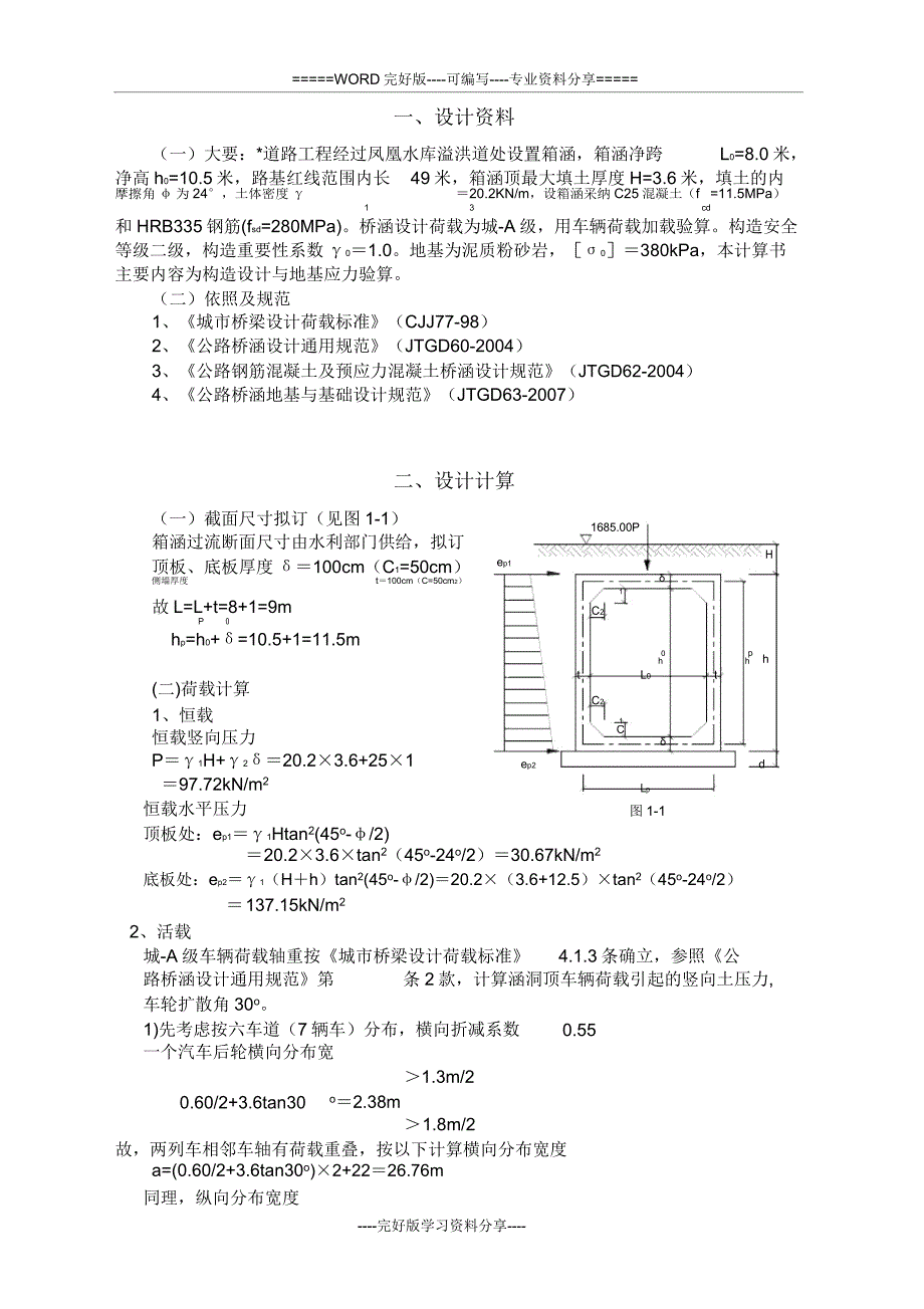
WORD完好版----可编写----专业资料分享=====一、设计资料(一)大要:*道路工程经过凤凰水库溢洪道处设置箱涵,箱涵净跨L0=8.0米,净高h0=10.5米,路基红线范围内长49米,箱涵顶最大填土厚度H=3.6米,填土的内摩擦角φ为24°,土体密度γ1=20.2KN/m,设箱涵采纳C25混凝土(f=11.5MPa)3cd和HRB335钢筋(fsd=280MPa)桥涵设计荷载为城-A级,用车辆荷载加载验算构造安全等级二级,构造重要性系数γ0=1.0地基为泥质粉砂岩,[σ0]=380kPa,本计算书主要内容为构造设计与地基应力验算二)依照及规范1、《城市桥梁设计荷载标准》(CJJ77-98)2、《公路桥涵设计通用规范》(JTGD60-2004)3、《公路钢筋混凝土及预应力混凝土桥涵设计规范》(JTGD62-2004)4、《公路桥涵地基与基础设计规范》(JTGD63-2007)二、设计计算(一)截面尺寸拟订(见图1-1)1685.00P箱涵过流断面尺寸由水利部门供给,拟订H顶板、底板厚度δ=100cm(C1=50cm)ep1δ侧墙厚度t=100cm(C=50cm2)C1故L=L+t=8+1=9mC2P0hp=h0+δ=10.5+1=11.5m0phthth(二)荷载计算L0C21、恒载1恒载竖向压力CδdP=γ1H+γ2δ=20.2×3.6+25×1ep2=97.72kN/m2Lp恒载水平压力图1-1顶板处:ep1=γ1Htan2(45o-φ/2)= 20.2×3.6×tan2(45o-24o/2)=30.67kN/m2底板处:ep2=γ1(H+h)tan2(45o-φ/2)=20.2×(3.6+12.5)×tan2(45o-24o/2)= 137.15kN/m22、活载城-A级车辆荷载轴重按《城市桥梁设计荷载标准》4.1.3条确立,参照《公路桥涵设计通用规范》第条2款,计算涵洞顶车辆荷载引起的竖向土压力,车轮扩散角30o。

1)先考虑按六车道(7辆车)分布,横向折减系数0.55一个汽车后轮横向分布宽o=2.38m>1.3m/20.60/2+3.6tan30> 1.8m/2故,两列车相邻车轴有荷载重叠,按以下计算横向分布宽度a=(0.60/2+3.6tan30o)×2+22=26.76m同理,纵向分布宽度----完好版学习资料分享----=====WORD完好版----可编写----专业资料分享=====0.25/2+3.6tan30o=2.2m>1.2m/2故,同列车相邻车轴有荷载重叠,纵向分布宽度按以下计算b=(0.25/2+3.6tan30o)×2+1.2=5.6m车辆荷载垂直压力q车=(140×2×7)/(26.76×5.6)×0.55=7.20kN/m22) 考虑按两车道(2辆车)分布,横向折减系数1.0一个汽车后轮横向分布宽> 1.3m/20.60/2+3.6tan30o=2.38m> 1.8m/2故,两列车相邻车轴有荷载重叠,按以下计算横向分布宽度a=(0.60/2+3.6tan30o)×2+4.9=9.66m同理,纵向分布宽度0.25/2+1.6tan30o=1.05m>1.2m/2故,同列车相邻车轴有荷载重叠,纵向分布宽度按以下计算b=(0.25/2+3.6tan30o)×2+1.2=5.61m车辆荷载垂直压力×1.0=10.33kN/m2q车=(140×2×2)/(9.66×5.61)10.33kN/m2。

依据上述计算,车辆荷载垂直压力取大值按两车道部署计算取值故,车辆水平压力e车=10.33×tan2(45o-24o/2)=4.36kN/m2(三)内力计算1、构件刚度比(单位长度)11.01.03×11.5=1.28K=I1×hp=12I2Lp11.039.0121.0P2、节点弯矩和构件轴力计算MaBMaC(1)a种荷载作用下(图1-2)1BC涵洞四角节点弯矩:MaA=MaB=Mac=MaD=-1?(P)L2PNa33a4Na4K112N=N=0,N=N=(P)LPADa1a2a3a422MaAMaDP恒载(P=97.72kN/m2)图1-2M=197.729.02?=-289.30kN·maA1.2811297.729.0Na3==439.74kN车辆荷载(P=q车=10.33kN/m2)----完好版学习资料分享----=====WORD完好版----可编写----专业资料分享=====M=110.339.02?=-30.60kN·maA1.28112Na3=10.339.0=46.49kNMbB2B(2)b种荷载作用下(图1-3)K(P)hP2PM=M=M=M=-?bAbBbcbDK1123Nb1=Nb2=(P)hP,Nb3=Nb4=0A2恒载(P=ep1=30.67kN/m2)MbAMbA=1.2830.6711.52?=-189.76kN·m1.28112Nb1=30.6711.5=176.35kN2(3)c种荷载作用下(图1-4)Nb1MbC1CP4b2DNb2MbD图1-3McA=McD=K(3K8)(P)hp2(K1)(K3)?60McB=McC=K(2K7)(P)hp2(K1)(K3)?60PhpMcAMcBNC1=hP6PhpMcAMcBNC2=hP3NC3=NC4=0恒载(P=ep2-ep1=106.48kN/m2)Nc1McBB1P3cA2McANc2图1-4McCCP4DMcDMcA=McD=1.28(31.288)?106.4811.52=-364.5kN·m(1.281)(1.283)60McB=McC=1.28(21.287)106.4811.52=-294.30kN·m?60(1.281)(1.283)NC1=106.4811.5364.5294.3=198kN611.5N=106.4811.5364.5294.3=414.3kNC2311.5(4)d种荷载作用下(图1-5)Nd1MdCBMdB----完好版学习资料分享----P1C3Nd3d4Nd4=====WORD完好版----可编写----专业资料分享=====M=-[K(K3)10K2]·PhP2dA6(K24K3)15K54M=-[K(K3)5K3]·PhP2dB6(K24K3)15K54MdC=-[K(K3)5K3]·PhP26(K24K3)15K54MdD=-[K(K3)3)10K2]·PhP26(K24K15K54Nd1=MdDMdC,Nd2=Php-MdDMdC,Nd3=Nd4=-MdBMdChPhPLP车辆荷载(P=e车=4.36kN/m2)K(K3)=1.28(1.283)=0.09366(K24K3)6(1.28241.283)10K2=101.282=0.611615K5151.2855。

下载提示
相似文档
正为您匹配相似的精品文档
相关文档