文档详情

设施设备的维修保养与清洁卫生评定标准

luobi****88888
实名认证
店铺
DOC
409KB
约7页
文档ID:93460070
设施设备的维修保养与清洁卫生评定标准_第1页
1/7

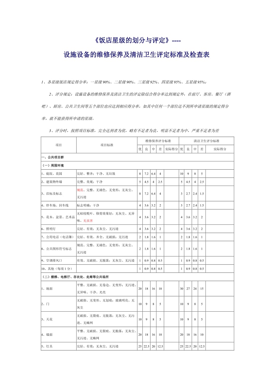
《饭店星级的划分与评定》----设施设备的维修保养及清洁卫生评定标准及检查表1、各星级饭店规定得分率:一星级90%、二星级90%、三星级92%、四星级95%、五星级95%;  2、评分规定:设施设备的维修保养及清洁卫生的评定除综合得分率达到规定外,在前厅、客房、餐厅(酒吧)、厨房、公共卫生间等五个部位也应达到相应得分率,如其中任何一个部位达不到所申请星级的规定得分率,就不能获得所申请的星级  3、评分时,按照项目标准,完全达到者为优,略有不足者为良,明显不足者为中,严重不足者为差 项目项目标准维修保养评分标准清洁卫生评分标准优良中差实际得分优良中差实际得分一、公共项目群 (一)周围环境 1、庭院、花园完好、整齐;干净、无垃圾87.26.44 10985 2、建筑物外墙完整、美观;干净54.542.5 54.542.5 3、店标及标志规范、完整、无褪色、无变形;无灰尘、无污迹87.26.44 32.72.41.5 4、停车场、回车线 标志明确;干净 43.63.22 32.72.41.5 5、花木、盆景、艺术品无枯枝败叶、修剪效果好;无灰尘、无异味、无虫害43.63.22 43.63.22 6、照明灯完好、有效;无灰尘、无污迹43.63.22 43.63.22 7、公用(簿)完好、有效、齐全、无破损;无污迹21.81.61 21.81.61 8、公共图形符号标志规范、完整、无褪色、无变形;无灰尘、无污迹21.81.61 21.81.61 9、空调排风口有效、无破损、无脱落;无灰尘、无污迹10.90.80.5 10.90.80.5 10、其他(每项1分) 10.90.80.5 10.90.80.5 (二)楼梯、电梯厅、存衣处、走廊等公共场所1、地面平整、无破损、无卷边、无变形;无污迹、无异味、干净、光亮20181610 30272415 2、门 无破损、无变形、无划痕;玻璃明亮、无灰尘10985 10985 3、天花无破损、无裂痕、无脱落;无灰尘、无污迹、无蛛网10985 10985 4、墙面平整、无破损、无裂痕、无脱落;无灰尘、无污迹、无蛛网20181610 20181610 5、灯具完好、有效;无灰尘、无污迹2522.52012.5 2522.52012.5 6、家具、用具 稳固、完好、无变形、无破损、无烫痕、无脱落;无灰尘、无污迹2522.52012.5 2522.52012.5 7、电梯平稳、有效、无障碍、无划痕、无脱落;无灰尘、无污迹10985 32.72.41.5 8、其他(每项1分) 10.90.80.5 10.90.80.5 (三)公共卫生间 1、地面 平整、无破损;无污迹、无异味、干净、光亮54.542.5 54.542.5 2、墙面平整、无破损、无裂痕、无脱落;无灰尘、无污迹、无蛛网54.542.5 54.542.5 3、天花无破损、无裂痕、无脱落;无灰尘、无污迹、无蛛网54.542.5 54.542.5 4、厕位完好、无堵塞、无滴漏;无污迹10985 10985 5、洗手台完好、无磨损;无灰尘、无污迹54.542.5 54.542.5 6、梳妆镜完好、无磨损;玻璃明亮、无灰尘、无污迹21.81.61 21.81.61 7、皂液器完好、有效;无污迹21.81.61 21.81.61 8、干手器完好、有效;无污迹21.81.61 21.81.61 9、其他(每项1分) 10.90.80.5 10.90.80.5 二、前厅 1、地面 完整、无破损、无变色、无变形;无污迹、无异味、光亮43.63.22 10985 2、门窗无破损、无变形、无划痕;无灰尘 21.81.61 21.81.61 3、天花无破损、无裂痕、无脱落;无灰尘、无水迹、无蛛网 43.63.22 43.63.22 4、墙面 平整、无破损、无开裂、无脱落;无污迹、无蛛网 65.44.83 43.63.22 5、柱无脱落、无裂痕、无划痕;有光泽、无灰尘、无污迹21.81.61 43.63.22 6、台整齐、平整、无破损、无脱落;无灰尘、无污迹21.81.61 21.81.61 7、扶梯完整、无破损;无灰尘、无污迹21.81.61 21.81.61 8、家具稳固、完好、无变形、无破损、无烫痕、无脱漆;无灰尘、无污迹三、客房(一)走廊通道 1、地面平整、无破损、无卷边、无变形;无污迹、无异味、干净、光亮54.542.5 10985 2、墙面平整、无破损、无开裂、无脱落;无污迹、无蛛网54.542.5 21.81.61 3、天花无破损、无裂痕、无脱落;无灰尘、无水迹、无蛛网87.26.44 21.81.61 4、灯具完好、有效;无灰尘、无污迹21.81.61 21.81.61 5、擦鞋机完整、无破损;无灰尘、无污迹21.81.61 10.90.80.5 6、烟灰缸完整、无破损;无灰尘、无污迹54.542.5 21.81.61 7、服务台整齐、无损坏;无灰尘、无污迹54.542.5 21.81.61 8、其他(每项1分) 10.90.80.5 10.90.80.5 (二)客房1、地面平整、无破损、无卷边、无变形;无污迹、无异味、干净、光亮30272415 30272415 2、门完好、有效;无灰尘、无污迹           铃 10.90.80.5 10.90.80.5  锁 10.90.80.5 10.90.80.5  门镜 10.90.80.5 10.90.80.5  门牌 10.90.80.5 10.90.80.5  安全链  10.90.80.5 10.90.80.5  把手 10.90.80.5 10.90.80.5 3、窗户及窗帘平整、无破损、无脱落;无污迹54.542.5 21.81.61 4、墙面平整、无破损、无开裂、无脱落;无污迹、无灰尘、无蛛网43.63.22 43.63.22 5、天花平整、无破损、无开裂、无脱落;无污迹、无灰尘、无蛛网43.63.22 10.90.80.5 6、灯具完好、有效;无灰尘、无污迹54.542.5 54.54.52.5 7、家具、布草稳固、完好、无变形、无破损、无脱漆;无灰尘、无污迹            床头护墙板 10.90.80.5 10.90.80.5  床上用品 10985 10985  浴衣 10.90.80.5 10.90.80.5  衣橱  10.90.80.5 10.90.80.5  衣架 10.90.80.5 10.90.80.5  写字台 214.81.61 21.81.61  梳妆台 21.81.61 21.81.61  半身镜 10.90.80.5 10.90.80.5  全身镜 10.90.80.5 10.90.80.5  椅子、沙发 21.81.61 21.81.61  茶几 10.90.80.5 10.90.80.5  行李柜 21.80.61 21.81.61  饮具 54.542.5 54.542.5  酒具 54.542.5 54.542.5  烟具 10.90.80.5 10.90.80.5  抽屉 21.81.61 21.81.61  垃圾筒 21.81.61 10.90.80.5  擦鞋工具 10.90.80.5 10.90.80.5  洗衣袋 10.90.80.5 10.90.80.5  其他(每项1分) 10.90.80.5 10.90.80.5 8、艺术品有品位、完整、无褪色、无脱落;无灰尘、无污迹10.90.80.5 。

下载提示
相似文档
正为您匹配相似的精品文档