文档详情

【精选】水专业出图 规范

豆浆
实名认证
店铺
DOC
103.50KB
约4页
文档ID:904535
【精选】水专业出图 规范_第1页
1/4

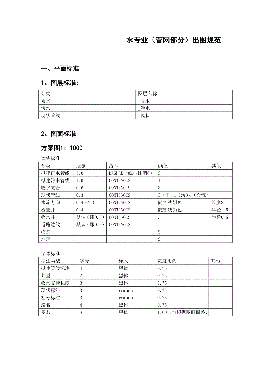
水专业(管网部分)出图规范一、平面标准1、图层标准:分类 图层名称雨水 _雨水污水 _污水现状管线 _现状2、图面标准方案图1:1000管线标准分类 线宽 线型 颜色 其他拟建雨水管线 1.0 DASHED(线型比例6)3拟建污水管线 1.0 CONTINOUS 1收水支管 0.6 CONTINOUS 3现状管线 0.3 CONTINOUS 3(雨)1(污)4(合流)水流方向 0.4~2.0 CONTINOUS 随管线颜色 长度8检查井 0.4 CONTINOUS 随管线颜色 半径1.5收水井 默认(即0.3)CONTINOUS 3 半径0.5道路边线 默认(即0.3)CONTINOUS物探 9地形 9字体标准标注类型 字号 样式 宽度比例 其他拟建管线标注 4 黑体 0.75井型 2 黑体 0.75收水支管长度 3 黑体 0.75现状标注 3 romans 0.75桩号标注 3 romans 0.75路名 4 黑体 0.75图名 8 黑体 1.00(可根据图面调整)施工图1:500管线标准分类 线宽 线型 颜色 其他拟建雨水管线 1.0 DASHED(线型比例6)3拟建污水管线 1.0 CONTINOUS 1收水支管 0.6 CONTINOUS 3现状管线 0.3 CONTINOUS 3(雨)1(污)4(合流)水流方向 0.4~2.0 CONTINOUS 随管线颜色 长度8检查井 0.4 CONTINOUS 随管线颜色 半径1.5收水井 默认(即0.3)CONTINOUS 3 半径0.5道路边线 默认(即0.3)CONTINOUS物探 9地形 9字体标准标注类型 字号 样式 宽度比例 其他拟建管线标注 4 黑体 0.75井型 2 黑体 0.75收水支管长度 3 黑体 0.75现状标注 3 romans 0.75桩号标注 3 romans 0.75路名 6 黑体 0.75图名 8 黑体 1.00(可根据图面调整)施工图:1:1000管线标准分类 线宽 线型 颜色 其他拟建雨水管线 0.8 DASHED(线型比例6)3拟建污水管线 0.8 CONTINOUS 1收水支管 0.4 CONTINOUS 3现状管线 0.3 CONTINOUS 3(雨)1(污)4(合流)水流方向 0.2~1.8 CONTINOUS 随管线颜色 长度6检查井 0.4 CONTINOUS 随管线颜色 半径1.5收水井 默认(即0.3)CONTINOUS 3 半径0.5道路边线 默认(即0.3)CONTINOUS物探 9地形 9字体标准标注类型 字号 样式 宽度比例 其他拟建管线标注 3 黑体 0.75井型 2 黑体 0.75收水支管长度 2 黑体 0.75现状标注 2 romans 0.75桩号标注 2 romans 0.75路名 4 黑体 0.75图名 8 黑体 1.00(可根据图面调整)二、图签图幅按院标详见\\zhangrui\水出图标准三、分页符半径 10,字高 4.5详见\\zhangrui\水出图标准\分页.dwg四、雨水工程设计标准雨水量计算采用下列公式 FqQ式中:Q——雨水设计流量 (升/秒);q——暴雨强度 (升/秒·公顷);F——收水面积 (公顷);ψ——径流系数,根据该地区地面及路面铺装情况,经加权平均计算,最终确定采用 0.55。

其中暴雨强度 q采用天津市暴雨强度公式:式中:P——设计重现期(年),本工程设计采用 P=1年;T——降雨历时(分钟):t=t +mt ;12其中 t1——地面集水时间,取 15分钟;t2——管内雨水流行时间(分钟);m——折减系数,圆管 m=2五、泵站工程设计标准标注样式箭头 字号 字体样式 宽度比例 文字从尺寸线偏移 尺寸界限字定义块 3 romans 0.75 1 隐藏(1,2)标注中自定义块的标准(该块由箭头和尺寸界限组成)块名 箭头宽 箭头长 尺寸界限_水标注箭头 0.9 2 8(箭头两侧各4))/( )17(lg85.034公 顷秒升 tp。

下载提示
相似文档
正为您匹配相似的精品文档