文档详情

岩土工程勘察图式图例.doc

汽***
实名认证
店铺
DOC
3.07MB
约37页
文档ID:557398827
岩土工程勘察图式图例.doc_第1页
1/37

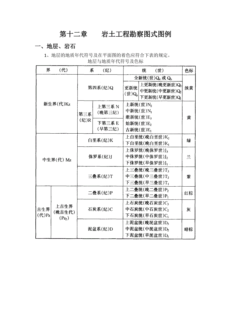
第十二章 岩土工程勘察图式图例一、地层、岩石1、地层的地质年代符号及在平面图的着色应符合下表的规定地层与地质年代符号及色标2、第四系地层成因类型符号及在平面图上的着色应符合下表的规定3、沉积岩、变质岩、岩浆岩的符号应分别符合下表1、2、3的规定沉积岩和变质岩在平面图上应按其地质年代着色,岩浆岩在平面图上着色应符合下表3的规定表1 沉积岩符号表2 变质岩符号表3 岩浆岩符号及色标二、图例、符号1、沉积岩应根据岩性采用下列图例:2、岩浆岩应根据岩性采用下列图例:(1)侵入岩(2)喷出岩3、变质岩应根据岩性采用下列图列:4、第四系地层应按言行采用下列图例:5、第四系地层中的包含物应采用下列图例表示:6、剖面图上构造岩7、层理、片理等层状构造形迹应采用下列图例或符号;8、褶皱构造应采用下列图例或符号;9、断层构造应采用下列图例或符号;注:1、断层图例中箭头表示断层面倾向、倾角,短线表示下降盘; 2、地裂缝可参照断层图例采用10、节理、裂隙等不连续结构面应采用下列图例或符号;11、河流、湖泊、海鲜地貌形态应采用下例图里;12、冰川地貌形态应采用下列图例:13、岩溶地貌形态采用下列图例:14、风蚀(成)地貌形态应采用下列图例:15、火山地貌形态应采用下列图例:16、不良地质现象应采用下列图例:17、在平面图上表示勘察工作手段、位置及其他信息应采用下列图例:注:在1个勘探点上使用多种勘探测试手段时,可将图例组合表示。

18、在剖面图上表示勘察手段、位置及其他信息应采用下列图例:19、在平面图上进行工程地质分区时应采用下列图例:三、图式、表式1、岩土工程勘察报告书所附图的格式宜采用图的格式综合工程地质图图式黄土湿陷性分区图图式地下水位等高线图图式 岩层顶面等高线图图式工程地质剖面图图式载荷试验综合资料。

下载提示
相似文档
正为您匹配相似的精品文档