文档详情

电源线安规及主要技术指标

飞***
实名认证
店铺
PDF
67.33KB
约2页
文档ID:47160957
电源线安规及主要技术指标_第1页
1/2

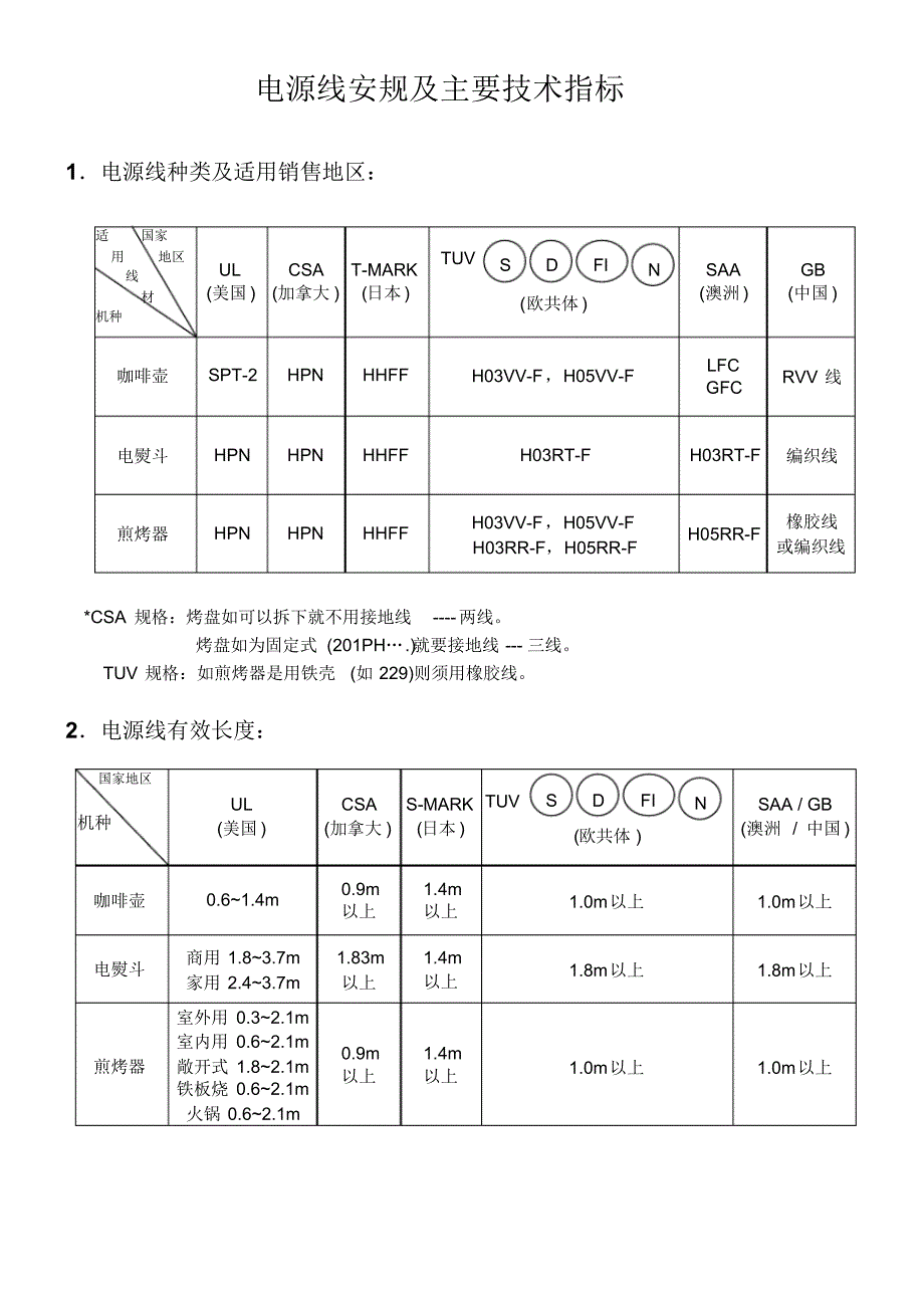
电源线安规及主要技术指标1.电源线种类及适用销售地区:适国家用地区 线材 机种UL (美国) CSA (加拿大 ) T-MARK (日本) TUV(欧共体) SAA (澳洲) GB (中国) 咖啡壶SPT-2 HPN HHFF H03VV-F,H05VV-F LFC GFC RVV 线电熨斗HPN HPN HHFF H03RT-F H03RT-F 编织线煎烤器HPN HPN HHFF H03VV-F,H05VV-F H03RR-F,H05RR-F H05RR-F 橡胶线 或编织线*CSA 规格:烤盘如可以拆下就不用接地线----两线烤盘如为固定式 (201PH⋯.)就要接地线 --- 三线TUV 规格:如煎烤器是用铁壳(如 229)则须用橡胶线2.电源线有效长度:国家地区机种UL (美国) CSA (加拿大 ) S-MARK (日本) TUV (欧共体 ) SAA / GB (澳洲 / 中国) 咖啡壶0.6~1.4m 0.9m 以上1.4m 以上1.0m以上1.0m以上电熨斗商用 1.8~3.7m 家用 2.4~3.7m 1.83m 以上1.4m 以上1.8m以上1.8m以上煎烤器室外用 0.3~2.1m 室内用 0.6~2.1m 敞开式 1.8~2.1m 铁板烧 0.6~2.1m 火锅 0.6~2.1m 0.9m 以上1.4m 以上1.0m以上1.0m以上S D FIN S D FIN 3. 电流限制 (截面积 ):国家地区额定电流 (I) 线号 / 截面积 (mm2) 备注长度 0~15.2m 长 度>15.2m UL (美国 ) 10A 7A AWG18 AWG---AMERIC WIRE GAUGE (UL,CSA)美国电线线规。

mm2 --- 其它国家皆使用12A 10A AWG17 15A 12A AWG16 20A 17A AWG14 30AA 20A AWG12 IEC(欧洲 ) GB(中国 ) SAA(澳洲 ) I<6A (0.75 ~ 1) mm2 当电流小于 3A 时,如果有特别说 明电源线长度不超过2m,标称截 面积允许为 0.5 mm2 6A

4. 拉力实验国家地区 机种UL (美国) CSA (加拿大 ) T-MARK (日本) TUV (欧共体各成员国 ) GB/SAA 中国/澳洲咖啡壶16Kgf 9Kgf 6Kgf 6Kgf 6Kgf 电熨斗9Kgf 9Kgf 6Kgf 6Kgf 6Kgf 煎烤器16Kgf 9Kgf 6Kgf 6Kgf 6Kgf 马达类16Kgf 9Kgf 6Kgf 6Kgf 6Kgf * T-MARK 规格拉力标准取测试产品之3 倍重; 但最小不得低于6Kgf,最大不得大于10Kgf5.温升规定:电线分叉: UL/CSA 电线额定温度IEC ΔT<50℃S D FIN 。

下载提示
相似文档
正为您匹配相似的精品文档