文档详情

塔式起重机工作原理

壹****1
实名认证
店铺
DOCX
1.02MB
约28页
文档ID:491532322
塔式起重机工作原理_第1页
1/28

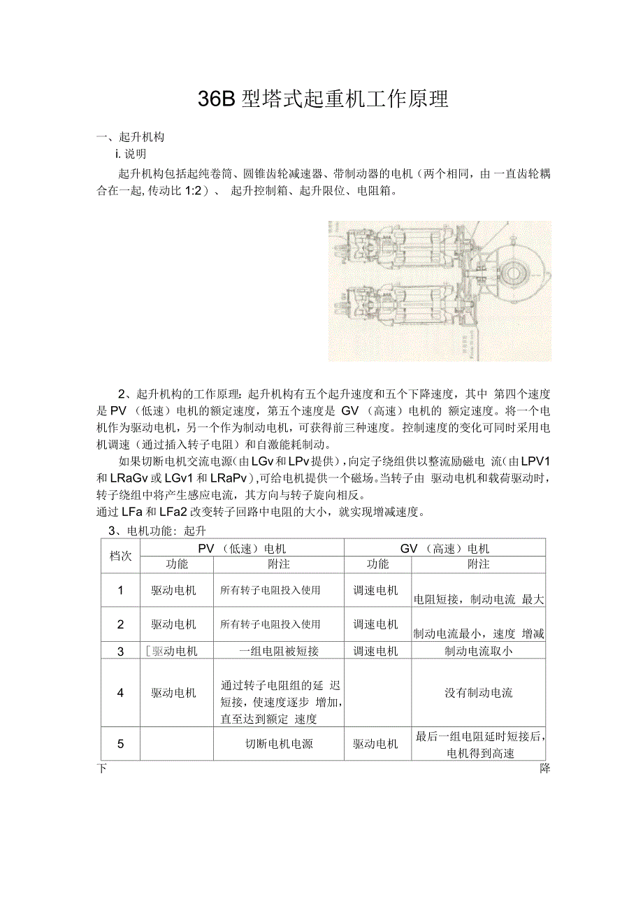
36B型塔式起重机工作原理一、起升机构i.说明起升机构包括起纯卷筒、圆锥齿轮减速器、带制动器的电机(两个相同,由 一直齿轮耦合在一起,传动比1:2)、 起升控制箱、起升限位、电阻箱2、起升机构的工作原理:起升机构有五个起升速度和五个下降速度,其中 第四个速度是PV (低速)电机的额定速度,第五个速度是 GV (高速)电机的 额定速度将一个电机作为驱动电机,另一个作为制动电机,可获得前三种速度 控制速度的变化可同时采用电机调速(通过插入转子电阻)和自激能耗制动如果切断电机交流电源(由LGv和LPv提供),向定子绕组供以整流励磁电 流(由LPV1和LRaGv或LGv1和LRaPv),可给电机提供一个磁场当转子由 驱动电机和载荷驱动时,转子绕组中将产生感应电流,其方向与转子旋向相反通过LFa和LFa2改变转子回路中电阻的大小,就实现增减速度3、电机功能: 起升档次PV (低速)电机GV (高速)电机功能附注功能附注1驱动电机所有转子电阻投入使用调速电机电阻短接,制动电流 最大2驱动电机所有转子电阻投入使用调速电机制动电流最小,速度 增减3[驱动电机一组电阻被短接调速电机制动电流取小4驱动电机通过转子电阻组的延 迟短接,使速度逐步 增加,直至达到额定 速度没有制动电流5切断电机电源驱动电机最后一组电阻延时短 接后,电机得到高速下降档次PV (低速)电机GV (高速)电机功能附注功能附注1调速电机制动电流最大微速电机断电2调速电机制动电流减小驱动电机电机供电,所有转子 电阻投入使用,低速3调速电机制动电流最小,速度 增加驱动电机所有转子电阻投入使 用4驱动电机通过转子电阻组的延 迟短接,使速度逐步 增加,直至达到额定 速度5驱动电机最后一组电阻延时短 接后,电机得到高速4、制动器供电电路:继电器LFa及CXL同时供电第一循环第二循环LFa一关闭,点B为正,点A为负;制动器线圈的电流从 B流向A。

继电器 LFa断开,但CXL继续供电d r'ytILFa继电器线圈一断电,制动器线圈中的整流 'I-.电流变为零发生里电流的变化,就产生了感应'■1电流,在PV及GV接触器脉动时,可继续为LFa 供电制动器工作原理:(起升电磁制动器)说明 该电磁制动器在断电时即制动由电机驱动的制动盘在两个固定的摩 擦盘之间旋转,其中一个摩擦盘固定在外壳上,另一个摩擦盘在三个呈120°角度的立柱上滑动原理制动 电磁铁一断电,弹簧将摩擦盘推回原位,使制动盘被压在摩擦盘与摩 擦盘之间的摩擦片上松开 电磁铁一通电,可动摩擦盘压缩弹簧,松开制动盘,与电机轴轴键的制动盘便可自由旋转间隙调整通过调整螺母调整间隙(用塞规)必须保证间隙为调整制动力矩制动力矩为最大静载的倍旋转三个螺母使弹簧的伸缩量合适,三个弹簧的长度要相等手动闸松开电机上配备有手动闸松开杠杆,操作此杆可使摩擦盘提起,制动盘松开保养 200小时或每月保养一次:检查间隙、制动力矩;制动片的磨损情况;制动器中有无异物、油污、灰尘等5、起升限位器用途防止可能出现的误操作,包括当吊钩滑轮组在接近臂架小车时,停止上升运动在下降时,防止钢丝绳完全放出及以相反的方向缠绕在卷筒上。

工作原理:带有一减速装置的限位开关,固定在卷筒一端,由卷筒轴通过大齿轮和小齿轮的啮和直接驱动,记下卷筒的转数和绳索缠绕长度,通过驱动装置上凸块挤压限位开关来切断断路器上相应的运动调整:必须在空载下进行,操作相应的运动用改锥按压触点,确定那个触点是切断其运动的调整超高限位调整超低限位保养:每转场一次,在使用前,应检查限位装置内有无异物、积水、损坏等6、电气原理图0“」6亿:9;,| /忆 | 9!Z ; G亿 J 夕亿[,工 | 乙IZ | HZ |亿 | 6%【g1 [ r况]9QZ : GO; | 2Z | £0Z [ %Z [ ]0ZHin2"RkJTHttfi>HZ.J!> fatzSS^22? 1-222 | 223 [ 224 | 225 j 226 [ 227 [ 228 [ 229 j 230 | 2JI | 232 | 233 | 234 | 235 | 236 | 237 | 238 | 239 | 240□IO ft> B« ji 14 na>< ,4 Oc7亡二A ATS -22860Hz 440V50Hz 380VDJZ55 %24J I 242 I 243 I 744 । 245 j 246 | 247 | 248 | 243 j 250 j 251 | 252 | 253 | 25i | 255 | 256 | 257 | 258 | 259 | 260261 | 262 I 263 | 264 | 265 | 246 | 267 | 268 j 269 | 270 | 271 | Z72 | 273 | 274 j 275 | 276 j 277 \ 273 | "9 | 230Control 搜舸注舞 NotesReminder 准备CXL起升展位开关检交ehecks the hoUt limit switches.TRa-LR«2规接减速电路分段电阻short - circuit the resistance banks of the deceleration circuitLRaPv流速电珞接入Pv电动机connects the deceleration circuit with PvLGv转子电阻接入Gv电动机connects the rotor resistances with the Gv motor.XU1st notch11档4LR&PvPv电动机新开就迷电结Disconnects the deceleration circuit from the Pv motor. LRaGvGv电动机定于投入减速电药Connecu the deceleration circuit with the Gv motor stator F1-F2 LRa-LRa2板接减速电路电限,减速电由最大Short-circuit the resistances of the deceleration circuit mftxinium deceleration currentLPvl:Pv电动机换人转子电型(L1+L2+L3)减建起劲jConnects the rotor resistances with the Pv motor (L1+L2+ L3)Low starting speed. LPvPv电动机通电Pv motor supply LFa盘式制动再通电井松开Brake supply brake releue.XL2 2nd notchLRa2电阻接入双速电路,艰速电流减小,速反虐加SwitchiDg-in of a resistaoce bank into the deceleration circuit»the current dccreaftes and the speed increasesHOISTINGControl 控制注鼻 NotesXL3 3rd notch 3档第二&电阻接入某速电珞、减遑电流畀痛小LRaThe second resistance bank is switched in»the deceleration Current decreaaes.LI第小Pv电动机转子与租Drop of the rotor resistances of the Pv motor.•IXL44th notch4档\LRaGv断开Gv电动机或连电星.Disconaects the Gv deceleration circuitL2 then L3逐步切除 Pv电动机转于电殂,盛势Pv电动机累定笄蛋 Progressive suppresion of the Pv motor rotor resistances Obtaining nominal speed in PvXL515th notch5档LGvl一部分电阻接入Gv电动机Connects the rotor resiatancea partially to GvLGvGv电动机电电Gv motor supplyL2—L3建步切除转子电阻L2和L3后,Gv电动机达到它项定转速Th,Gv motor reaches the nominal spod in Grvdtix suppression of the L2 the L3 rotor resistances下降LOWERINGControl 控制—一11注释' Notes|Reminder 准冬CXL起升反位开关检查1Checks the hoist limit switchesLRa-LRa2短接减速电路分段电阻Short-circuit the resistance banksof the deceleration circuit.LRaPv减速电路接入Pv电动机Connects the deceleration circuit with PvLGvl转子包殂接入Gv电动机Connects the rotor resistances with the Gv motor, iXL1 1st notch 】档LFa盘式制动赛通电并松开(载荷驱动卷筒)Brake supply thus hoist brake releases (the load 1 drives the drum).XL2 2nd notch2档LRa2电阻接入黑速电珞,减速电流减小,速度增加1Switching - in of a resistance bank into the deceleration circuit,the current decreases and the speed increases • LGv2G•/电动机通电Gv motor supply|J Control1控制注群NotesLGvl 3rd notch 13档LRa第二段电阻接入减速电路,速度再增加Switching-in of the second resistance bank into the deceleration c。

下载提示
相似文档
正为您匹配相似的精品文档