文档详情

三角带带轮轮槽尺寸

cl****1
实名认证
店铺
DOC
489.50KB
约5页
文档ID:509766888
三角带带轮轮槽尺寸_第1页
1/5

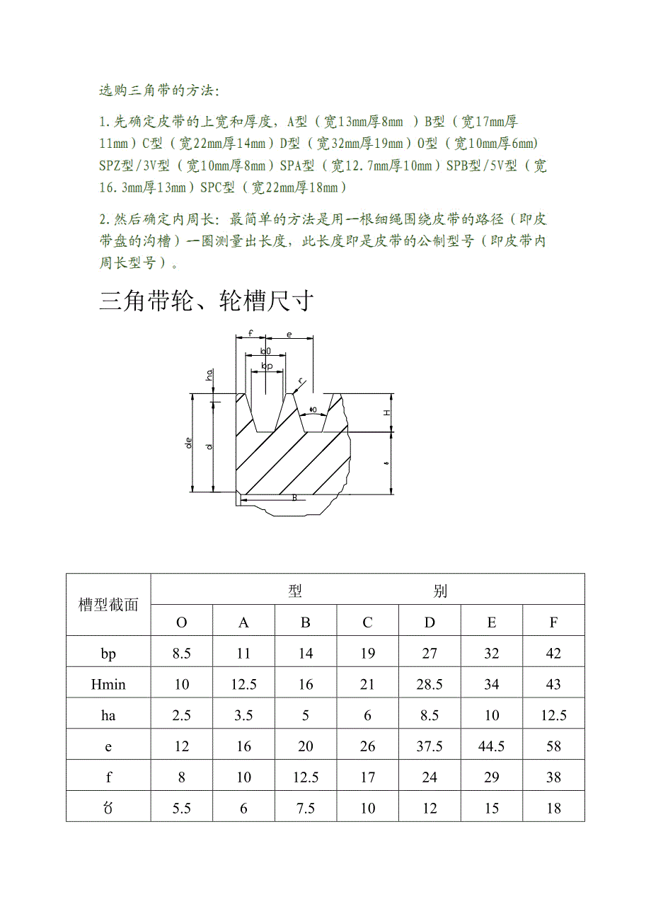
选购三角带的方法:1.先确定皮带的上宽和厚度,A型(宽13mm厚8mm )B型(宽17mm厚 11mm)C型(宽22mm厚14mm)D型(宽32mm厚19mm)O型(宽10mm厚6mm)SPZ型/3V型(宽10mm厚8mm)SPA型(宽12.7mm厚10mm)SPB型/5V型(宽16.3mm厚13mm)SPC型(宽22mm厚18mm)2.然后确定内周长:最简单的方法是用一根细绳围绕皮带的路径(即皮带盘的沟槽)一圈测量出长度,此长度即是皮带的公制型号(即皮带内周长型号)选购三角带的方法:1.先确定皮带的上宽和厚度,A型(宽13mm厚8mm )B型(宽17mm厚 11mm)C型(宽22mm厚14mm)D型(宽32mm厚19mm)O型(宽10mm厚6mm)SPZ型/3V型(宽10mm厚8mm)SPA型(宽12.7mm厚10mm)SPB型/5V型(宽16.3mm厚13mm)SPC型(宽22mm厚18mm)2.然后确定内周长:最简单的方法是用一根细绳围绕皮带的路径(即皮带盘的沟槽)一圈测量出长度,此长度即是皮带的公制型号(即皮带内周长型号)三角带轮、轮槽尺寸槽型截面型 别OABCDEFbp8.5111419273242Hmin1012.5162128.53443ha2.53.5568.51012.5e1216202637.544.558f81012.517242938〥5.567.510121518r0.2——0.5BB=(Z-1)e+2f Z——轮槽数dede=d+2haφ034度d63--8090--112125--180b010.013.117.136度d200—280315—475500—600b022.932.538.538度d≥90≥125≥200≥300≥500≥630≥800b010.213.417.423.132.938.950.6注:1. 尺寸b0的偏差按h12.2. 槽角φ0的偏差对O,A,B型为正负1度,C,D,E,F型为正负30分。

3. 轮槽工作表面光洁度▽5(d>300毫米)或▽6(d≤300毫米)4. 对于活络三角胶带为使螺钉头不与槽底相碰,H应适当加大活络三角带小皮带轮最小直径dmin(毫米)型别OABCDEdmin5075125200300500活络三角带单根胶带所能传递的功率P0 (千瓦)型别OABCDEP00.250.370.741.83.34.8注:P0值尚无可靠资料,表中数值仅供参考活络三角胶带带轮见三角带带轮部分三角胶带带轮最小直径 dmin (毫米)型别OABCDEFdmin71(63)100(90)140(125)200315500800三角带轮的计算直径计算直径d mmOABCD计算直径d mmABCDEF63677175809095100106112118125132140150160170180200212224236250265280300315355+++++++++++++++++++++++++++++++++++++++++++++++++++++++++++++++++++++++++++++++++++++++++375400425450475500530560600630670710750800900100010601120125014001500160018001900200022402500++++++++++++++++++++++++++++++++++++++++++++++++++++++++++++++++++++++++++++++++++++++++++++++++++++++++++++++++++++++++++++++++++++++注:++——优先选用, +——可以选用。

三角带轮材料1. 铸铁,钢,铝合金以及工程塑料,2. 应用灰口铸铁最广,一般为HT15——33,在重要场合或带轮速度较高时,可用HT20——40三角胶带型号及截面尺寸(按GB1171——74) mm型号截面尺寸截面积尺寸单位长度质量bh′A,mmhahpq ,kg/mOABCDEF101317223238506810.513.51923.53040°478113823047669211702.12.84.14.86.98.311.08.5111418.52732420.06120.1020.1740.3030.6340.9181.55。

下载提示
相似文档
正为您匹配相似的精品文档