文档详情

用友T3全套操作

cn****1
实名认证
店铺
DOCX
193.55KB
约3页
文档ID:495827115
用友T3全套操作_第1页
1/3

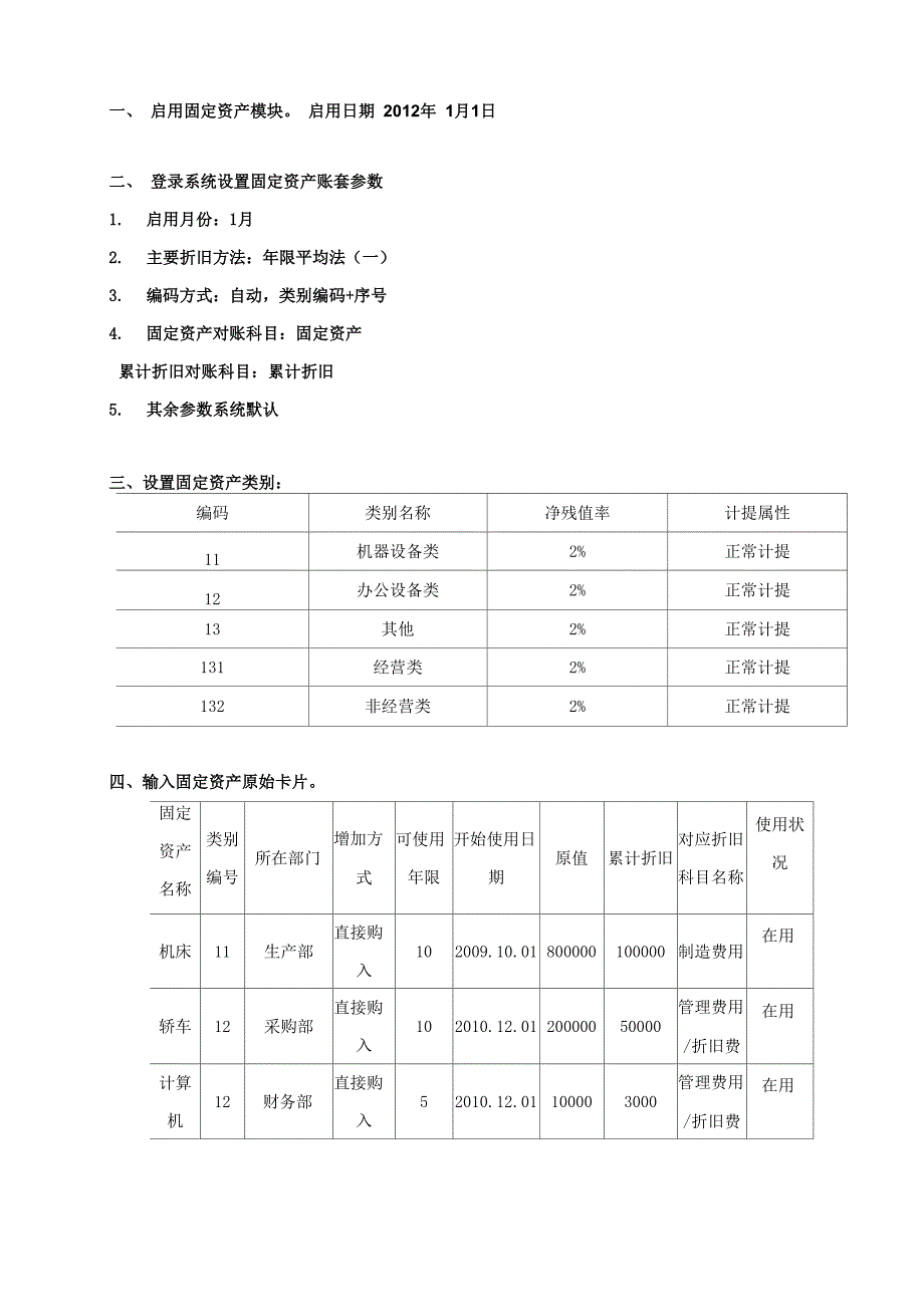
一、 启用固定资产模块 启用日期 2012年 1月1日二、 登录系统设置固定资产账套参数1. 启用月份:1月2. 主要折旧方法:年限平均法(一)3. 编码方式:自动,类别编码+序号4. 固定资产对账科目:固定资产累计折旧对账科目:累计折旧5. 其余参数系统默认三、设置固定资产类别:编码类别名称净残值率计提属性11机器设备类2%正常计提12办公设备类2%正常计提13其他2%正常计提131经营类2%正常计提132非经营类2%正常计提四、输入固定资产原始卡片固定资产名称类别编号所在部门增加方式可使用年限开始使用日期原值累计折旧对应折旧科目名称使用状况机床11生产部直接购入102009.10.01800000100000制造费用在用轿车12采购部直接购入102010.12.0120000050000管理费用/折旧费在用计算机12财务部直接购入52010.12.01100003000管理费用/折旧费在用复印机销售部直接购入52010.12.01300007000销售费用在用五、2012 年1 月8 日,财务部购买打印机一台资产类别资产名称部门增加方式使用状况开始日期原值使用年限折旧方法对应折旧科目办公设备类打印机财务部直接购入在用2012-01-0840005年平均年限法(一)管理费用/折旧费六、计提本月折旧,生成记账凭证。

如下图注意贷方科目为累计折旧文件(F)制单(E)查看加 工具⑴ 帮助(H)查询付款凭证阳单据数:制单日期=2012. 01.25| 里付 字J^hun 7^ - Ik tO八、2010 年12 月1 日采购部购入的轿车转入财务部使用,变动原因为“调拨”九、查询固定资产账表 查询固定资产使用状况分析表。

下载提示
相似文档
正为您匹配相似的精品文档