文档详情

5S检查评分表

桔****
实名认证
店铺
PDF
433.69KB
约9页
文档ID:574687987
5S检查评分表_第1页
1/9

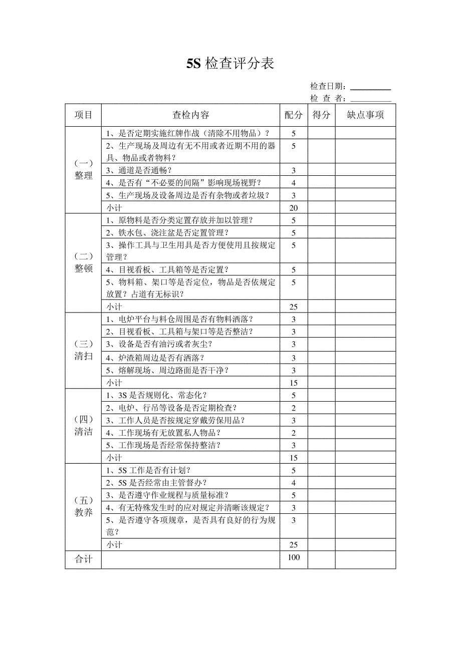
5S 检查评分表 检查日期: 检 查 者: 项目 查检内容 配分 得分 缺点事项 (一)整理 1、是否定期实施红牌作战(清除不用物品)? 5 2、生产现场及周边有无不用或者近期不用的器具、物品或者物料? 5 3、通道是否通畅? 3 4、是否有“不必要的间隔”影响现场视野? 4 5、生产现场及设备周边是否有杂物或者垃圾? 3 小计 20 (二)整顿 1、原物料是否分类定置存放并加以管理? 5 2、铁水包、浇注盆是否定置管理? 5 3、操作工具与卫生用具是否方便使用且按规定管理? 5 4、目视看板、工具箱等是否定置? 5 5、物料箱、架口等是否定位,物品是否依规定放置?占道有无标识? 5 小计 25 (三)清扫 1、电炉平台与料仓周围是否有物料洒落? 3 2、目视看板、工具箱与架口等是否整洁? 3 3、设备是否有油污或者灰尘? 3 4、炉渣箱周边是否有洒落? 3 5、熔解现场、周边路面是否干净? 3 小计 15 (四)清洁 1、3S 是否规则化、常态化? 5 2、电炉、行吊等设备是否定期检查? 2 3、工作人员是否按规定穿戴劳保用品? 3 4、工作现场有无放置私人物品? 2 5、工作现场是否经常保持整洁? 3 小计 15 (五)教养 1、5S 工作是否有计划? 5 2、5S 是否经常由主管督办? 4 3、是否遵守作业规程与质量标准? 5 4、有无特殊发生时的应对规定并清晰该规定? 3 5、是否遵守各项规章,是否具有良好的行为规范? 3 小计 25 合计 100 5S 周检评分表(造型区用) 检查日期: 检 查 者: 项目 查检内容 配分 得分 缺点事项 (一)整理 1、是否定期实施红牌作战(清除不用物品)? 5 2、生产现场及周边有无不用或者近期不用的器具、物品或者物料? 4 3、通道是否通畅? 4 4、是否有“不必要的间隔”影响现场视野? 4 5、生产现场及设备周边是否有杂物或者垃圾? 3 小计 20 (二)整顿 1、操作平台上的物料是否定置并加以管理? 4 2、称重、测量与记录用具是否依规定放置? 4 3、卫生用具是否方便使用且按规定管理? 5 4、目视看板、工具箱等是否定置? 5 5、炉渣是否按规定存放并加以管理? 3 6、模具架口是否定置并加以管理? 小计 25 (三)清扫 1、造型线设备表面是否有油污、砂子与灰尘?目视看板等是否整洁? 3 2、浇注机现场是否有废渣或者废铁? 3 3、下芯机现场是否有废砂芯? 3 4、捅箱机现场是否有废砂与粉尘? 3 5、造型线现场及周边路面是否干净? 3 小计 15 (四)清洁 1、3S 是否规则化、常态化? 5 2、造型主机等设备是否定期点检? 2 3、工作人员是否按规定穿戴劳保用品? 3 4、工作现场有无放置私人物品? 3 5、工作现场是否经常保持整洁? 2 小计 15 (五)教养 1、有无日程管理表? 5 2、4S 是否经常由主管督办? 4 3、是否遵守作业规程与质量标准? 5 4、有无特殊发生时的应对规定并清晰该规定? 3 5、是否遵守各项规章,是否具有良好的行为规范? 3 小计 25 合计 100 5S 周检评分表(砂处理区用) 检查日期: 检 查 者: 项目 查检内容 配分 得分 缺点事项 (一)整理 1、是否定期实施红牌作战(清除不用物品)? 5 2、生产现场及周边有无不用或者近期不用的器具、物品? 4 3、生产现场及周边有无近期不用的物料? 4 4、是否有“不必要的间隔”影响现场视野? 4 5、生产现场及设备周边是否有杂物或者垃圾? 3 小计 20 (二)整顿 1、砂料及其它原料是否定置管理且码放整齐? 4 2、目视看板、工具箱等是否定置? 4 3、操作工具与卫生用具是否方便取用且按规定管理? 5 4、倒下来的包装袋是否定置管理且叠放整齐? 5 5、铁桶、木托等是否定置管理且摆放整齐? 3 小计 25 (三)清扫 1、砂处理设备表面是否有油污、砂子与灰尘? 3 2、供砂圆盘四周是否具有砂子堆积情况? 3 3、卸灰区是否具有洒落或者灰尘堆积情况? 3 4、回砂区是否有砂子堆积情况 3 5、砂处理现场及周边路面是否干净? 3 小计 15 (四)清洁 1、3S 是否规则化、常态化? 5 2、供砂、混砂等设备是否定期检查? 2 3、工作人员是否按规定穿戴劳保用品? 3 4、工作现场有无放置私人物品? 3 5、工作现场是否经常保持整洁? 2 小计 15 (五)教养 1、有无日程管理表? 5 2、4S 是否经常由主管督办? 4 3、是否遵守作业规程与质量标准? 5 4、有无特殊发生时的应对规定并清晰该规定? 3 5、是否遵守各项规章,工作人员是否具有良好的行为规范? 3 小计 25 合计 100 5S 周检评分表(后处理区用) 检查日期: 检 查 者: 项目 查检内容 配分 得分 缺点事项 (一)整理 1、是否定期实施红牌作战(清除不用物品)? 5 2、生产现场及周边有无不用或者近期不用的器具、物品? 4 3、生产现场及周边有无近期不用的物料? 4 4、是否有“不必要的间隔”影响现场视野? 4 5、生产现场及设备周边是否有杂物或者垃圾? 3 小计 20 (二)整顿 1、处理后的产品是否定置且排放整齐? 4 2、钢珠及抛丸砂是否定置存放并加以管理? 4 3、操作工具与卫生用具是否方便取用且按规定管理? 5 4、 周转托板、 油漆等物料是否定置并排放整齐? 5 5、打磨现场废铁片与铁块是否按规定存放? 3 6、目视看板、工具箱等是否定置? 小计 25 (三)清扫 1、洗砂机底部及其周边是否散落钢珠?周围地面是否干净?目视看板、工具箱等是否整洁? 3 2、机械手、落砂机周边地面是否干净,是否存有砂子、粉尘? 3 3、 磷板下方及其周边现场是否存有砂子、 粉尘?地面是否干净? 3 4、打磨现场及其周边地面是否干净? 3 5、洗砂机等设备表面是否有油污、粉尘? 3 小计 15 (四)清洁 1、3S 是否规则化、常态化? 5 2、洗砂机、机械手等设备是否定期检查? 2 3、工作人员是否按规定穿戴劳保用品? 3 4、工作现场有无放置私人物品? 3 5、工作现场是否经常保持整洁? 2 小计 15 (五)教养 1、有无日程管理表? 5 2、4S 是否经常由主管督办? 4 3、是否遵守作业规程与质量标准? 5 4、有无特殊发生时的应对规定并清晰该规定? 3 5、是否遵守各项规章,是否具有良好的行为规范? 3 小计 25 合计 100 5S 周检评分表(砂芯区用) 检查日期: 检 查 者: 项目 查检内容 配分 得分 缺点事项 (一)整理 1、是否定期实施红牌作战(清除不用物品)? 5 2、生产现场及周边有无不用或者近期不用的器具、物品? 4 3、生产现场及周边有无近期不用的物料? 4 4、是否有“不必要的间隔”影响现场视野? 4 5、生产现场及设备周边是否有杂物或者垃圾? 3 小计 20 (二)整顿 1、热、冷芯架口是否定位且排放整齐? 4 2、砂料及其它辅料是否定置存放并加以管理? 4 3、操作工具与卫生用具是否方便取用且按规定管理? 5 4、 砂芯盒、 模具等工装是否定置, 并加以管理? 5 5、目视看板、工具箱等是否定置? 3 小计 25 (三)清扫 1、砂芯区地面是否干净? 3 2、砂子及辅料存放现场是否有物料洒落? 3、砂芯机周围是否具有砂子堆积? 3 4、目视看板、工具箱等是否整洁? 3 5、砂芯机及模具、芯盒等表面是否有油污、灰尘? 3 小计 15 (四)清洁 1、3S 是否规则化、常态化? 5 2、砂芯机等设备是否定期检查? 2 3、工作人员是否按规定穿戴劳保用品? 3 4、工作现场有无放置私人物品? 3 5、工作现场是否经常保持整洁? 2 小计 15 (五)教养 1、有无日程管理表? 5 2、4S 是否经常由主管督办? 4 3、是否遵守作业规程与质量标准? 5 4、有无特殊发生时的应对规定并清晰该规定? 3 5、是否遵守各项规章,是否具有良好的行为规范? 3 小计 25 合计 100 5S 周检评分表(厂区环境用) 检查日期: 检 查 者: 项目 查检内容 配分 得分 缺点事项 (一)整理 1、是否定期实施红牌作战(清除无用物资)? 5 2、厂区内有无已不用的物资? 4 3、是否有物资或者产品违规占道的现象? 4 4、是否有“不必要的间隔”影响厂区视野? 4 5、马路及周边花坛是否有杂物或者垃圾? 3 小计 20 (二)整顿 1、车辆、糊砂、炉渣、垃圾与待处理物资等是否定区存放并加以管理? 4 2、设备、物资等临时占道是否进行了标志? 4 3、卫生用具是否方便使用且按规定管理? 5 小计 25 (三)清扫 1、马路地面是否干净,是否有积水、积灰与垃圾物? 3 2、车间、办公室墙面是否干净? 3、车辆、糊砂、炉渣、垃圾与待处理物资等存放区周边是否干净? 3 4、垃圾箱是否整洁,是否有垃圾外溢现象? 3 5、树木、花草是否定期修剪? 3 小计 15 (四)清洁 1、3S 是否规则化、常态化? 5 2、废旧物资与垃圾是否及时处理? 2 3、工作人员是否按规定穿戴劳保用品? 3 4、厂区卫生是否定时点检? 3 5、马路及周边花坛是否经常保持清洁? 2 小计 15 (五)教养 1、有无日程管理表? 5 2、4S 是否经常由主管督办? 4 3、是否遵守保洁规定? 5 4、有无特殊发生时的应对规定并清晰该规定? 3 5、是否遵守各项规章,是否具有良好的行为规范? 3 小计 25 合计 100 5S 周检评分表(洗手间、餐厅用) 检查日期: 检 查 者: 项目 查检内容 配分 得分 缺点事项 (一)整理 1、是否定期实施红牌作战(清除不用物品)? 5 2、餐厅与洗手间内有无不用或者近期不用的器具、物品? 4 5、现场是否有杂物或者垃圾? 3 小计 20 (二)整顿 1、桌椅是否定位且排放整齐?看板、工具箱等等是否定置? 4 2、垃圾桶、手纸篓是否定置存放? 4 3、卫生用具是否方便取用且按规定管理? 5 4、窗帘是否定位管理? 5 5、洗手液是否定位存放管理? 3 小计 25 (三)清扫 1、地面是否干净?是否有积水、积灰或者垃圾物? 3 2、便池、洗手池、洗手盆及台面是否洁净? 3 3、门窗玻璃管道等表面是否干净? 3 4、垃圾桶、泔水桶周边是否有洒落? 3 5、宣传看板、书写板等是否整洁? 3 小计 15 (四)清洁 1、3S 是否规则化、常态化? 5 2、卫生保洁是否定时点检? 2 3、工作人员是否按规定着装? 3 4、工作现场有无放置私人物品? 3 5、洗手间、餐厅是否经常保持整洁? 2 小计 15 (五)教养 1、有无日程管理表? 5 2、4S 是否经常由主管督办? 4 3、是否按规定质量标准进行保洁? 5 4、有无特殊发生时的应对规定并清晰该规定? 3 5、是否遵守各项规章,是否具有良好的行为规范? 3 小计 25 合计 100 5S 周检评分表(原物料、产品仓储区用) 检查日期: 检 查 者: 项目 查检内容 配分 得分 缺点事项 (一)整理 1、 是否定期实施红牌作战 (清除不用原物料) ? 5 2、仓储现场有无长期不用的原物料及产品? 4 3、仓储现场有无近期不用的原物料及产品? 4 4、是否有“不必要的间隔”影响现场视野? 4 5、仓储现场及周边有无杂物或者垃圾? 3 小计 20 (二)整顿 1、原物料是否分类定置管理且码放整齐? 4 2、产品是否分类定置管理且码放整齐? 4 3、装卸用具与卫生用具是否方便取用且按规定管理? 5 4、产品标签是否按统一标准挂放? 5 5、目视看板、标识牌是否定置并加以管理? 3 小计 25 (三)清扫 1、原物料、产品仓储区地面是否干净? 3 2、现场是否有物料洒落? 3、原料仓储区是否有外溢或者洒落在马路上的现象? 3 4、目视看板、标识牌等是否整洁? 3 5、产品仓储区是否使用破旧木托、架口? 3 小计 15 (四)清洁 1、3S 是否规则化、常态化? 5 2、仓储现场是否经常保持整洁? 2 3、工作人员是否按规定穿戴劳保用品? 3 4、工作现场有无放置私人物品? 3 小计 15 (五)教养 1、有无日程管理表? 5 2、4S 是否经常由主管督办? 4 3、是否遵守作业规程与质量标准? 5 4、有无特殊发生时的应对规定并清晰该规定? 3 5、是否遵守各项规章,是否具有良好的行为规范? 3 小计 25 合计 100 。

下载提示
相似文档
正为您匹配相似的精品文档